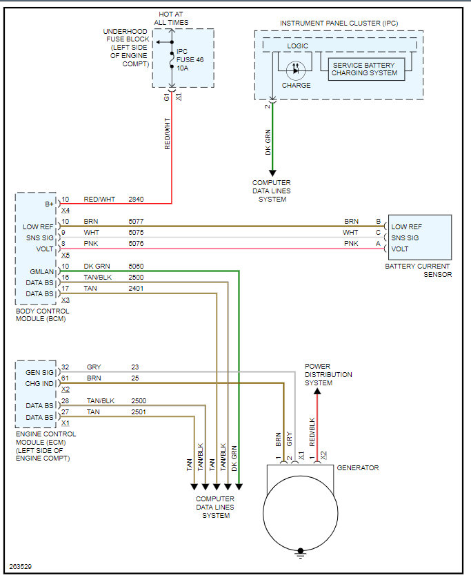
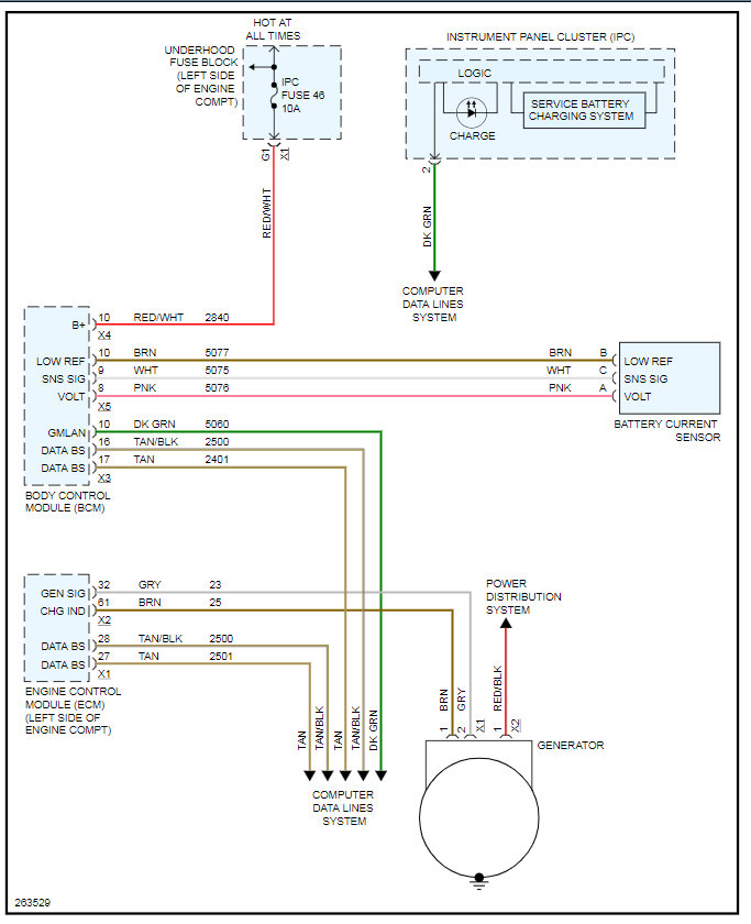
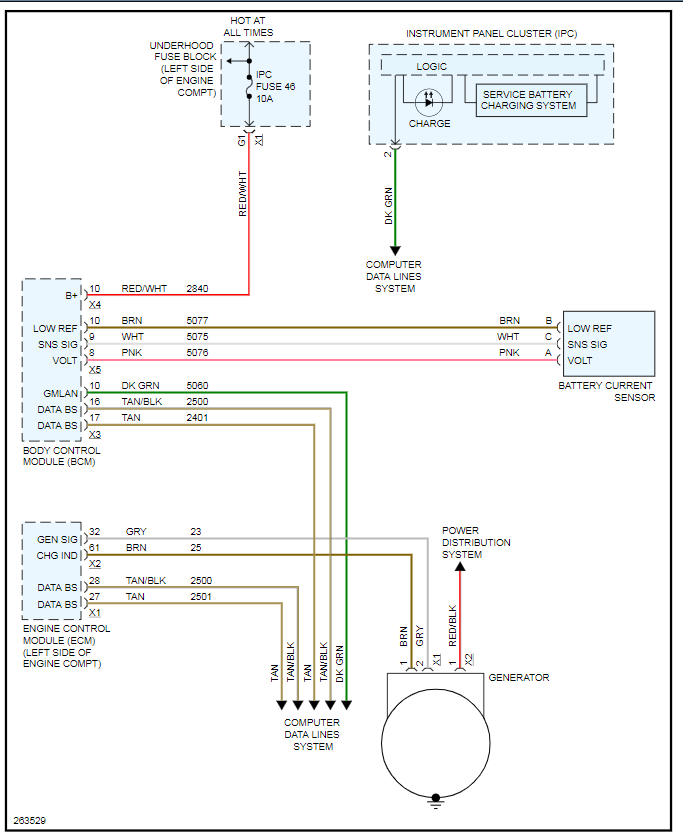
Alternator not charging battery. Alternator is new. Was charging for a few weeks but stopped last time i drove it. The oil pressure sensor was recently changed due to oil pressure dropping randomly. Engine light would come on. I'd read the code it'd be oil pressure sensor circuit A. Oil sensor replaced engine light and oil pressure fixed. Last time i drove it, when alternator stopped charging the engine light came back on and it is oil pressure sensor again. Service Air bag appears in cluster when vehicle is started. You put it in drive and service Stabilitrak, service traction control messages appear on cluster. Sometimes when driving when you try to accelerate say after going around a corner or trying to pass someone the RPMs will jump up to 5,000, 6,000, or maxed out and vehicle will not speed up/accelerate. Does not happen every time but it does do it quite often. When mechanic replaced oil pressure sensor he said alternator wasn't charging, he replaced it. The second one stopped charging after driving the vehicle maybe 3 to 4 miles. He replaced the alternator again. I picked the vehicle up from him and drove it maybe 25 to 30 miles to my house and it stopped charging. I replaced the alternator for 3rd time and it was fine for about 60 miles or so. Alternator came from AutoZone, Duralast Gold the more expensive one. Any info on this will be greatly appreciated!
Oct 25, 2020 at 5:01 PM








