Service Airbag light on

2005 CADILLAC DEVILLE
109,000 MILES • 4.6L • V8 • 2WD • AUTOMATIC
Avatar
POPPABEE
  • MEMBER
  • 2 POSTS
Car has never been hit got in on a rainy day, started her up and the airbag light came on dashboard and says service airbag. Any clues?
Jul 29, 2018 at 12:09 PM
Advertisement
Avatar
STEVE W.
  • CERTIFIED EXPERT
  • 15,113 POSTS
The most likely issue in that case would be a bad "clockspring", that is the coil of wire that connects the airbag in the steering wheel to the system. As you turn the wheel it flexes back/forth and the wires break. However, as the light is on it will have set a code for the problem, so the first step would be to get the code(s) read to avoid replacing or repairing the wrong part. That is because GM had an issue with the SRS sensors as well around that time.
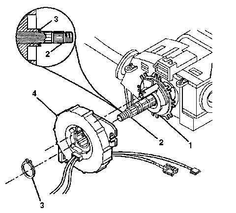
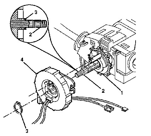
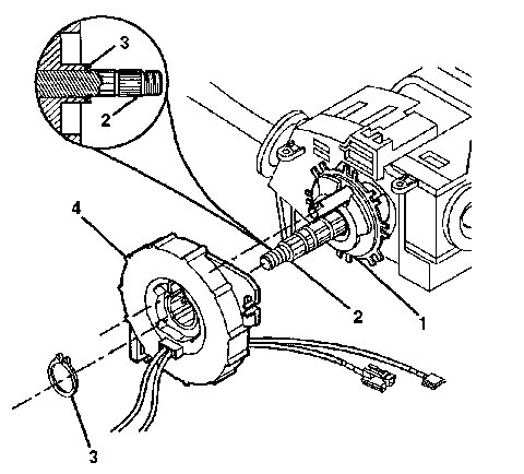
To replace the clock spring you disconnect the battery and let the car set for about twenty minutes to discharge the SRS system. Then you remove the steering column trim and the airbag module, then remove the steering wheel using the proper puller. Under it is the clock spring module. The alignment of the new unit is very important. The wheels have to be straight ahead and the unit gets installed and not moved until it is sure that it is aligned. Once you are sure you can remove the pin and reinstall all the parts.

If the issue is the impact sensors those you disconnect the battery and wait. Then it depends on which sensor is the issue, there are multiple sensors and each is different. The last image shows those. Some are behind the trim panels and some are under the vehicle.

It is also possible it is a failure in one of the control modules. The scan should give you the direction to go to.

Jul 30, 2018 at 11:31 AM
Avatar
POPPABEE
  • MEMBER
  • 2 POSTS
Thank you.
Jul 30, 2018 at 3:59 PM
Advertisement
Avatar
STEVE W.
  • CERTIFIED EXPERT
  • 15,113 POSTS
You are welcome. Post back with any codes you find. Oh, do not bother with the "free scans" like the parts stores do, they will not read the SRS system codes. There are some scan tools that can read them for about the price that some places would charge just to scan the system.
Jul 30, 2018 at 5:06 PM