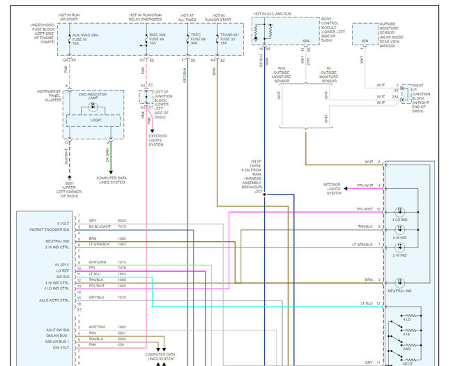
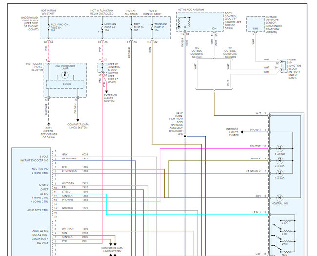
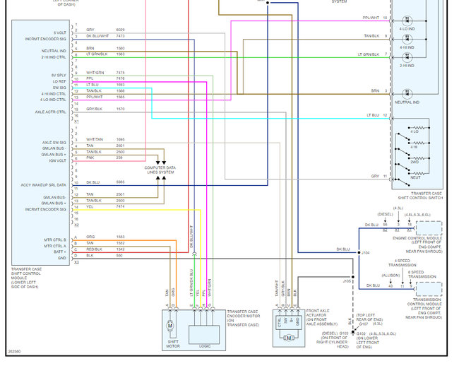
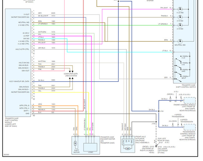
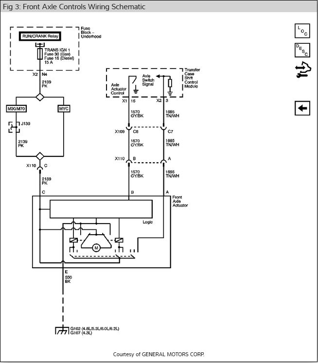
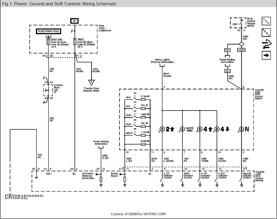
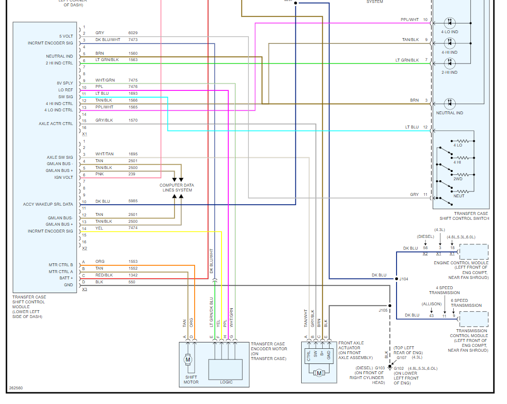
I have the truck listed above with the NQH Magna Power-train transfer case. The "Service 4x4" notice has come on and I would like to test the transfer case shift motor to see if it is bad. Do you have the electrical schematic of the electrical connector on the transfer case shift motor?
The transfer case motor is the same as a Dorman 600-899.
I did find a set pf schematics here:
https://www.gmupfitter.com/files/media/photo/87/2007_LD_ElectricalPickupsChassisCabs.pdf
I would like to find a set of trouble shooting guides that will help me detect what is wrong, like bad grounds or broken wires. Simply knowing what conditions need to be set; like the key on and the switch in 2H. I should see such and such voltages on what pins. My scanner does not show any codes, but it is a Launch CRP123 CReader professional and may not show all the codes.
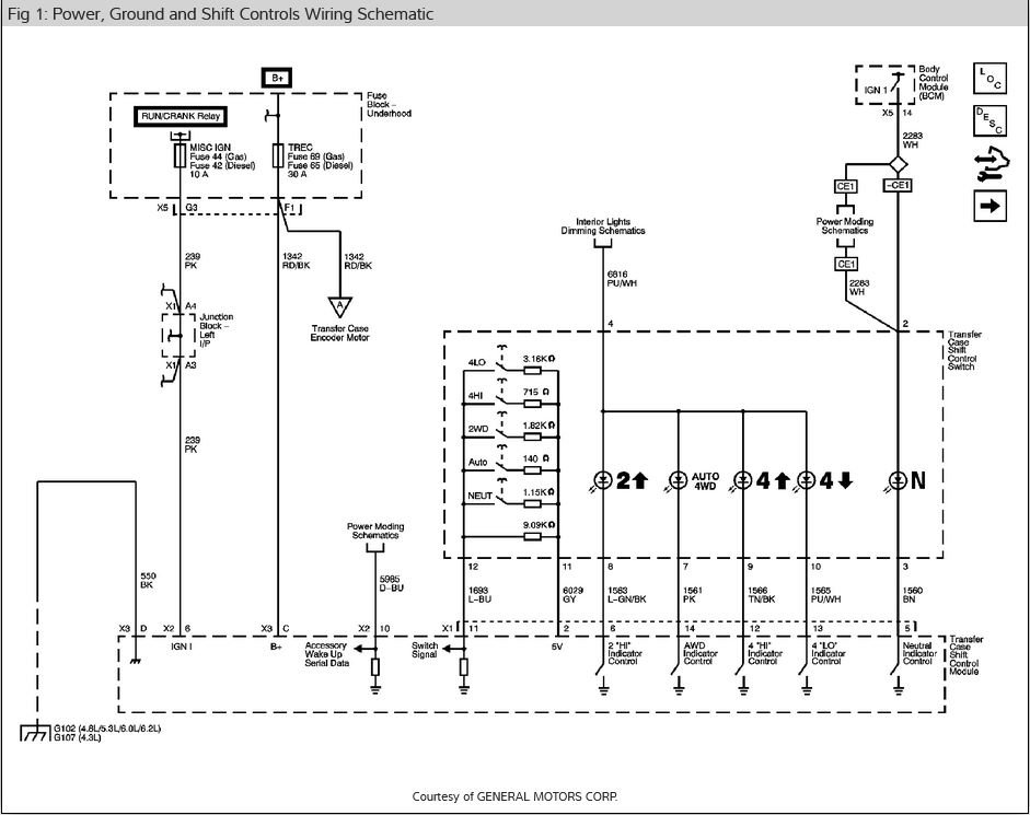
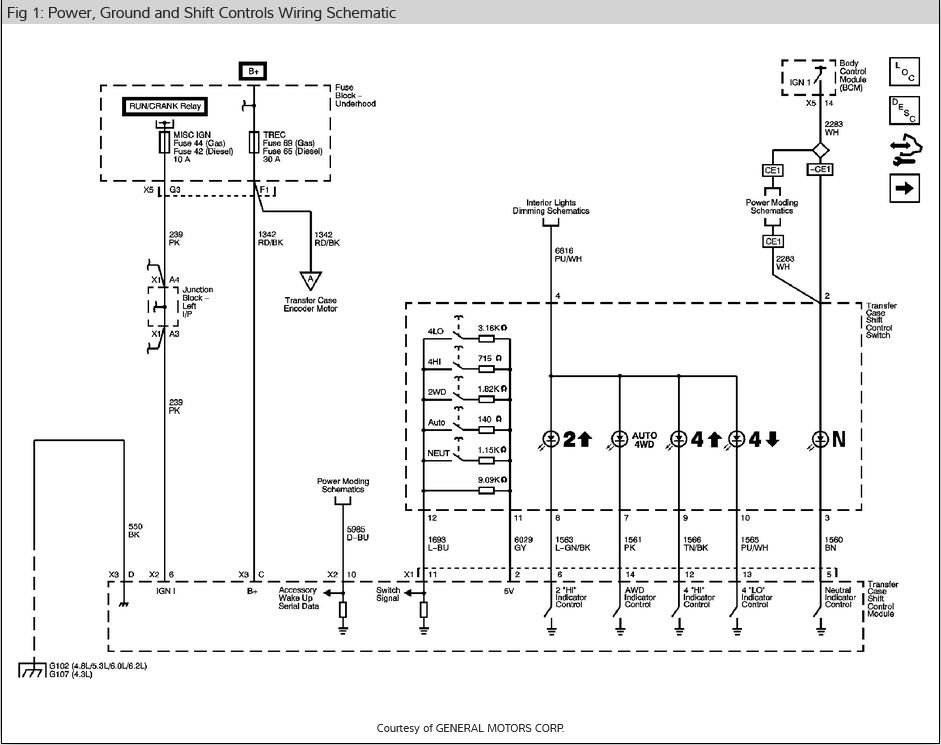
The switch schematic on page D-9 does not make any sense to me. The way it is wired will always give 5 volts no matter what position the switch is place in. The ground or signal line must be drawn in the wrong place. I think it is supposed to be a simple voltage divider.
Thank you for any help you can provide,
Fred
The transfer case motor is the same as a Dorman 600-899.
I did find a set pf schematics here:
https://www.gmupfitter.com/files/media/photo/87/2007_LD_ElectricalPickupsChassisCabs.pdf
I would like to find a set of trouble shooting guides that will help me detect what is wrong, like bad grounds or broken wires. Simply knowing what conditions need to be set; like the key on and the switch in 2H. I should see such and such voltages on what pins. My scanner does not show any codes, but it is a Launch CRP123 CReader professional and may not show all the codes.
The switch schematic on page D-9 does not make any sense to me. The way it is wired will always give 5 volts no matter what position the switch is place in. The ground or signal line must be drawn in the wrong place. I think it is supposed to be a simple voltage divider.
Thank you for any help you can provide,
Fred
Mar 11, 2020 at 8:10 AM


















