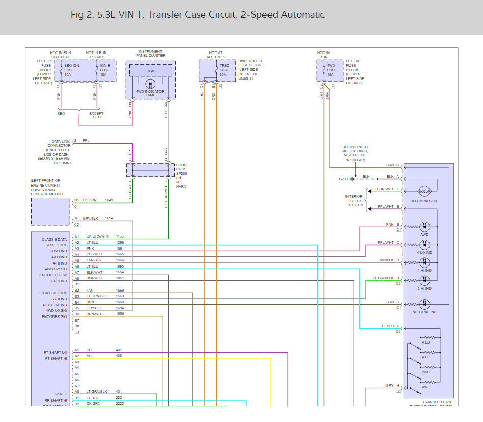
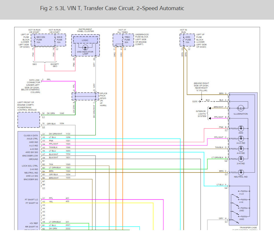
Service four wheel come on and stays on. Four wheel will not work. I have replaced control switch and front axle shift actuator. Code c0379 comes up. help please!
Apr 10, 2019 at 4:36 PM

