Serpentine belt

1990 MITSUBISHI ECLIPSE
162,000 MILES • 2.0L • 4 CYL • 2WD • AUTOMATIC
Avatar
PATRICIA WHITE
  • MEMBER
  • 1 POST
What is the length of my what is the length of my serpentine belt?
May 15, 2017 at 12:49 AM
Advertisement
Avatar
STEVE W.
  • CERTIFIED EXPERT
  • 15,113 POSTS
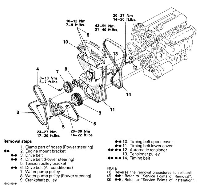
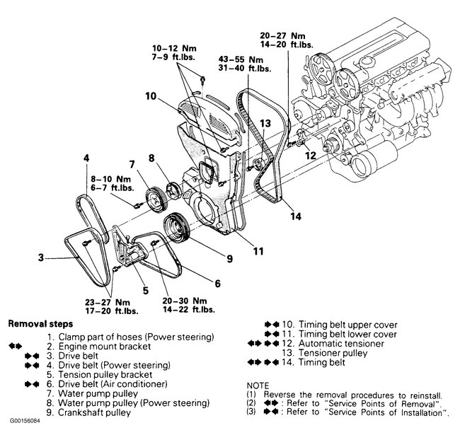
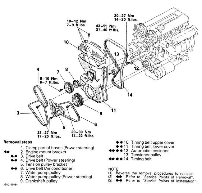
Well it looks like you have a few options as it uses multiple belts. If you have one belt that is failing you would be better off changing all three just to avoid trouble from the ones you did not replace.

Length wise the belt that drives the AC (6) is 945mm long the one that drives the alternator and water pump (3) is 990mm long. The V belt that drives the power steering (4) is 673mm.



May 15, 2017 at 4:41 AM