Serpentine belt diagram needed?

2006 VOLKSWAGEN BEETLE
80,000 MILES • 2.5L • 5 CYL • 2WD • AUTOMATIC
Avatar
CDSHAWN
  • MEMBER
  • 2 POSTS
I'm trying to replace my serpentine belt. I cannot find the exact diagram needed. The belt fell off before so I couldn't retrace the setting. Please help.
Mar 16, 2023 at 5:48 PM
Advertisement
Avatar
STEVE W.
  • CERTIFIED EXPERT
  • 15,113 POSTS
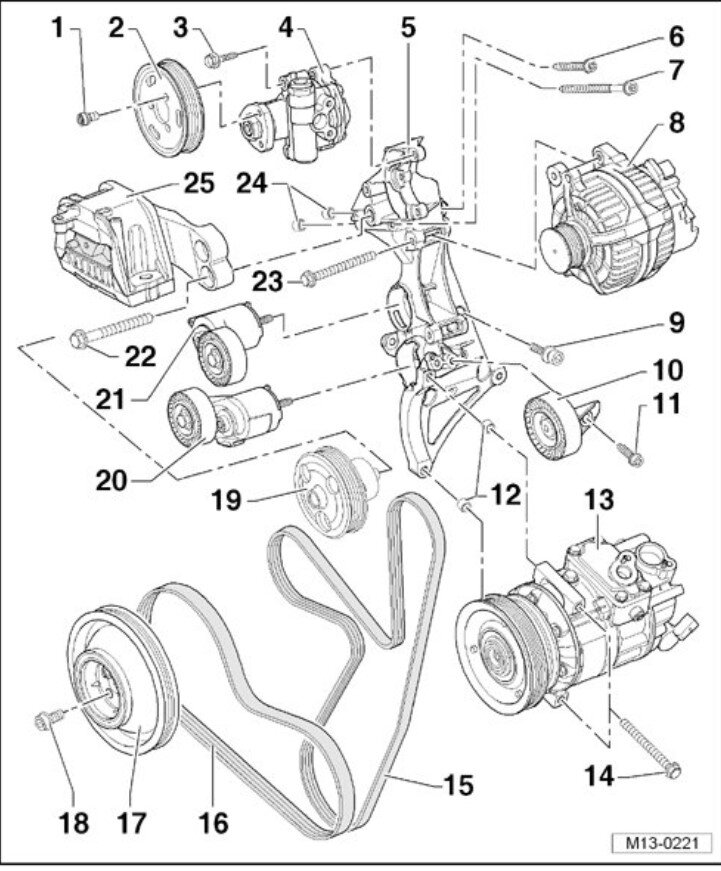
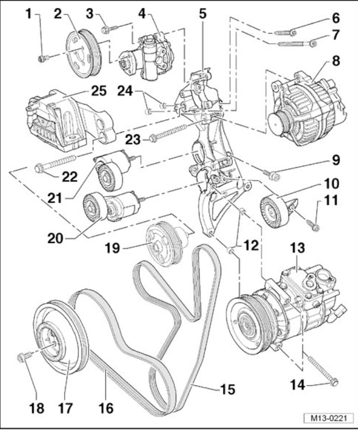
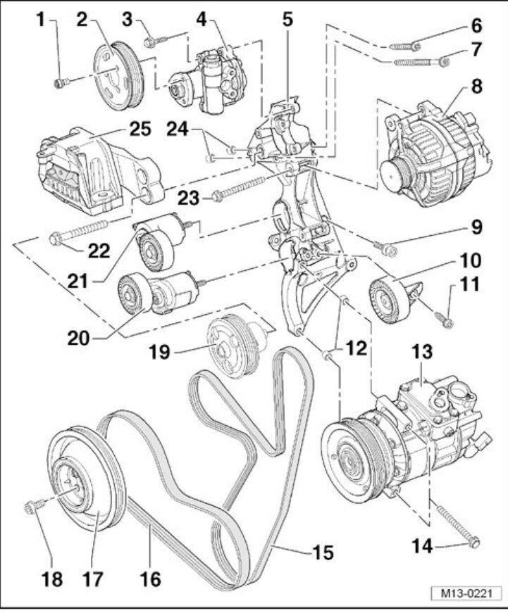
This should be the diagram for both belts. The outer belt goes from the crankshaft to the A/C pulley. Then the belt that powers all the rest drives off of the A/C pulley. If the belt fell off, then I would look for a reason that it came off. Could be a bad tensioner or damaged accessory item. Then replace the belts.
Mar 16, 2023 at 6:53 PM
Avatar
CDSHAWN
  • MEMBER
  • 2 POSTS
Thank you.
Mar 17, 2023 at 5:39 AM
Advertisement
Avatar
STEVE W.
  • CERTIFIED EXPERT
  • 15,113 POSTS
You're welcome.
Mar 17, 2023 at 6:28 AM