Electrical issues when the headlights are turned on

2006 MERCEDES BENZ C230
115,000 MILES • 2.5L • V6 • 2WD • AUTOMATIC
Avatar
CALVIN WONG
  • MEMBER
  • 2 POSTS
When ever the headlights turn on the dashboard comes up with check coolant level and windshield level. Also, the outside temperature goes to 185F to 44F back and forth. But when the headlights are not turned on it is fine.
Jan 19, 2018 at 3:43 PM
Advertisement
Avatar
STRAILER
  • CERTIFIED EXPERT
  • 53,854 POSTS
Hello,

It sounds like you have problem with the front or rear SAM module I would disconnect the battery and then locate the electrical connector and remove them to check for corrosion.

Also, check the fuses because the SAM units use many fuses to work the system. # 16, 14, 13, 12, 10, 4 ,2 ,1 and 7.

Here is a guide to help us get started:

https://www.2carpros.com/articles/how-to-check-a-car-fuse

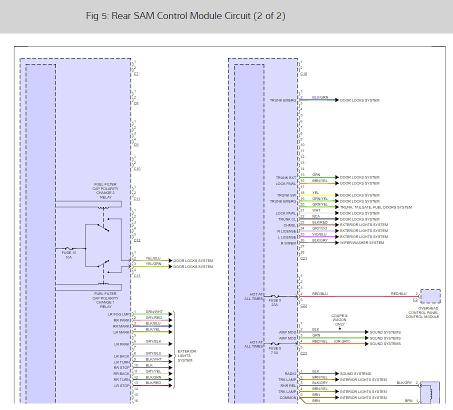
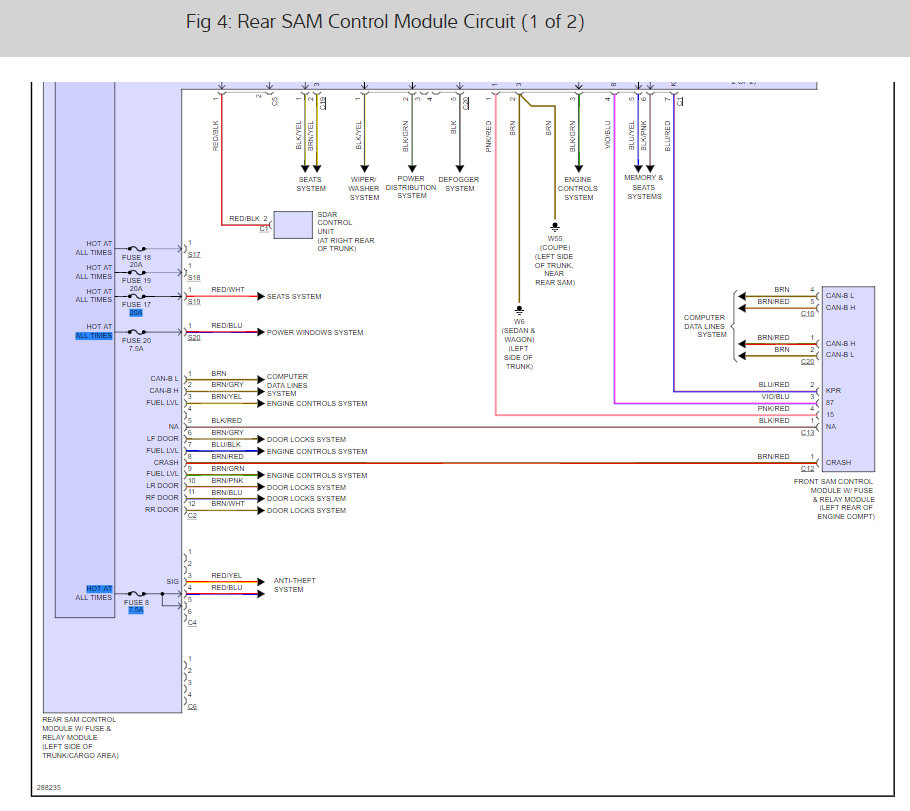
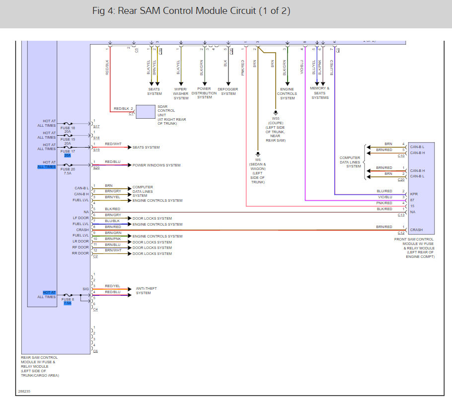
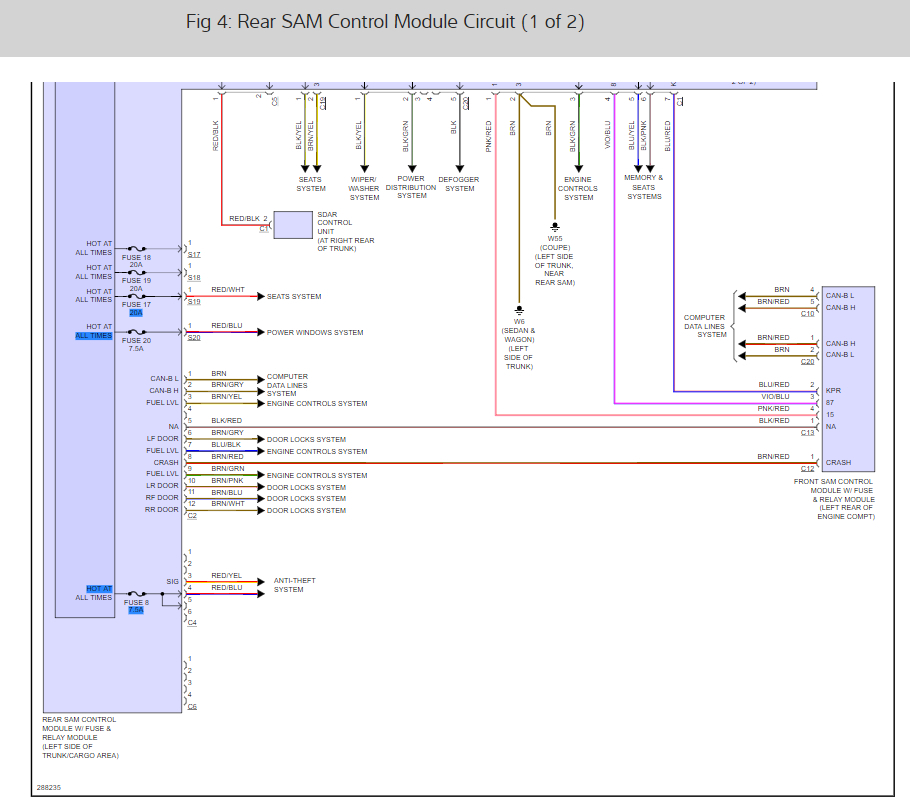
Here are the SAM module locations and the wiring diagrams so you can see how the system works along with the fuse panel locations and identifications. You can follow this guide to check the wiring before you replace the SAM modules. This will need to be done by the dealer or a shop because they will need to be programmed.

https://www.2carpros.com/articles/how-to-check-wiring

Check out the diagrams (below).

Please let us know what you find. We are interested to see what it is.

Cheers, Ken
Jan 21, 2018 at 1:55 PM
Avatar
CALVIN WONG
  • MEMBER
  • 2 POSTS
Wow never knew I got a response. I am going to check and give an update. Also what is the rough estimate of programming SAM modules?

Thanks
Feb 28, 2018 at 12:29 PM
Advertisement
Avatar
STRAILER
  • CERTIFIED EXPERT
  • 53,854 POSTS
Was the notification email lost in your spam filter? Please let me know how you found out you had a response?

A BMW shop will need to do the reprogramming which will cost about $230.00

Please let us know what happens.

Cheers, Ken
Mar 1, 2018 at 12:29 PM