All of a sudden it acted like it was running out of gas and shut off, but it had gas in it, sensor ground issues?

2000 DODGE DAKOTA
150,000 MILES • 5.9L • V8 • 4WD • AUTOMATIC
Avatar
JOHNHENRY77
  • MEMBER
  • 7 POSTS
It was running fine and out of nowhere it acted like it was running out of gas and shut off, but it had gas in it. I noticed after it quit running that my gauges were not working, and the fuel pump wasn't working. It also had No BUS pop on where the odometer is located. I checked all fuses and relays, and all were good, so I started checking the wiring for any breaks or burns and when I got to the coolant temperature sensor, I grab the connecter and it and the part of the temperature sensor that the connecter plugs into came off into my hand. When that happened, I was fooling with it and one of the two wires touched the back of the alternator housing which is ground, and everything came on like it was supposed to do. I can run a wire to the sensor ground wire to a ground on the engine or to the ground on the battery and everything will work fine but I want to find the problem that is keeping the sensor ground from working like it should. The wire I'm referring to is black/with light blue stripe. I checked continuity with my voltmeter from the PCM to the coolant temperature sensor and it has continuity. When I check for voltage on one of the sensors mounted to the throttle body (TPS or IAC) the purple/with white stripe (+) and the black/with light blue stripe (-) it has 5 volts with the key on and without me connecting a ground, but nothing comes on and no bus still comes up. But as soon as I touch the ground to the sensor ground wire everything works, and it runs like it should with the no bus gone off also. What could be causing this to happen?
Aug 21, 2022 at 3:00 AM
Advertisement
Avatar
STRAILER
  • CERTIFIED EXPERT
  • 53,854 POSTS
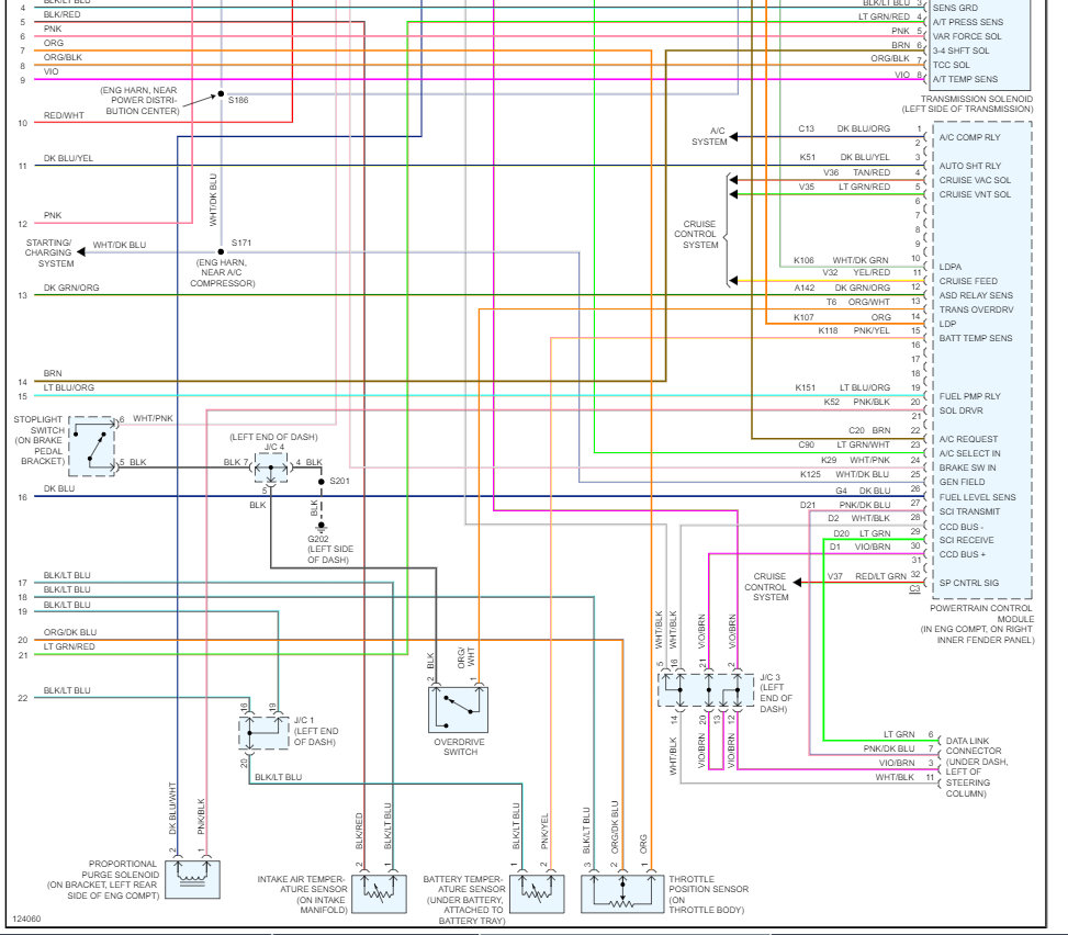
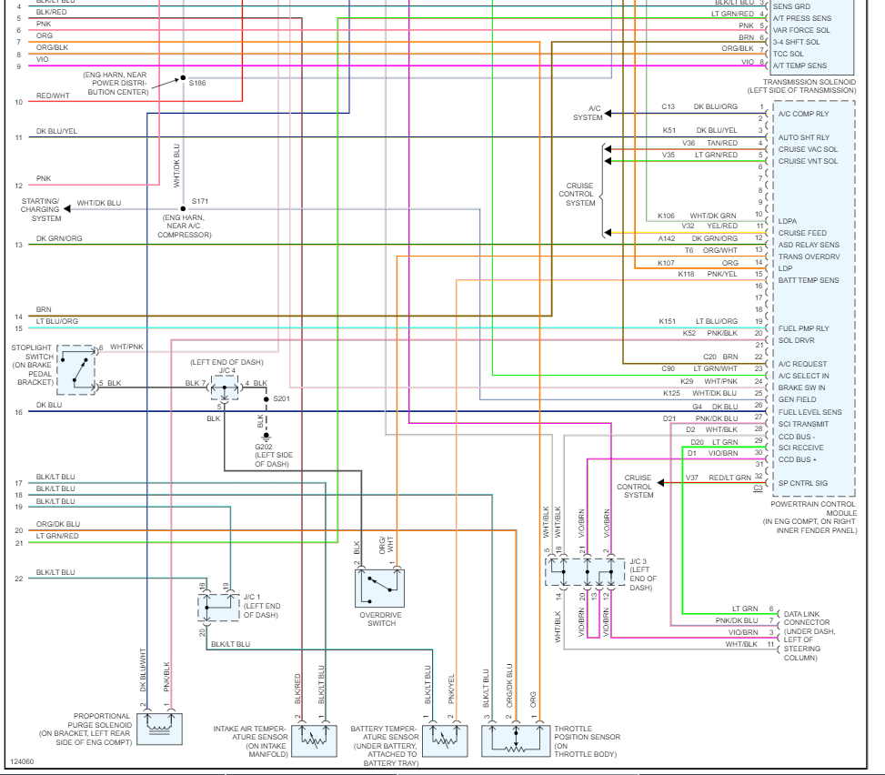
It sounds like one of the grounds for the PCM is not working and then when you back feed a ground to the computer everything comes back to life. I would start by checking the PCM grounds. here is the PCM wiring diagrams so you can check it out to see what you find let me know and a guide on how to check the ground connections in case you need it.

https://www.2carpros.com/articles/how-to-check-wiring

Check out the diagrams (below). Please let us know what you find. We are interested to see what it is.



Aug 21, 2022 at 1:10 PM