Seemingly Random Electrical Issues?

2006 BUICK LUCERNE
123,000 MILES • 3.7L • 6 CYL • 2WD • AUTOMATIC
Avatar
DSCHWINDT
  • MEMBER
  • 49 POSTS
Just recently my car has been doing the following, but only on occasion:

1. When I turn the key to the ON position, the normal functions activate as expected, but when I turn the key to start the car, nothing happens. No sound, no attempt to start, nothing.
2. While the key is in the ON position but the car is unable to start, three warning lights appear on the dash. The anti-slip/hydroplane light, the ABS light, and the red 'BRAKE' light.
3. Then, after I try starting the car a few times, eventually the car reacts to me turning the key and the car starts. I do not know why the car won't start sometimes and sometimes it does. I don't change anything that I am aware of.
4. However, when the car starts, the three dash lights mentioned earlier are still on, the vents blow air but the A/C doesn't work, and the gear indicator on the dashboard (PRND) does not respond to me shifting gears. So, I am able to shift to reverse or drive and the transmission functions correctly, but the lights on the dashboard do not reflect this change. The gear indicator remains on 'Park'.
5. Then, if I begin to drive the vehicle with all the aforementioned problems, soon I get a dashboard warning saying 'Service Brake Assist'
6. Soon after the 'Service Brake Assist' light goes away, then the following things occur:
- The door locks engage
- The A/C begins working
- The dash lights go away
- The gear indicator updates and correctly shows which gear the vehicle is in

Then the vehicle drives normally for the duration of the trip. However, the next time I start the car, the same problem may or may not recur. Are you able to help me with this problem?
Jul 20, 2025 at 8:20 PM
Advertisement
Avatar
STRAILER
  • CERTIFIED EXPERT
  • 53,854 POSTS
Yep, it sounds like there is a problem in the CAN, either the PCM or BCM is going out, either way you need to do a CAN scan which this video can show you how, then we can gather the codes and go from there:

https://youtu.be/u-4syLc-ifQ

Also, you might want to try and do a hard computer system reboot, this guide can help with that:

https://www.2carpros.com/articles/step-by-step-guide-performing-a-hard-system-reboot-for-your-vehicles-electronics-systems

This can be the internal mode switch inside the transmission can be going bad and shorting out which may affect these other systems. Please go over these guides and get back to us.
Jul 21, 2025 at 1:37 PM
Avatar
DSCHWINDT
  • MEMBER
  • 49 POSTS
So I bought a Launch scanner and scanned my car. I couldn’t find anything about a PCM or BCM showing errors. I’ve attached a photo of the scanner details. However, I did perform a hard computer reboot before I scanned. Is it possible the hard reboot fixed everything? I haven’t driven the car yet to verify, but I’m wondering if that’s even possible.
Jul 31, 2025 at 4:51 PM
Advertisement
Avatar
STRAILER
  • CERTIFIED EXPERT
  • 53,854 POSTS
Hmm, the hard reboot could have fixed, it I would drive the car to see what happens.
Aug 1, 2025 at 8:47 AM
Avatar
DSCHWINDT
  • MEMBER
  • 49 POSTS
I’ve driven the car about 6 separate times by now, and there haven’t been any more electrical issues.
Aug 2, 2025 at 12:20 PM
Avatar
STRAILER
  • CERTIFIED EXPERT
  • 53,854 POSTS
Yes! the reboot to the rescue.!! Thanks for letting us know, we are here to help, please use 2CarPros anytime.
Aug 3, 2025 at 11:19 AM
Avatar
DSCHWINDT
  • MEMBER
  • 49 POSTS
Well, that didn’t last long. The electrical errors have returned and they are worse than ever. Currently, the car won’t start and the CAN scanner cannot connect to the vehicle. I am getting the following error when running the diagnostics.
Aug 6, 2025 at 5:29 PM
Avatar
DSCHWINDT
  • MEMBER
  • 49 POSTS
I just rebooted the car again, but nothing has changed. Still won’t start.
Aug 6, 2025 at 6:27 PM
Avatar
STRAILER
  • CERTIFIED EXPERT
  • 53,854 POSTS
This is common when the BCM goes out. I would, search ebay to find a preprogrammed unit you can swap it out with. Here is the location. Check out the images (below). Let us know how it goes
Aug 7, 2025 at 6:18 PM
Avatar
DSCHWINDT
  • MEMBER
  • 49 POSTS
I replaced the BCM, but that has not solved the problem. I also rebooted the computer after it was installed. Today while driving, I noticed the tachometer and speedometer froze at a certain point so that my RPMs were 1900 and my speed was 39 when I was stopped at a red light. However, all the aforementioned errors and these new ones are intermittent. They happen on and off as I drive, and when I got home my car wouldn’t start again.
Aug 18, 2025 at 6:56 PM
Avatar
STRAILER
  • CERTIFIED EXPERT
  • 53,854 POSTS
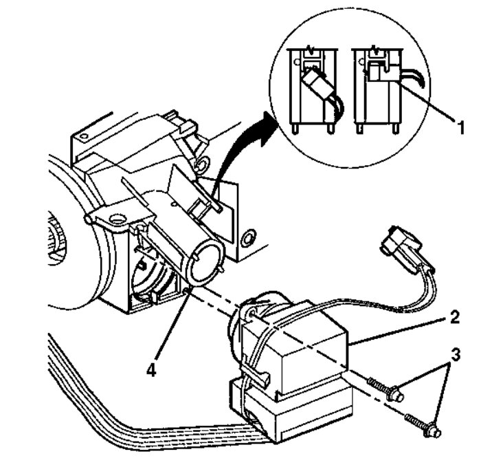
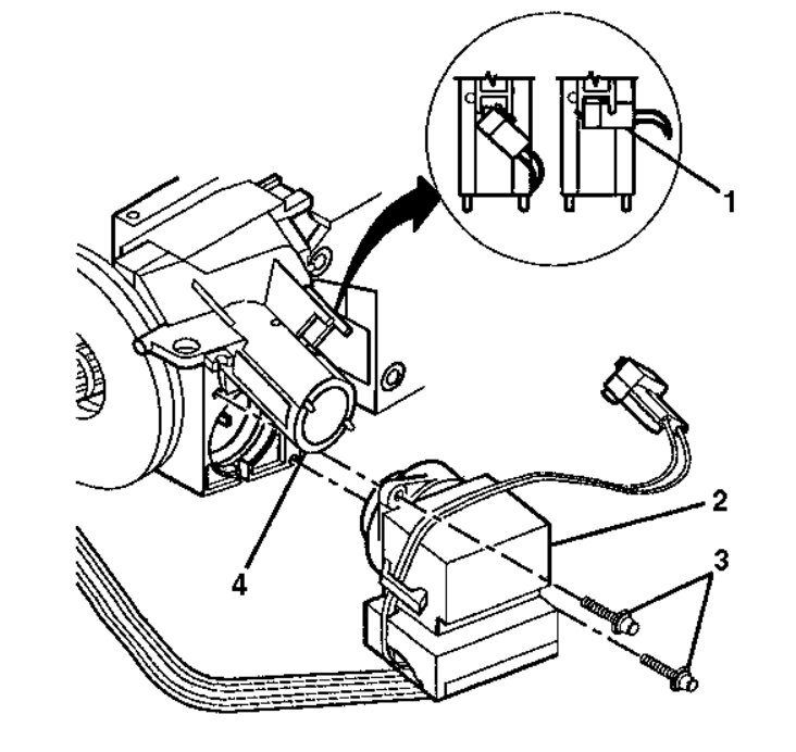
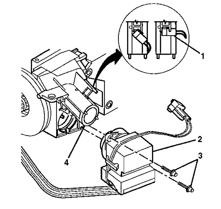
I am sorry, with this new information it looks like the PCM is going out. With a more high end scanner it might have picked that up, the problem is when you reboot the car the computer works okay until it heats up. Here is the location of the PCM. You will need to remove the air filter housing to get to it. Check out the images (below). Please let us know what happens.
Aug 18, 2025 at 7:24 PM
Avatar
DSCHWINDT
  • MEMBER
  • 49 POSTS
I replaced the PCM, and the same thing is happening. I haven’t rebooted the computer since replacing the PCM. I plan to do that later when I have time, but just keeping you updated. Let me know if you have any input.
Sep 1, 2025 at 10:45 AM
Avatar
STRAILER
  • CERTIFIED EXPERT
  • 53,854 POSTS
Does the canner still not connect?
Sep 2, 2025 at 7:28 PM
Avatar
DSCHWINDT
  • MEMBER
  • 49 POSTS
The first image shows the final screen before it switches to the second photo. Is that showing that it connects or no?

Also, are you thinking the PCM replacement changed anything? I get free returns, so just seeing if I should return it or not.
Sep 7, 2025 at 4:12 PM
Avatar
STRAILER
  • CERTIFIED EXPERT
  • 53,854 POSTS
Yep, there are no codes in the ECU, but I don't think that is a CAN scanner. Also, we might be barking up the wrong tree, it can be the ignition switch. Lets get a CAN scan done

https://youtu.be/u-4syLc-ifQ

and here is a guide to help check for power output of the ignition switch, test for power at the white, pink and brown wire with the key on. Here is the guide and the switch location.

https://www.2carpros.com/articles/how-to-use-a-test-light-circuit-tester

Check out the images (below). Please let us know what happens.
Sep 8, 2025 at 10:45 AM
Avatar
DSCHWINDT
  • MEMBER
  • 49 POSTS
Okay, I will look into those things. As the issues are intermittent, do I need to wait until the car is exhibiting the issues before testing for power at the ignition switch?
Sep 8, 2025 at 11:01 AM
Avatar
STRAILER
  • CERTIFIED EXPERT
  • 53,854 POSTS
Yes, when it is failing is best to run the test. Great question :)
Sep 8, 2025 at 11:25 AM
Avatar
DSCHWINDT
  • MEMBER
  • 49 POSTS
https://www.amazon.com/dp/B073GW5MTS?ref=ppx_yo2ov_dt_b_fed_asin_title

This is the scanner that I own. Is this not the same one in the link of the YT video you sent? It looks the same to me.

Also, I got the image of the ignition switch location. You mentioned a 'guide'. Did you intend to send a guide as well?
Sep 8, 2025 at 4:18 PM
Avatar
STRAILER
  • CERTIFIED EXPERT
  • 53,854 POSTS
Yep, I forgot to add the guide which is:

https://www.2carpros.com/articles/how-to-use-a-test-light-circuit-tester

I went over the scanner you have and it does not scan the CAN system which included the BCM and HVAC systems. I would check the ignition first and if it is not he problem go for the CAN scan.

This is the next level up scanner the does the BCM for $169.00

https://amzn.to/3I7T9nk

Let us know how it goes.
Sep 8, 2025 at 5:12 PM
Avatar
DSCHWINDT
  • MEMBER
  • 49 POSTS
Okay, well I purchased the scanner that was linked in the YT video, so I’m stuck with this one now. Not sure I want to pay for another scanner.

Also, now that we’re considering the ignition switch, perhaps I should mention another thing my car does. My car routinely thinks the key is in the ignition when it is not. When I pull out the key and open the door, the door chimes as if the key is in the ignition. Usually, if I put the key back in and jiggle it a couple times the chime stops. Does this make you think the ignition switch is faulty?
Sep 9, 2025 at 4:13 PM
Avatar
DSCHWINDT
  • MEMBER
  • 49 POSTS
Here is the ignition switch. The guide you sent shows how to use a test light (which I have), but it didn’t say anything about how to use it for my situation. I assume different wires should be receiving power depending on what position the key is in. How can I use the test light to verify my problem?

Thank you for your continued assistance.
Sep 9, 2025 at 5:12 PM
Avatar
STRAILER
  • CERTIFIED EXPERT
  • 53,854 POSTS
Nice work, please test for power at the white, pink and brown wire with the key on. Use the test light.
Sep 10, 2025 at 9:49 AM
Avatar
DSCHWINDT
  • MEMBER
  • 49 POSTS
Are you getting my messages? I've sent a couple and now I don't see them in the thread
Oct 9, 2025 at 9:22 AM
Avatar
STRAILER
  • CERTIFIED EXPERT
  • 53,854 POSTS
Sorry, the site had problem and we lost some data but it is fixed now, can you please repost?
Oct 9, 2025 at 10:16 AM
Avatar
DSCHWINDT
  • MEMBER
  • 49 POSTS


My car has two ON key positions not including the OFF position. I will note whether each wire is receiving power at each position.

White:

This wire is receiving power when the key is OFF. It only receives power when the key is in the ignition and in the OFF position. It is not receiving power when the key is in either ON position.

Brown:

This wire is not receiving power when the key is in the OFF position. It is receiving power when the key is in either the first or second ON positions.

Pink:

This wire is not receiving power when the key is in the OFF position. It is not receiving power when the key is in the first ON position. It is only receiving power when the key is in the second ON position.

I ran this test initially when my car was malfunction and unable to start. I now ran the test again when my car is able to start, and I got the same results. What are your thoughts on the results?
Oct 11, 2025 at 3:04 PM
Avatar
STRAILER
  • CERTIFIED EXPERT
  • 53,854 POSTS
Sorry for the delay. Here is a wiring diagram so you can see what wire should be hot when. Check out the images (below). Let us know how it goes
Oct 14, 2025 at 12:05 PM
Avatar
DSCHWINDT
  • MEMBER
  • 49 POSTS
I understand the diagram to say the following:

Brown should receive power only when the key is in the ACC and RUN positions.

For my car, brown receives power in these two positions but also when the key is in the START position.

Pink should receive power only when the key is in the RUN and START positions. This is accurate to my vehicle.

White should receive power when the key is in the OFF, RUN, and START positions.

For my car, white only receives power when the key is in the OFF position.

Could you confirm whether I am reading the diagram correctly?
Oct 16, 2025 at 5:14 PM
Avatar
STRAILER
  • CERTIFIED EXPERT
  • 53,854 POSTS
White should have power in the start and run position, it looks like the ignition switch is bad, you have found the issue.
Oct 17, 2025 at 5:49 PM
Avatar
DSCHWINDT
  • MEMBER
  • 49 POSTS
Okay, I’ll look into getting that replaced. Do I need to replace the whole cylinder or is the linked part sufficient to replace?

https://www.walmart.com/ip/Ignition-Switch-Compatible-with-2006-2011-Buick-Lucerne-2007-2008-2009-2010/1953954588
Oct 18, 2025 at 10:24 AM
Avatar
STRAILER
  • CERTIFIED EXPERT
  • 53,854 POSTS
That is the part to change all righty.
Oct 18, 2025 at 12:33 PM
Avatar
DSCHWINDT
  • MEMBER
  • 49 POSTS
That didn’t solve the problem either. I noticed the issue is triggered most commonly when I start the car when the engine is already hot. This sort of intermittent electrical issue reminds me of a faulty ground I had on another car. Do you think the problem could be a loose ground?
Nov 4, 2025 at 4:02 PM
Avatar
STRAILER
  • CERTIFIED EXPERT
  • 53,854 POSTS
I though you testing through the ignition switch and you didn't have power to the wires it was suppose to, do you have power now with the switch on?
Nov 6, 2025 at 8:49 AM
Avatar
DSCHWINDT
  • MEMBER
  • 49 POSTS
Yes, the car works properly now almost always, but the problem still occurs sometimes when I start the car when the engine is already hot. Is it possible this is a grounding issue? I can check the grounds, but I’m not sure if that’s a possibility.
Dec 22, 2025 at 8:34 AM
Avatar
STRAILER
  • CERTIFIED EXPERT
  • 53,854 POSTS
Yes, a bad ground to the engine and then to the chassis can cause this issue, I would make sure the grounds are all good.
Dec 22, 2025 at 10:56 AM