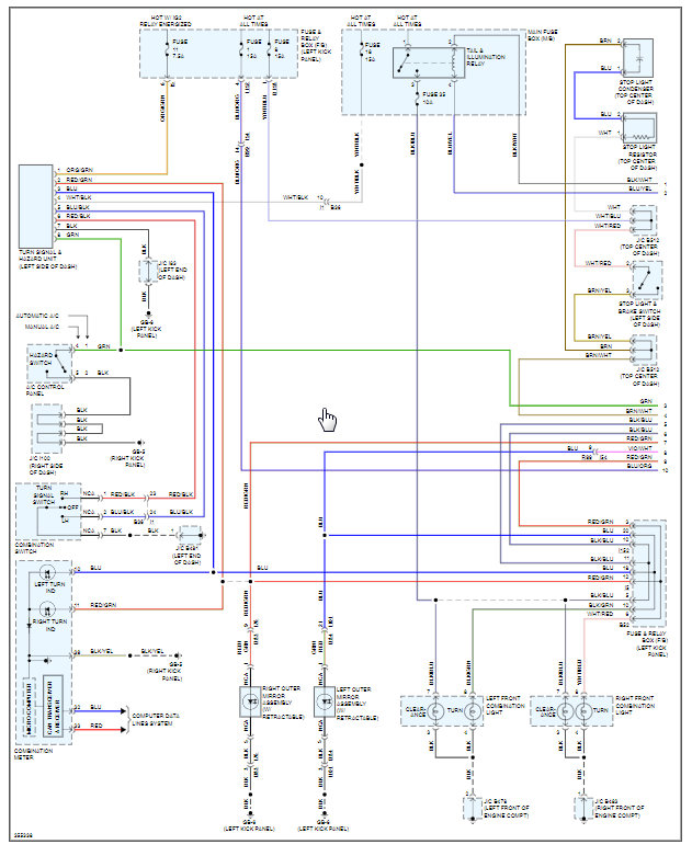
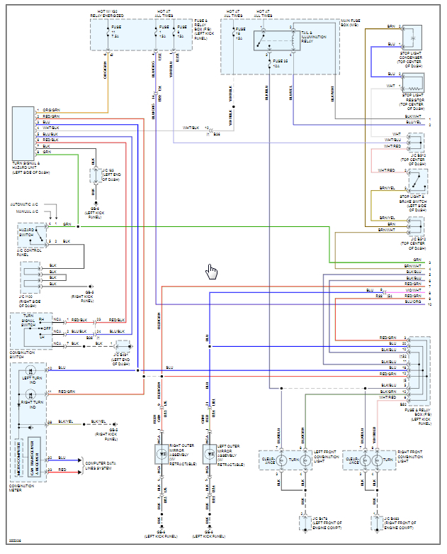
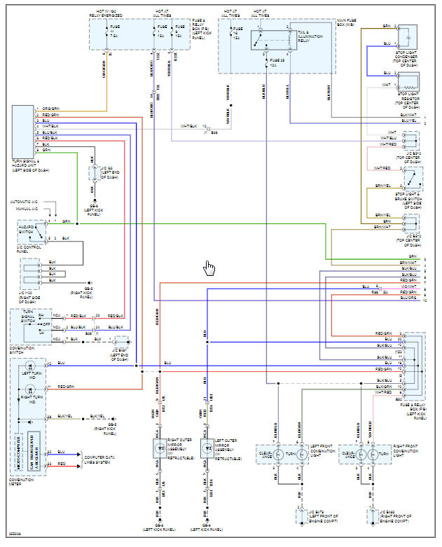
Whenever I start my vehicle, the blinkers flash for 30 seconds, or so. Is something wrong with the security system? The key fob works fine, and I have no problem getting the engine to start.
Aug 25, 2020 at 8:41 PM
