Does the security system shut off the fuel?

1993 NISSAN PATHFINDER
100,000 MILES • 3.0L • 6 CYL • 4WD • MANUAL
Avatar
GARY-GLENDA ASAY
  • MEMBER
  • 1 POST
security system.
Jul 31, 2024 at 12:28 PM
Advertisement
Avatar
JACOBANDNICKOLAS
  • CERTIFIED EXPERT
  • 110,175 POSTS
Hi,

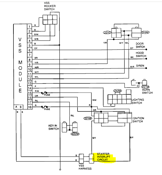
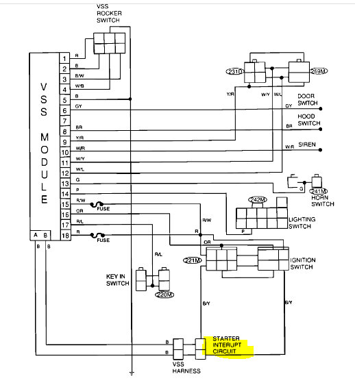
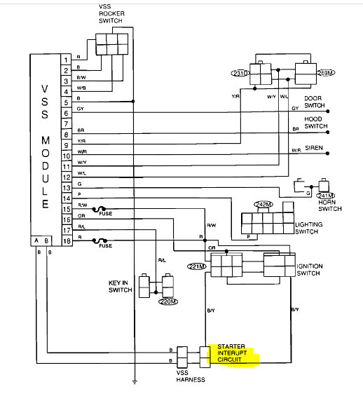
I pulled up the Vehicle Security System (VSS) wiring harness. If you have a factory system, it appears the fuel pump is not affected. From what I am seeing, either the starter won't engage, or it will shut down the ignition system. See pic 1.

I have the diagnostics for the system, but it requires a specialized tool that will likely not be found. However, I have attached the directions below. Maybe if you try locating the tool with the part number provided, you may get lucky.

Explain what is happening. For example, does the engine crank and not start or is nothing happening?

Let me know.

joe

See pics below.
Jul 31, 2024 at 9:07 PM