Security module location

2002 PONTIAC MONTANA
200,000 MILES
Avatar
TRISHA1996
  • MEMBER
  • 13 POSTS
I know the security control module needs to be replaced, but I do not know where it is located. Do you know where it is located in my vehicle?
May 31, 2018 at 12:07 PM
Advertisement
Avatar
STRAILER
  • CERTIFIED EXPERT
  • 53,854 POSTS
Hello.

Here are instructions and diagrams showing the security module:

IMPORTANT: When replacing a theft deterrent control module with an GM Service Parts Operation (SPO) Replacement Part, set up the control module prior to the 10-minute relearn procedure or the 30-minute relearn procedure.

TOOLS REQUIRED
Scan tool

Set Up a New Theft Deterrent Control Module
Use this procedure only if replacing the theft deterrent control module with an GM SPO Replacement Part.
Connect a scan tool to the vehicle.
Turn ON the ignition, with the engine OFF.
With a scan tool, select Setup New VTD Module in the Vehicle Theft Deterrent, Special Functions data list.
Follow the scan tool on-screen instructions.
IMPORTANT:
When replacing a theft deterrent control module with an GM SPO Replacement Part, the module will learn the keys immediately. The existing powertrain control module (PCM) must learn the new fuel continue password when you replace the theft deterrent control module.
When replacing a PCM with a GM SPO Replacement Part, the new PCM will learn the incoming fuel continue password immediately after programming and upon receipt of a password message. Once a password message is received and a password is learned, perform the learn procedure to change this password again. A PCM which had been installed in another vehicle will have learned the fuel continue password of the other vehicle's theft deterrent control module. Perform either the 10-minute relearn procedure or the 30-minute relearn procedure after programming to learn the fuel continue password of the current vehicle's theft deterrent control modules.
When performing either relearn procedure, all previously learned keys will be erased from the theft deterrent control module's memory.
Additional keys may be learned immediately after the first relearn procedure by inserting the additional key and turning the ignition to RUN within 10 seconds of removing the previously learned key.
Use only a master key when performing the first relearn procedure. If you use a valet key first, the theft deterrent control module will not allow additional keys to be learned.
TOOLS REQUIRED
Scan tool
Techline Terminal with current Service Programing System (SPS) software
10-Minute Relearn Procedure
Use this procedure after replacing the following components:
The passkey III (PK3) keys
The theft deterrent control module
The PCM, see Important above
IMPORTANT: If replacing a theft deterrent control module with a GM SPO Replacement Part, perform the procedure to setup a new theft deterrent control module prior to the 10-minute relearn procedure.

Connect a scan tool to the vehicle.
Turn ON the ignition, with the engine OFF.
Insure that all power consuming devices are turned OFF on the vehicle.
With a scan tool, select Request Info. under Service Programming System and follow the scan tool on-screen instructions.
Disconnect the scan tool from the vehicle and connect the scan tool to a Techline Terminal with the current Service Programming System (SPS) software.
On the Techline Terminal, select Service Programming System and follow the Techline Terminal on-screen instructions.
Disconnect the scan tool from the Techline Terminal and re-connect the scan tool to the vehicle.
With a master passkey III key, turn ON the ignition with the engine OFF.
With a scan tool, select Program ECU under Service Programming System.
At this point the scan tool must remain connected for the duration of the 10-minute relearn procedure.
IMPORTANT: On some vehicles the SECURITY telltale maybe illuminated on steady for the duration of the 10-minute relearn procedure.

Observe the scan tool, after approximately 10 minutes the scan tool will display "Programming Successful, Turn OFF Ignition". The vehicle is now ready to relearn the key information and/or the passwords on the next ignition switch transition from OFF to ON.
Turn OFF the ignition and wait 5 seconds .
With a master Passkey III key, start the vehicle. The theft deterrent control module has now learned the key transponder information and the PCM has now learned the fuel continue password.
IMPORTANT: Perform this step ONLY on vehicles with EXPORT configured theft deterrent control modules.

Turn OFF the ignition and wait 15 seconds minimum.
IMPORTANT: Perform this step ONLY on vehicles with EXPORT configured theft deterrent control modules.

With a second master passkey III key, start the vehicle. The theft deterrent control module has now learned the second master Passkey III key transponder information
With a scan tool, clear any DTCs.
30-Minute Relearn Procedure
Use this procedure after replacing the following components:
The passkey III (PK3) keys
The theft deterrent control module
The PCM, see important above
IMPORTANT: This procedure is not available on vehicles equipped with option code (Z49 or BAE).

If replacing a theft deterrent control module with an GM SPO Replacement Part, perform the procedure to setup a new theft deterrent control module prior to the 30-minute relearn procedure.

With a master passkey III key (Black), turn ON the ignition, with the engine OFF.
Observe the Security telltale, after approximately 10 minutes the telltale will turn off.
Turn OFF the ignition, and wait 5 seconds .
Repeat steps 1-3 two more limes for a total of 3 cycles or 30 minutes .
IMPORTANT: The vehicle learns The key transponder information and/or passwords on the ignition switch transition from OFF to CRANK. You must turn the ignition OFF before attempting to start the vehicle.

With a master passkey III key, start the vehicle. The vehicle has now learned the key transponder information and the PCM has now learned the fuel continue password.
With a scan tool, clear any DTCs.
"For a description of the RPO Code(s) shown in this article or any of the images therein, refer to the RPO Code List found at Vehicle/Application ID".

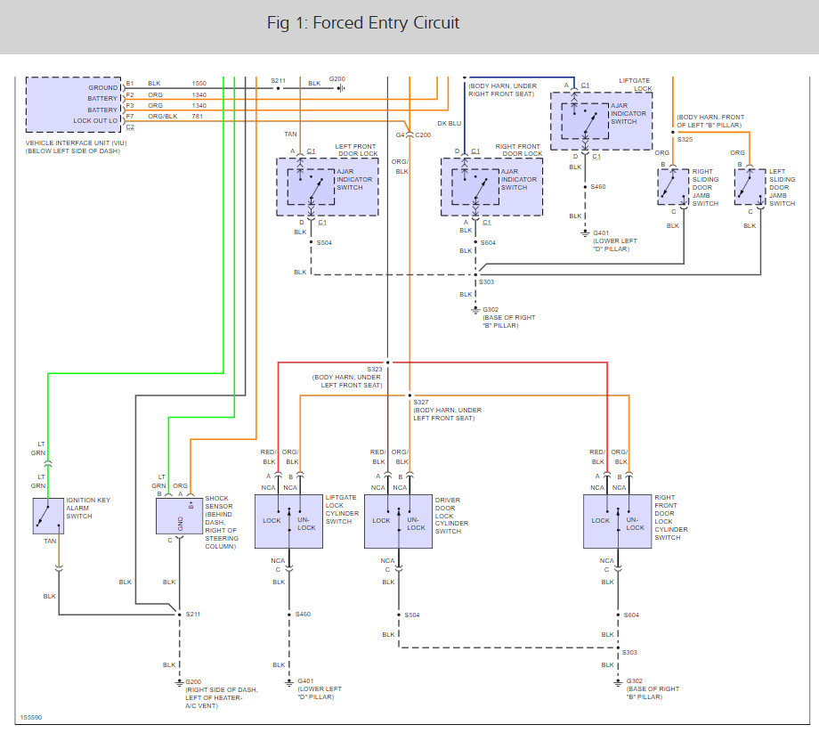
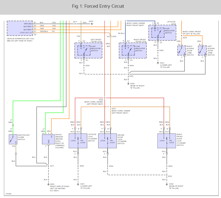
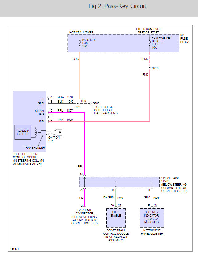
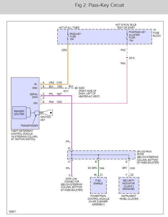
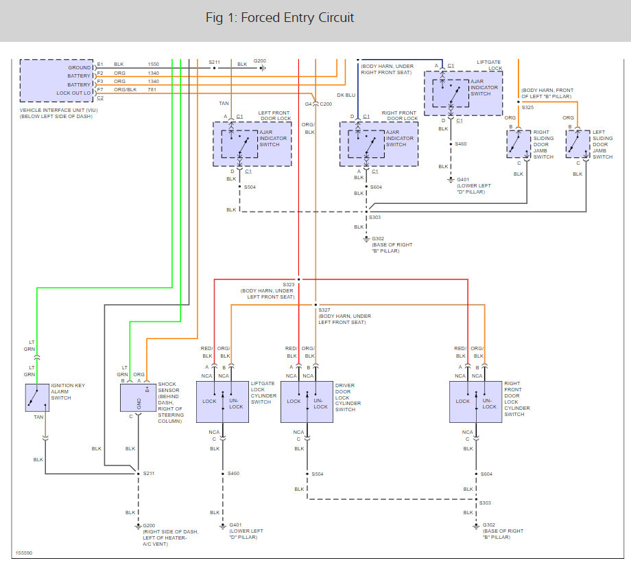
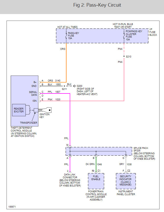
Some of the alarm system is in the BCM here are wiring diagrams for the system so you can see how it works

Check out the diagrams (below). Please let us know what happens.

Cheers, Ken
Jun 2, 2018 at 1:43 PM
Avatar
TRISHA1996
  • MEMBER
  • 13 POSTS
Is there another part to the security system other than the part by the key? Because I have already replaced that and the van still will not start. So I know it is not the pass-key III part that you are showing in the diagram. Is there anything else that could be making the van not start? I have tried everything I can think of.
Jun 2, 2018 at 2:02 PM
Advertisement
Avatar
STRAILER
  • CERTIFIED EXPERT
  • 53,854 POSTS
Does the security light flash when you are trying to start it? Have you checked the Passkey and Passkey PCM fuses?

Here is a guide: https://www.2carpros.com/articles/how-to-check-a-car-fuse

Here are the fuse locations. Check out the diagrams (below). Please let us know what you find. We are interested to see what it is.

Cheers, Ken
Jun 3, 2018 at 11:18 AM
Avatar
TRISHA1996
  • MEMBER
  • 13 POSTS
I have checked all fuses, replaced the key cylinder, key switch, and passkey III. And sometimes the security light flashes and sometimes it does not, and there will be times that it starts just fine and other times it will not. It tries and it cranks but never fires. I can spray some started fluid to trick it to start but it will not always run. My last thought is it is just the computer as a whole, I have no idea what else it could be. And also there are no codes that come up so I have checked and done everything I could think of and nothing. I am at a complete loss and really hope you have an idea.
Jun 3, 2018 at 3:56 PM
Avatar
STRAILER
  • CERTIFIED EXPERT
  • 53,854 POSTS
Lets try to do a system relearn. Leave the key in the on position until the security light stops flashing should be about thirty minutes, then turn the key off and then restart it within five seconds of turning the key off. Please let me know.
Jun 4, 2018 at 10:07 AM
Avatar
TRISHA1996
  • MEMBER
  • 13 POSTS
I have done that many times and does not do anything.
Jun 4, 2018 at 12:16 PM
Avatar
STRAILER
  • CERTIFIED EXPERT
  • 53,854 POSTS
Can we run the codes to see what comes up?

https://www.2carpros.com/articles/checking-a-service-engine-soon-or-check-engine-light-on-or-flashing



Jun 4, 2018 at 6:39 PM
Avatar
TRISHA1996
  • MEMBER
  • 13 POSTS
I have read the codes multiple times and nothing comes up.
Jun 4, 2018 at 7:18 PM
Avatar
STRAILER
  • CERTIFIED EXPERT
  • 53,854 POSTS
It sound like the BCM has gone bad or the system program has become corrupt. This mean you will need to take it to a shop that can reprogram the security portion of the BCM.
Jun 5, 2018 at 9:25 AM
Avatar
TRISHA1996
  • MEMBER
  • 13 POSTS
Okay, well I have no way to get it anywhere.
Jun 5, 2018 at 10:04 AM
Avatar
STRAILER
  • CERTIFIED EXPERT
  • 53,854 POSTS
Can you get a tow truck? If you know someone that has a truck you can rent a trailer.
Jun 6, 2018 at 9:46 AM
Avatar
TRISHA1996
  • MEMBER
  • 13 POSTS
I do not have the money to do it especially if I do not know for sure that that is what is wrong.
Jun 6, 2018 at 10:16 AM
Avatar
STRAILER
  • CERTIFIED EXPERT
  • 53,854 POSTS
Use this guide to check the wiring and if you have done the relearn and still the security light flashes then it will be the problem.

https://www.2carpros.com/articles/how-to-check-wiring

Let me know.
Jun 6, 2018 at 10:23 AM
Avatar
TRISHA1996
  • MEMBER
  • 13 POSTS
The security light does not flash.
Jun 6, 2018 at 10:24 AM
Avatar
STRAILER
  • CERTIFIED EXPERT
  • 53,854 POSTS
Does the car crank over?
Jun 7, 2018 at 5:03 PM
Avatar
TRISHA1996
  • MEMBER
  • 13 POSTS
It cranks and tries to start but never fires.
Jun 7, 2018 at 6:27 PM
Avatar
STRAILER
  • CERTIFIED EXPERT
  • 53,854 POSTS
Will it run if you use starting fluid?
Jun 7, 2018 at 7:16 PM
Avatar
TRISHA1996
  • MEMBER
  • 13 POSTS
It will start and run for a little bit then shut off.
Jun 7, 2018 at 8:19 PM
Avatar
STRAILER
  • CERTIFIED EXPERT
  • 53,854 POSTS
Can you turn the key to the on position without cranking the engine over you should hear the fuel pump prime for five seconds?
Jun 8, 2018 at 11:52 AM
Avatar
TRISHA1996
  • MEMBER
  • 13 POSTS
Yes, it does that the fuel pump is pretty much brand new. I replaced that thinking it was that first.
Jun 8, 2018 at 6:16 PM
Avatar
STRAILER
  • CERTIFIED EXPERT
  • 53,854 POSTS
It sounds like the BCM is bad. I would try a used one first to see what happens.
Jun 9, 2018 at 10:11 AM