Security light comes on intermittently which causes the car not to start

2012 HOLDEN BARINA
120,000 MILES • 0.6L • 4 CYL • 2WD • AUTOMATIC
Avatar
SOLEMAN1971
  • MEMBER
  • 1 POST
I had car battery replaced.(seems to be around the time the problem started). Recently had key batteries replaced. I been to mechanics, auto electricians locksmiths and every body seems to keep sending me around in circles.
Aug 2, 2021 at 9:54 PM
Advertisement
Avatar
KASEKENNY
  • CERTIFIED EXPERT
  • 18,907 POSTS
More than likely you have an issue in the body controller but here are a few guides that talk about this issue in a little more detail and provide so basic info on how to disable the system:

https://www.2carpros.com/articles/how-to-reset-a-security-system

https://www.2carpros.com/articles/everything-goes-dead-when-engine-is-cranked

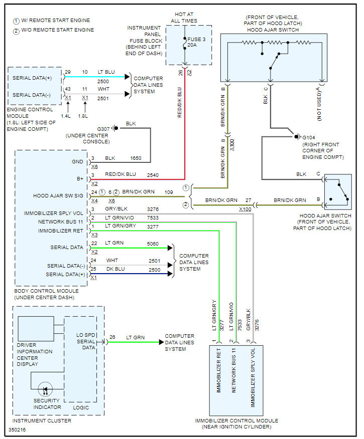
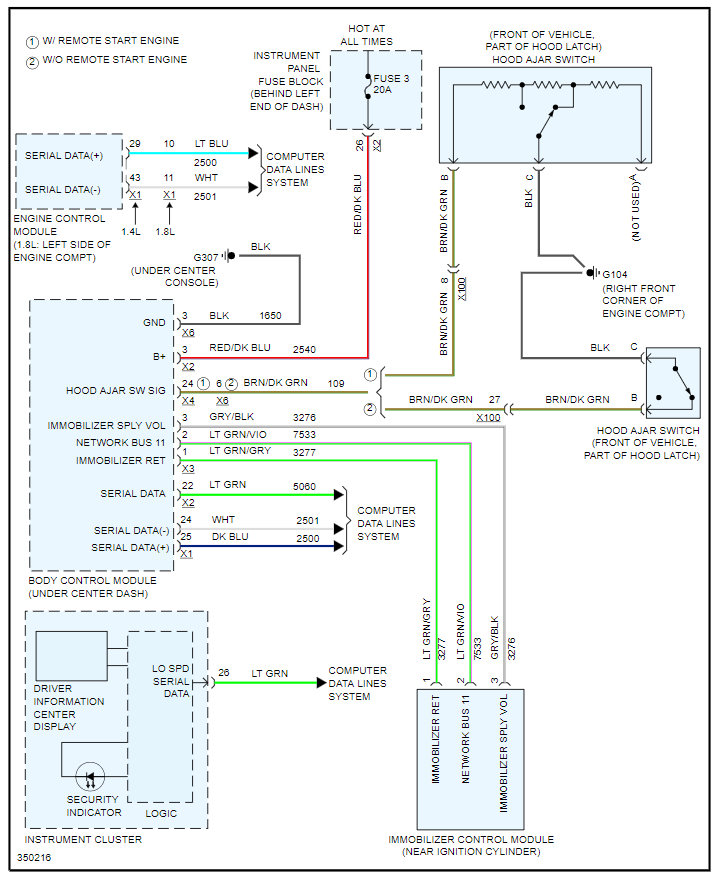
If this all started after a battery replacement then when this theft light is on, we need to interrogate the BCM to find out if the hood ajar switch is faulty or something else along these lines.

We don't have a manual on this specific vehicle as it is not offered here in the USA but this is similar to a Chevrolet version that we do have here so I am providing the wiring diagrams for this below.

Please run through this material and let us know if you have questions.

Thanks
Aug 4, 2021 at 11:07 AM