Security issues

2006 PONTIAC G6
125,000 MILES • 2.4L • 6 CYL • 2WD • AUTOMATIC
Avatar
GMJEFF
  • MEMBER
  • 1 POST
My radio was cut out and the security runs through the radio. Now my car is locked down, the key comes on but it will not turn over. When you hit the key it will not do anything.
Dec 5, 2018 at 10:05 AM
Advertisement
Avatar
STRAILER
  • CERTIFIED EXPERT
  • 53,854 POSTS
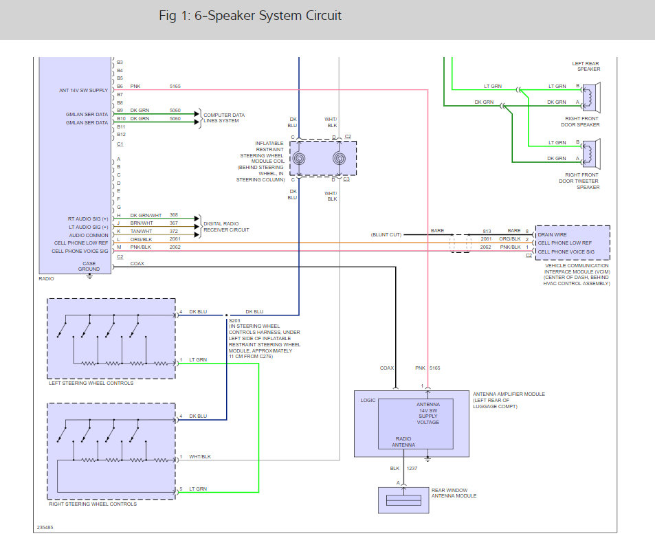
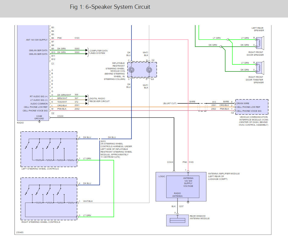
Is the security light flashing? Here are the radio wiring diagrams so you can see how to wire the system backup.

I would try to connect both dark green wires at the radio to see what happens.

Check out the diagrams (below). Please let us know what happens.

Cheers, Ken
Dec 7, 2018 at 9:22 AM