Security system does let the doors lock from inside

2018 HONDA CRV
100 MILES
Avatar
FRANKO BART
  • MEMBER
  • 2 POSTS
Key-less entry systems will not allow doors to lock if fob is inside vehicle. What if you wanted to lock yourself in for safety purposes and you have the fob with you?
May 25, 2018 at 7:47 PM
Advertisement
Avatar
STRAILER
  • CERTIFIED EXPERT
  • 53,854 POSTS
Hello,

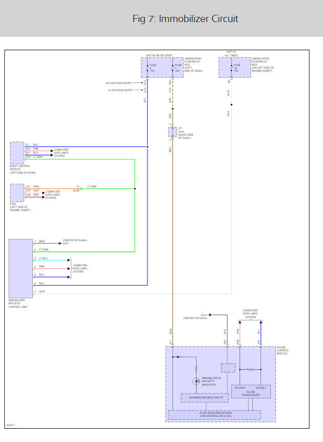
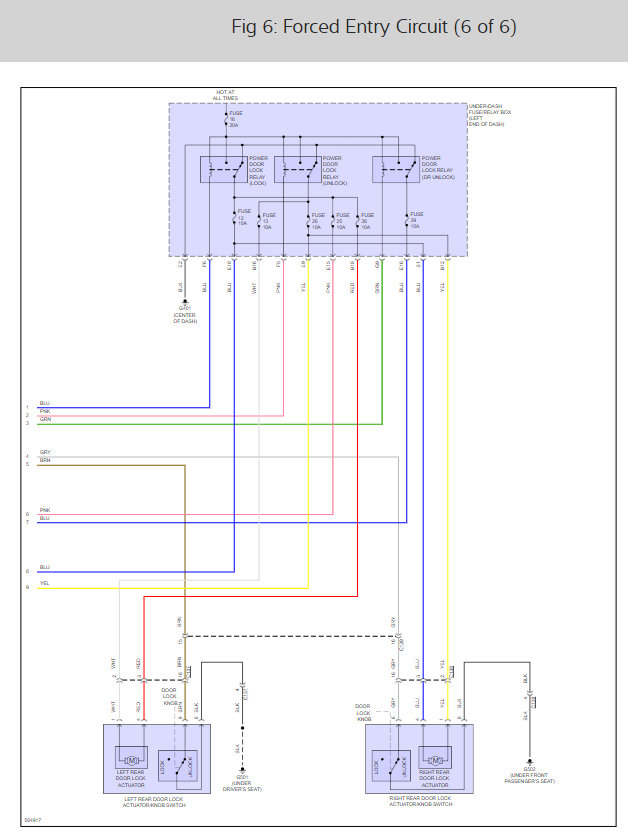
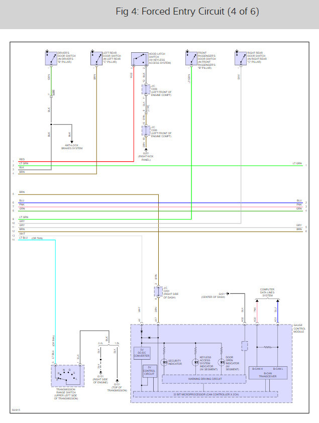
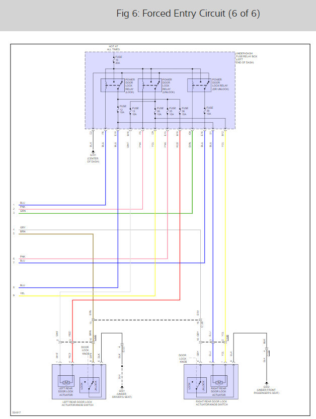
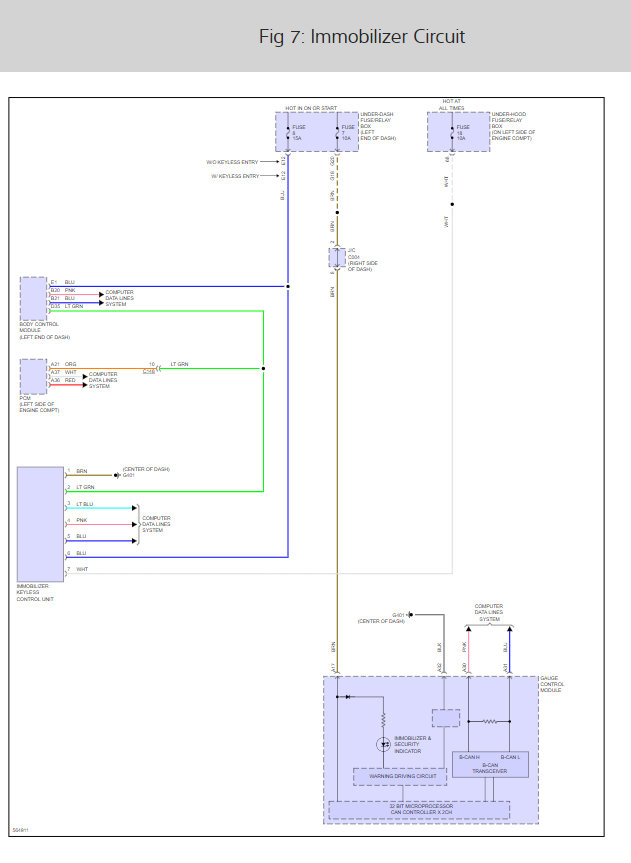
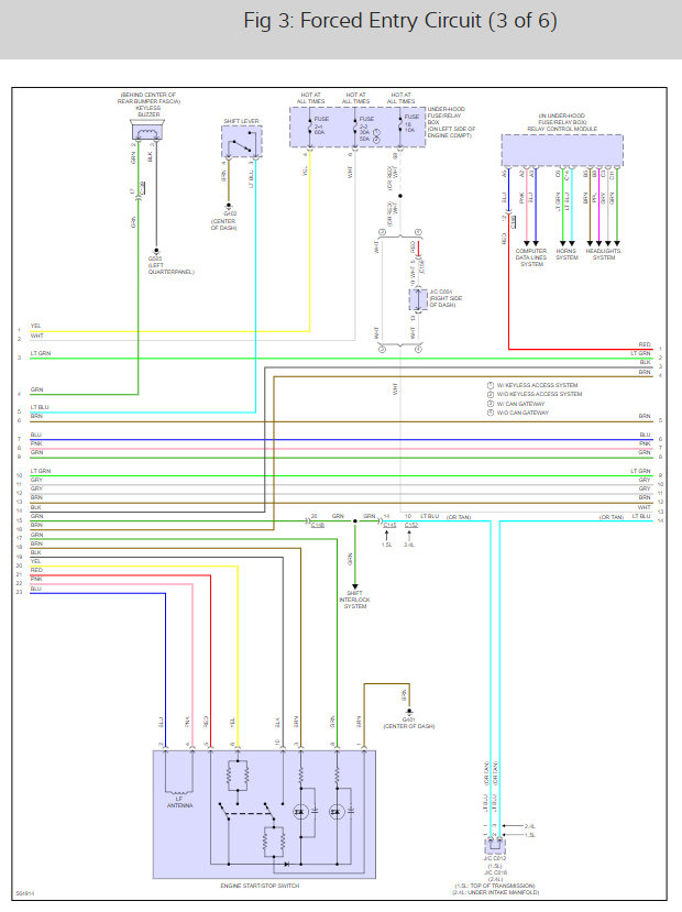
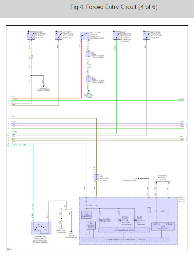
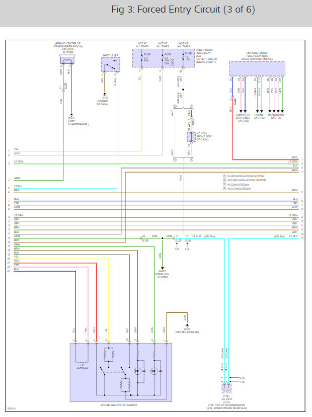
The drivers door switch has a multiplex controller that sounds like is going out. I would start by checking the system fuses first though #28 and 15 in the fuse panel here is a guide to help you get the job done and the fuse locations and security wiring diagrams so you can see how the system works (below).

https://www.2carpros.com/articles/how-to-check-a-car-fuse

Check out the diagrams (below). Please let us know what happens.

Cheers, Ken
May 27, 2018 at 12:47 PM
Avatar
STRAILER
  • CERTIFIED EXPERT
  • 53,854 POSTS
Sorry, here are the fuse box locations and identification.
May 27, 2018 at 12:50 PM
Advertisement
Avatar
FRANKO BART
  • MEMBER
  • 2 POSTS
There is nothing wrong with the locks or the electrical system. This is a 2018 CRV. I would like to know how to keep a potential intruder out of the car if I am inside with the key fob with me.
May 27, 2018 at 1:55 PM
Avatar
STRAILER
  • CERTIFIED EXPERT
  • 53,854 POSTS
There must be an update the car needs for the security system. Does it say anything in the repair manual about mode settings? This new off a car we do not have repair information on it yet about the security system but it sounds like the dealer will do an update or reprogram the security system. Please get back to us on what happens. Sorry I was not more help.
May 28, 2018 at 9:37 AM