Hi,
If the coil checks good, chances are it deals either with the pick-up coil or the amplifier. Here are diagnostics for testing. Do this and let me know what you find.
____________________________
1985 Jaguar XJ-S V12-5.3L
Initial Diagnostic Tests
Vehicle Powertrain Management Ignition System Testing and Inspection Component Tests and General Diagnostics Ignition System Fault Finding Initial Diagnostic Tests
INITIAL DIAGNOSTIC TESTS
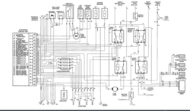
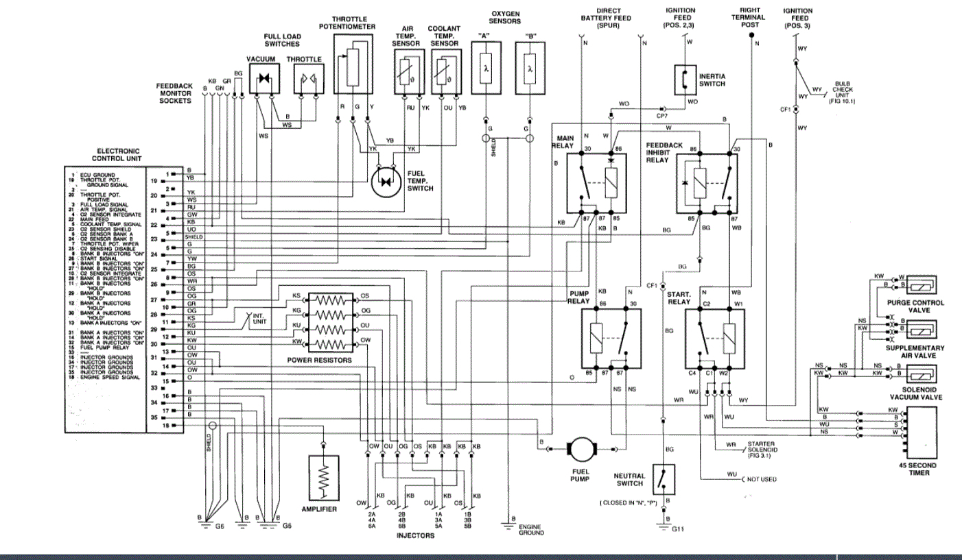
Fig. 1 Lucas twin coil ignition system
pic 1
Test 1
Check battery. A heavy discharge test applied to the battery terminals will determine whether the battery is capable of suppling the heavy currents required by the starter motor.
Check the specific gravity of the electrolyte in each cell. A variation of 0.040 in any cell means the battery is suspect.
Test 2
Check for HT spark. Remove the HT lead from the centre of the distributor cap 'A' and position the end of the lead approximately 6mm (0.25 in] from a good earth point on the engine. Crank the engine and if a spark is obtained, check the HT leads, spark plugs, distributor cap and the rotor. If test is satisfactory reconnect the HT lead.
Test 3
With the ignition switched on. the voltage at the positive terminal of the 'MAIN' HT coil 'C' should be battery voltage. If the voltage is more than a volt below battery voltage check the wiring to/from the ignition switch, check the switch and wiring to/from battery to switch.
Test 4
Disconnect the leads from the negative terminal of the 'MAIN' HT coil. With the ignition switched on a battery voltage reading should be obtained from the HT coil negative terminal. A zero reading would indicate a faulty 'MAIN' coil. If a battery voltage reading is obtained, reconnect the disconnected leads to the 'MAIN' coil and repeat tests 3 and 4 at the auxiliary coil.
If tests are satisfactory reconnect all disconnected leads and switch ignition off.
Fig. 2 Distributor Exploded View
pic 2
Test 5
Disconnect the distributor pick-up leads from the amplifier 'B'. Measure the resistance of the distributor pick-up 'A' with an ohm meter. The resistance should be 2.2 to 4.8 K ohms. An incorrect reading indicates a faulty pick-up coil, If test is satisfactory reconnect the pick-up leads.
Test 6
Connect a voltmeter between the positive terminal of the battery and the negative terminal of the 'MAIN' HT coil. Switch the ignition on, the voltmeter should indicate zero volts. Crank the engine, the voltmeter reading should rise between 2 to 3 volts. If the voltmeter reading remains at zero the amplifier is suspect.
Let me know if this helps or if you have other questions.
Take care and God Bless,
Joe
Images (Click to enlarge)
Mar 9, 2021 at 6:07 PM