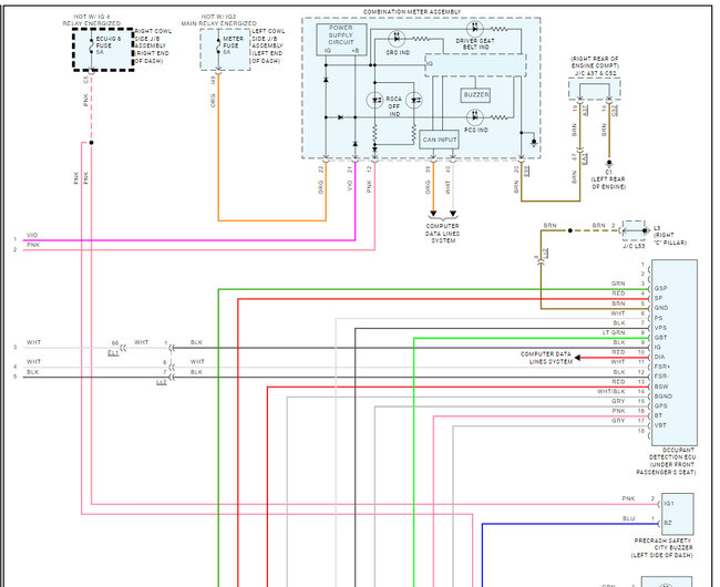
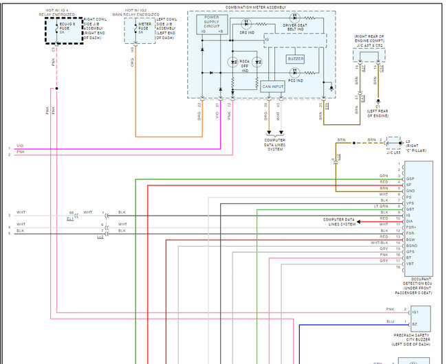
Can you help with the circuit diagram for Toyota Prado and Hilux. I want to pick the signal responsible for the Alarm on and off when seat belt is buckled or otherwise.
Jan 27, 2024 at 4:20 AM





