Seat wiring harness pinout needed

2010 LINCOLN MKT
99,950 MILES • 3.5L • V6 • TURBO • 4WD • AUTOMATIC
Avatar
A11M1GHTY
  • MEMBER
  • 2 POSTS
Need seat wiring harnesses pin out for front heatedcooled seats.
Dec 24, 2020 at 2:11 PM
Advertisement
Avatar
KASEKENNY
  • CERTIFIED EXPERT
  • 18,907 POSTS
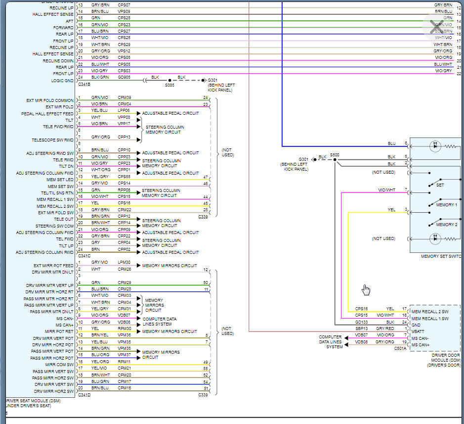
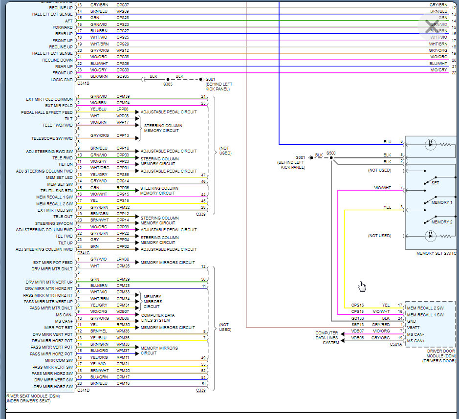
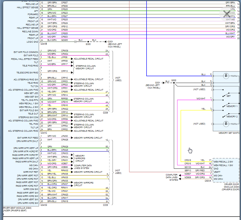
I am attaching the requested info below. Let us know if you need other info. Thanks
Dec 24, 2020 at 2:25 PM
Avatar
A11M1GHTY
  • MEMBER
  • 2 POSTS
Thanks! When I try to compare the wire coloring to what's on the schematics, it doesn't match up to those on the wiring harness. Please see the attached.

The dual pigtails are on the drivers seat and the single is under the passenger seat.
Dec 24, 2020 at 3:07 PM
Advertisement
Avatar
KASEKENNY
  • CERTIFIED EXPERT
  • 18,907 POSTS
Those connectors do not appear to be for the heated and cooled seats. Are these the connectors for the modules that are under the front seats? If so, those are the driver and passenger seat modules which are different. I attached the wiring diagram for the driver seat module.

This should match the wiring you are showing.
Dec 24, 2020 at 4:33 PM