Seat heating and cooling not functioning?

2013 CADILLAC SRX
69,100 MILES • V6 • 2WD • AUTOMATIC
Avatar
  • MEMBER
  • 1 POST
The seat heating and cooling button turns on (light comes on) for 3 seconds and then turns off automatically. The cooling and heating function does not appear to have time to engage before the light turns off. This happens on both the driver and passenger side.
Sep 1, 2023 at 11:07 AM
Advertisement
Avatar
STRAILER
  • CERTIFIED EXPERT
  • 53,854 POSTS
Yep, this happens when the seat control module goes out but to be sure we should do a CAN scan. You can get a CAN scanner (Controller Area Network) which will work on most cars from Amazon.

Here is a video to show you how:


https://youtu.be/u-4syLc-ifQ

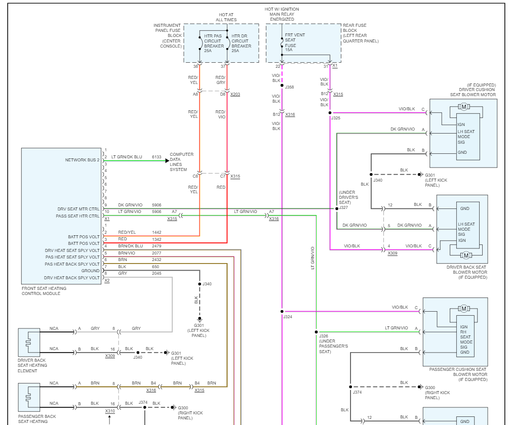
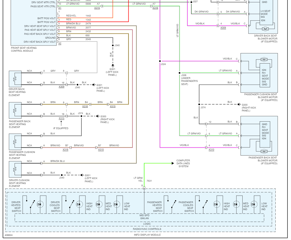
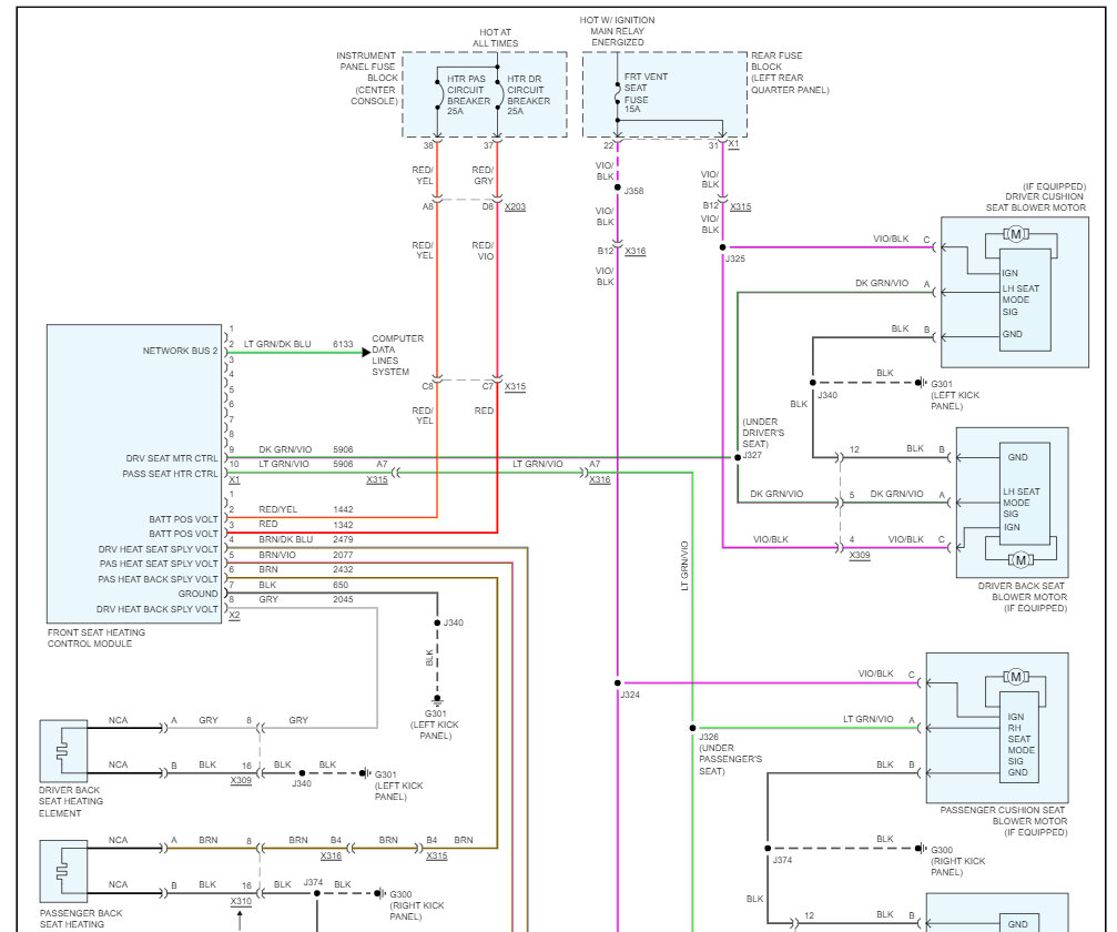
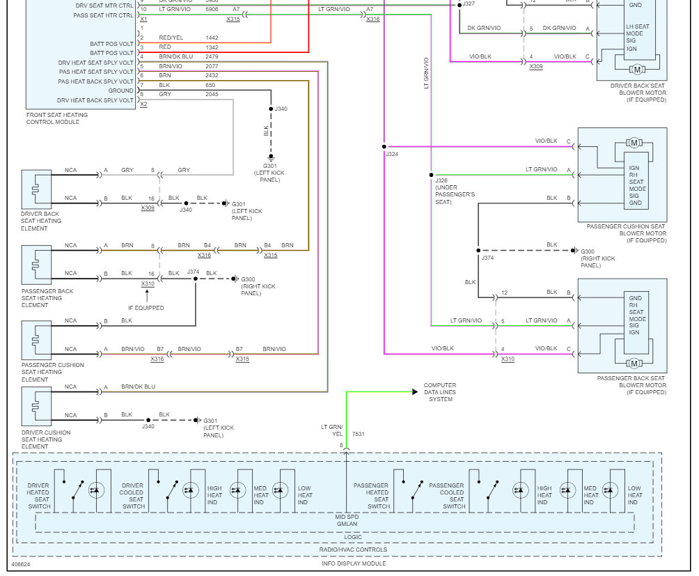
Here are the climate control seat wiring diagrams so you can see which fuses to check and how the system works, and I have included how to change the module out as well.

https://www.2carpros.com/articles/how-to-check-a-car-fuse

Check out the images (below). Please let us know what happens.
Sep 2, 2023 at 4:29 PM