Driver's seat heater not working

2009 LINCOLN MKX
47,000 MILES • 3.6L • V6 • 4WD • AUTOMATIC
Avatar
RADAR1943
  • MEMBER
  • 1 POST
Drivers front seat heat does not work passenger seat does work.
May 13, 2018 at 8:18 AM
Advertisement
Avatar
STRAILER
  • CERTIFIED EXPERT
  • 53,854 POSTS
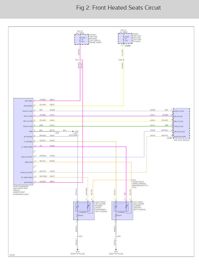
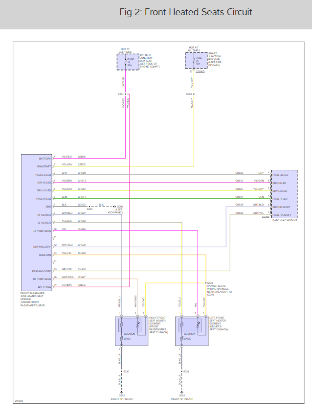
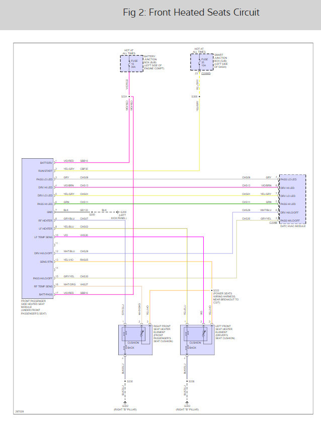
It sounds like the drivers seat control module has gone out which is common, but to make sure lets check for signal from the module to the seat heater element before we replace it. Here is a guide to help you do the test:

https://www.2carpros.com/articles/how-to-use-a-test-light-circuit-tester

Below are the wiring diagrams and module locations fro both the drivers and passenger seat.

Check out the diagrams (below). Please let us know what you find.

Cheers, Ken
May 14, 2018 at 11:18 AM