SDM wiring diagram

2003 CHEVROLET SILVERADO
155,000 MILES • 8.1L • V8 • 4WD • AUTOMATIC
Avatar
LOUD PELLETIER
  • MEMBER
  • 39 POSTS
I would like to have the wiring diagram of the airbag service that passes to the floor and the wiring diagram of the floor of the truck listed above, lt.
Aug 30, 2021 at 7:33 PM
Advertisement
Avatar
JACOBANDNICKOLAS
  • CERTIFIED EXPERT
  • 110,175 POSTS
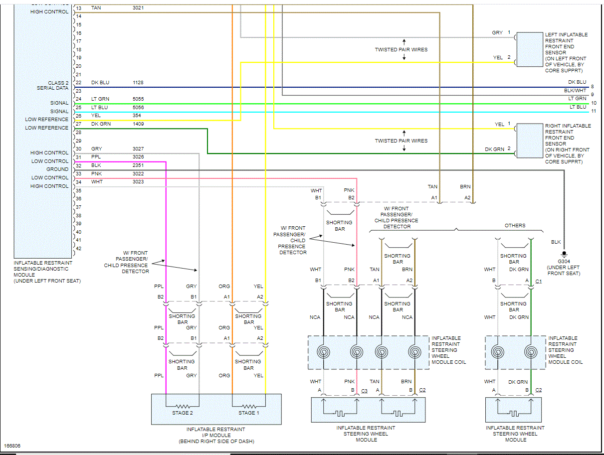
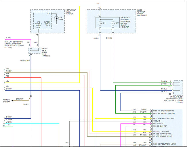
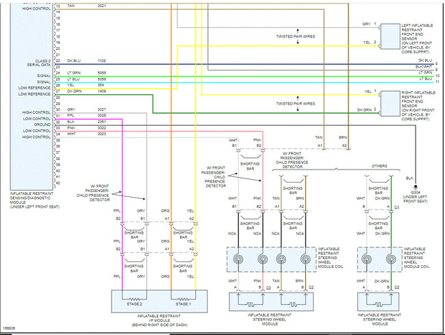
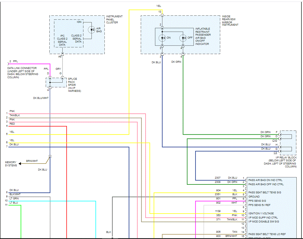
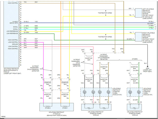
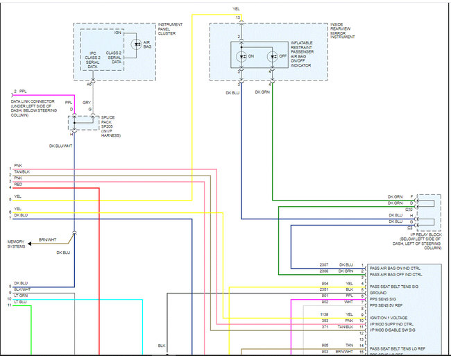
Hi: If you look at the pics below, I included the entire system wiring schematic. Take a look through it and let me know if that is what you needed.

The schematic was two pages long. I had to cut each in half to make them readable for you. I did overlap them so you can follow from one to the next.

Here is a link you may find helpful when checking wiring.

https://www.2carpros.com/articles/how-to-check-wiring

Let me know if this helps or if you have other questions.

Take care,

Joe

See pics below
Aug 31, 2021 at 8:25 PM