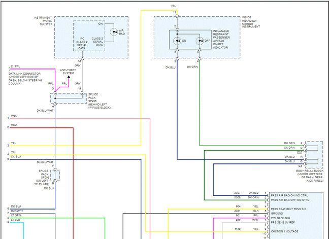
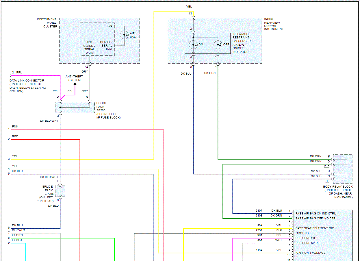
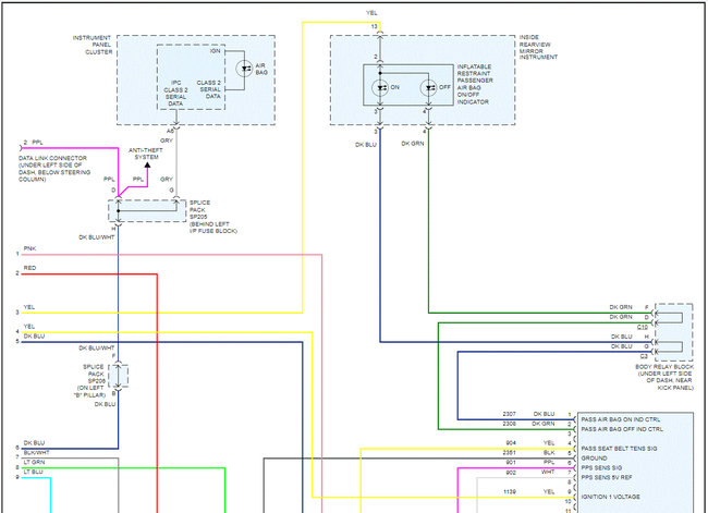
Hi: If you look at the pics below, I included the entire system wiring schematic. Take a look through it and let me know if that is what you needed.
The schematic was two pages long. I had to cut each in half to make them readable for you. I did overlap them so you can follow from one to the next.
Here is a link you may find helpful when checking wiring.
https://www.2carpros.com/articles/how-to-check-wiring
Let me know if this helps or if you have other questions.
Take care,
Joe
See pics below
Images (Click to enlarge)
Aug 31, 2021 at 7:49 PM