It sounds like you may have a display control module that has gone out but we should check the fuse #65 10-amp in the under-hood fuse panel and fuse# 15 and #29 in the fuse panel in the lower left side of the dashboard.
Here is a guide to help and the fuse location int eh images below:
https://www.2carpros.com/articles/how-to-check-a-car-fuse
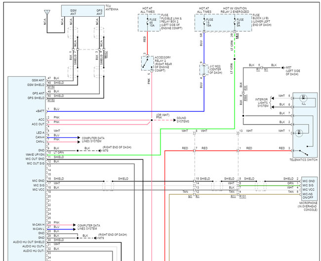
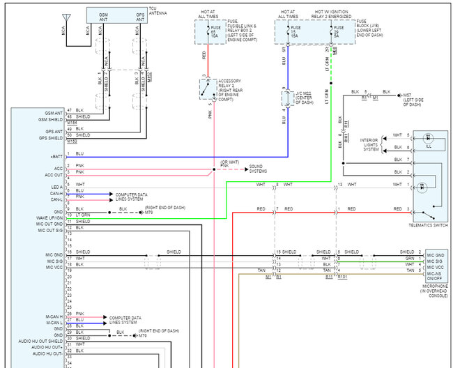
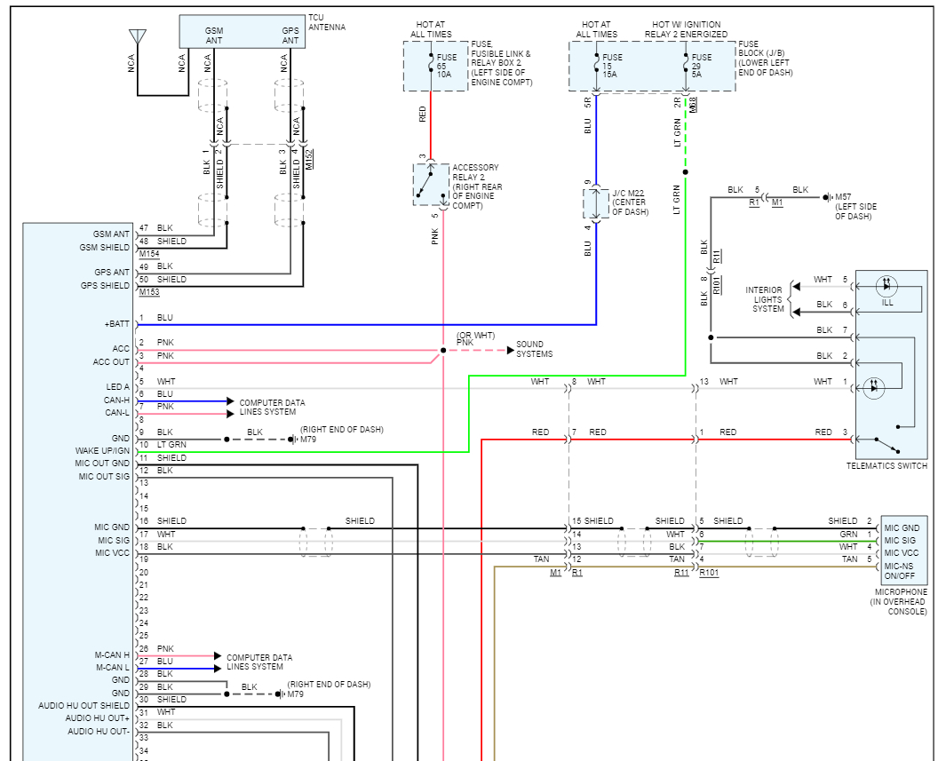
I have also included the wiring diagrams for the telematics screen so you can see how the system works. Check out the images (below). Please let us know what happens.
Images (Click to enlarge)
Nov 25, 2023 at 9:39 AM