Scanner will not connect to main computer

2003 MERCEDES BENZ E320
48,000 MILES • 3.6L • V6 • 2WD • AUTOMATIC
Avatar
DANIAM2021
  • MEMBER
  • 2 POSTS
Car starts with a jump then will start. Alternator/starter warning, Brake warning,, Bad display warning.
Jul 12, 2021 at 6:45 PM
Advertisement
Avatar
KASEKENNY
  • CERTIFIED EXPERT
  • 18,907 POSTS
Just to be clear what the issue is, your car won't start unless you jump it? then it starts and runs fine?

If so we need to test the battery and alternator using these guides:

https://www.2carpros.com/articles/car-battery-load-test

https://www.2carpros.com/articles/how-to-check-a-car-alternator

It could be either of these but we need to start with that and prove they are good or repair as needed.

However, is your brake and "bad display" warning on as well? Can you get a picture of your cluster which will get on us in the same page quickly?

If you have a brake warning light that indicates an issue with the braking system which could just be low fluid or a faulty level sensor, or something different. There are not always codes with this light but based on the fact that you cannot communicate with the ECU, I am thinking there is more to this story.

Did you just buy this vehicle and it have these different issues or did this all of a sudden just start?

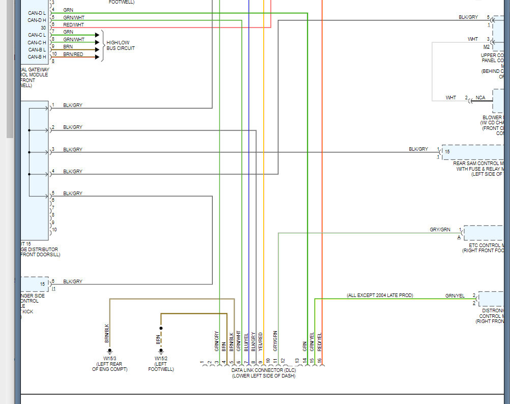
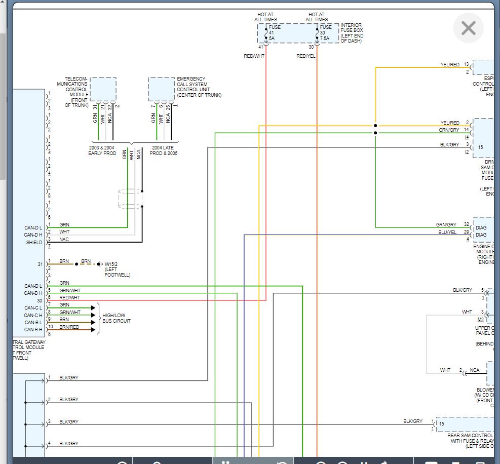
We need to start with checking for power at the DLC and make sure the fuses are okay. I proved the wiring diagram below but here are a couple guides that will help with this in case you need it:

https://www.2carpros.com/articles/how-to-check-wiring

https://www.2carpros.com/articles/how-to-check-a-car-fuse

Lastly, has this specific scan tool ever worked on this car prior? Basically we run into a lot of people that have a scan tool that will just not work with the vehicle that they purchase and so they assume the vehicle is the issue when it is a compatibility issue.

Let's start with all this info and go from there. Thanks
Jul 13, 2021 at 10:33 AM