No communication between scanner and ECU

2006 HONDA ACCORD
55,000 MILES • 2.4L • 2WD • AUTOMATIC
Avatar
DH1904
  • MEMBER
  • 1 POST
Hi.
My car cannot start due immobilizer light flashing. And when I try to check by connecting with scanner, no communicate between scanner and ECU. Repairman confuse what happen. All wire and fuse already check.
Do you have any advise what should we do ?
Apr 30, 2019 at 11:38 AM
Advertisement
Avatar
KASEKENNY
  • CERTIFIED EXPERT
  • 18,907 POSTS
Hi,

So if you cannot communicate with anything then I would suspect a wiring issue.

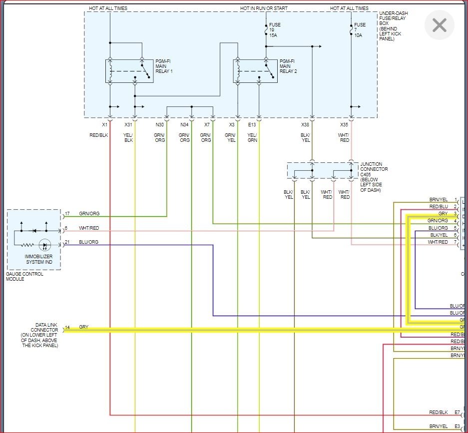
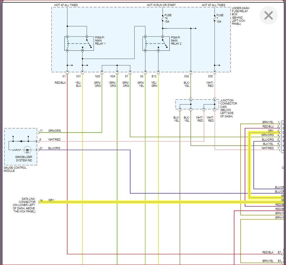
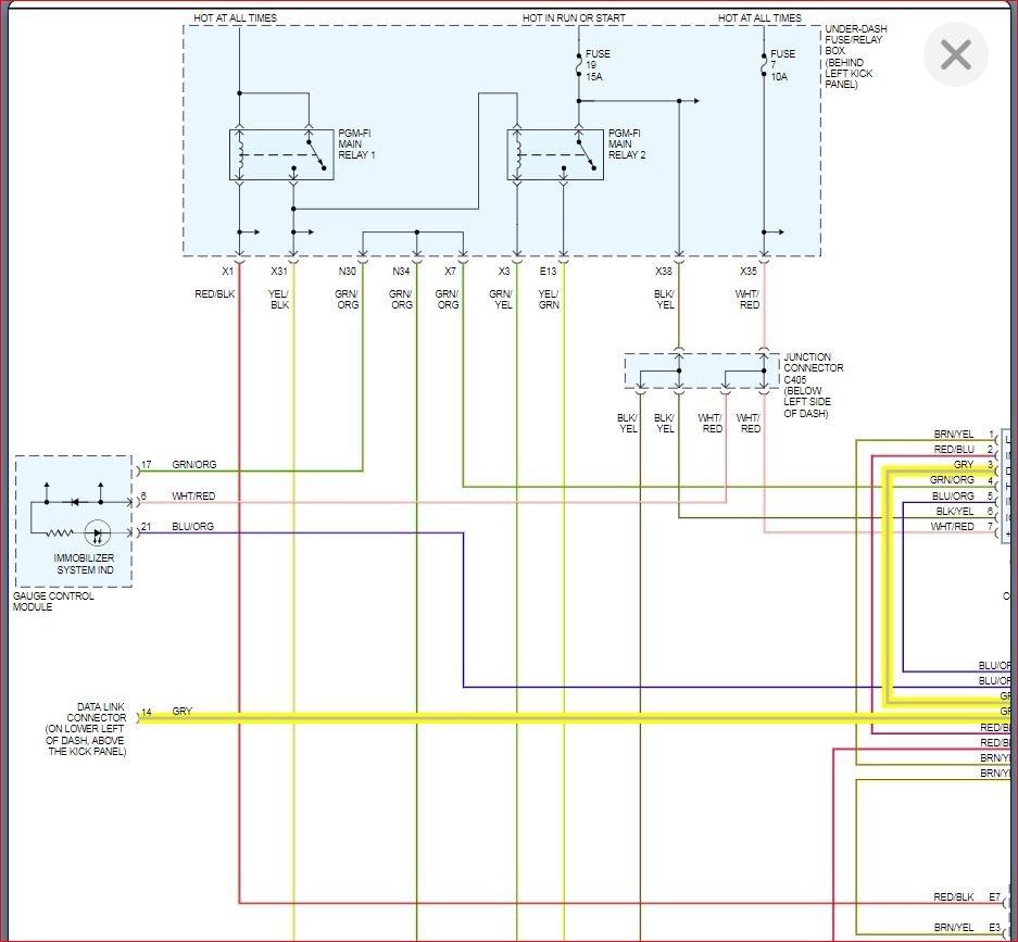
If you look at the wiring diagram, the scanner will communicate on Pin 14 and it goes directly to a junction connector and then to the immobilizer itself. If you cannot communicate then this circuit is not intact.

Has he disconnected the connector from the immobilizer and measured resistance from the DLC pin 14 to pin 3 of this connector? If so, what was that measurement? Should be in ohms.

There is a chance that the DLC terminals have an issue and they are called being spread. If this is the case, when you plug the scanner in, it doesn't actually make contact with the terminal ends of the wires.

The next thing that needs to be checked is the ground wires for the DLC. This is Pin 4 and 5. Measure resistance from these pins to a good ground location, preferably on the battery post. Let me know what that reading is as well and we can go from there. Thanks

https://www.2carpros.com/articles/how-to-check-wiring
Apr 30, 2019 at 6:42 PM