Check engine light is on and I cannot scan the ECU using an OBD scanner?

2007 NISSAN MURANO
18,976 MILES • 3.5L • 6 CYL • 4WD • AUTOMATIC
Avatar
ANDRIN ATEM
  • MEMBER
  • 393 POSTS
Hi, please i do have this challenge of not being able to scan my ECU using and OBD scanner. It will scan almost all other modules on the network, but won't scan ECU, so i get no codes from the engine control module, but my check engine soon light is on.
Jan 30, 2021 at 1:47 PM
Advertisement
Avatar
KASEKENNY
  • CERTIFIED EXPERT
  • 18,907 POSTS
Do you have codes in the other modules? If you can communicate with the other modules then you should be able to pull other codes. If you cannot then we may have a bus network issue.

Here is guide that talks about this CAN network:

https://www.2carpros.com/articles/can-scan-controller-area-network-easy

I would expect that we have loss of communication codes in the other modules that say they cannot communicate with the ECM. However, if the vehicle starts and runs and you have none of these codes then I suspect we have a scan tool or wiring issue.

So if this vehicle starts and runs, let's stop by a parts store and ask them to scan it. If we have two scanners that cannot communicate with the ECM then we can chase down a wiring issue.

At that point, I need you to get the voltage on pin 6 of the DLC and then get the voltage on pin 14 as well.

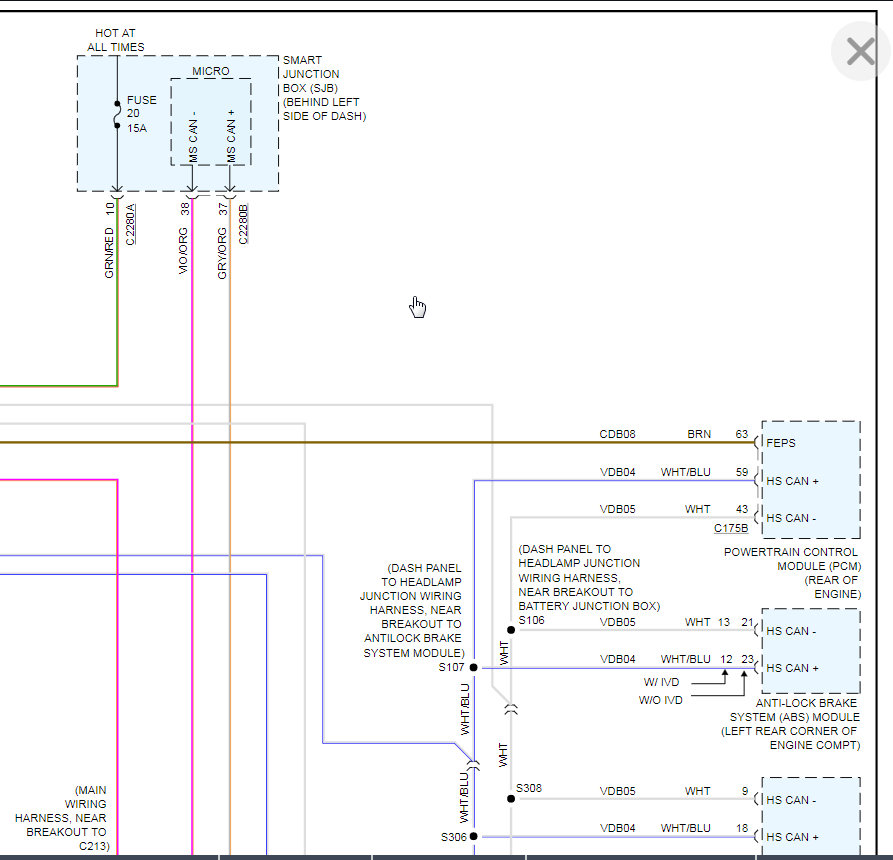
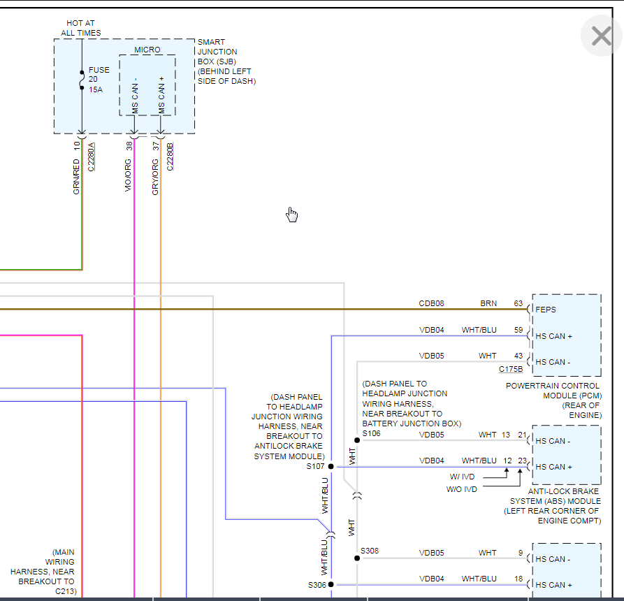
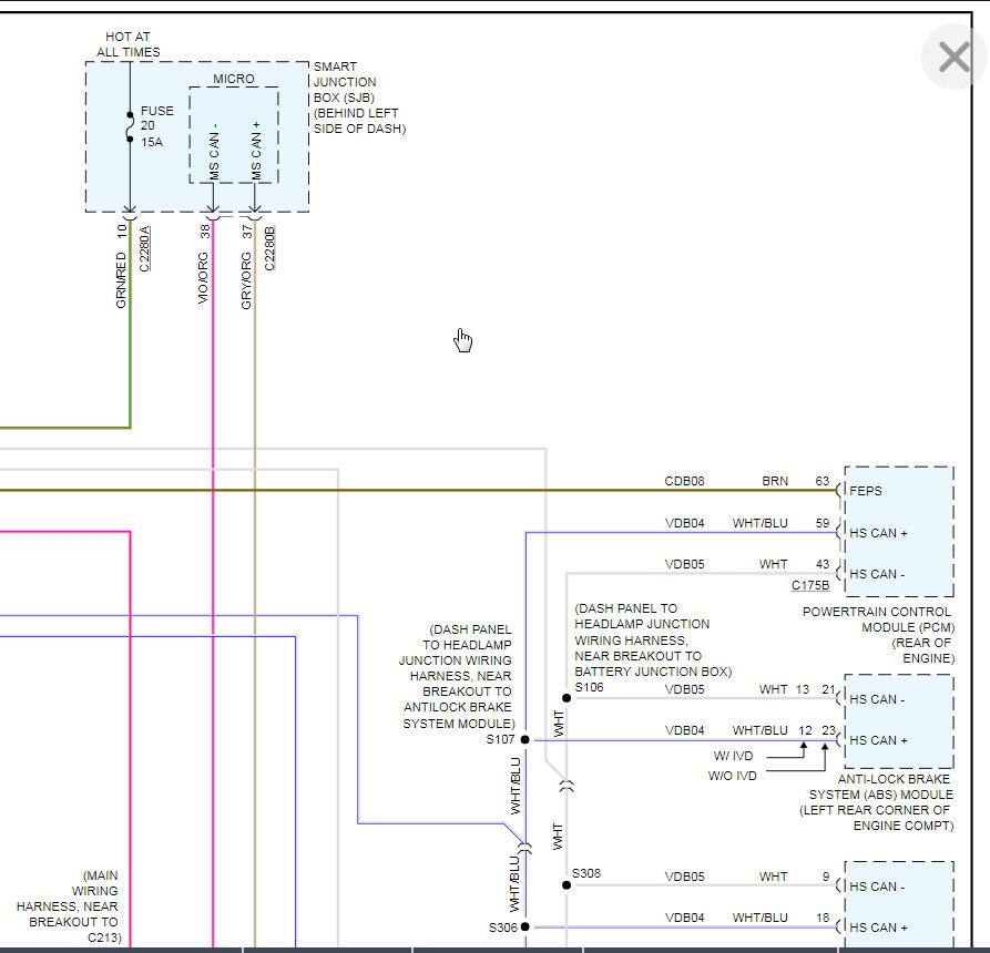
Let's start with this and go from there. Below is the wiring diagram for this. Thanks
Jan 31, 2021 at 4:19 PM
Avatar
ANDRIN ATEM
  • MEMBER
  • 393 POSTS
Yes, i do have codes in the other modules, but no access to the engine control module.
Feb 1, 2021 at 6:48 PM
Advertisement
Avatar
ANDRIN ATEM
  • MEMBER
  • 393 POSTS
Hi, is it possible to see an image of this smart junction smart box? I know under the dash on the left side you got a fuse box, is that what you referring to?
Feb 1, 2021 at 7:00 PM
Avatar
ANDRIN ATEM
  • MEMBER
  • 393 POSTS
The vehicle i am having this problem is a Nissan Murano 2007.
Feb 1, 2021 at 7:15 PM
Avatar
ANDRIN ATEM
  • MEMBER
  • 393 POSTS
Pin 6 is about 2.8 dcv and pin 14 about 2.2 dcv. also i got a resistance test, gives e 61 oams of resistance.
Feb 1, 2021 at 7:29 PM
Avatar
ANDRIN ATEM
  • MEMBER
  • 393 POSTS
Also got ground on pin 4 and 5, Pin 16 reads battery voltage. That is where it gets me confused why the ECM will not appear.
Feb 1, 2021 at 7:31 PM
Avatar
KASEKENNY
  • CERTIFIED EXPERT
  • 18,907 POSTS
That is great. All those voltage readings are showing that the bus is operating properly. Excellent job on the termination resistance as well.

What are the other codes? That can help us confirm the ECM is the issue. The next step is to check power, ground, and bus voltage at the ECM. If this checks out then it is usually the module itself.

However, let's get the actual codes in the other modules and we can go from there. Thanks
Feb 1, 2021 at 8:09 PM
Avatar
ANDRIN ATEM
  • MEMBER
  • 393 POSTS
So how do i check Bus voltage at ECM also ground and power?
Feb 2, 2021 at 5:42 AM
Avatar
ANDRIN ATEM
  • MEMBER
  • 393 POSTS
These are the other codes related to other modules.
Feb 2, 2021 at 5:52 AM
Avatar
KASEKENNY
  • CERTIFIED EXPERT
  • 18,907 POSTS
Okay. I think we may have some confusion. What is telling you that you cannot scan the ECM? Are you thinking that because the check engine light is on that you have an issue with the engine control module?

If that is the case then that is not accurate. these other codes will cause the check engine light to come on as well. The check engine light is a generic term these days for a greater powertrain related issue.

The reason I am thinking this is the issue is because the CAN network is working perfectly based on what you did with these voltage checks and if the ECM was offline or not communicating with the scan tool then it would also not communicate with the other modules which would set all sorts of codes against it but you have none of these.
Feb 2, 2021 at 7:03 PM
Avatar
ANDRIN ATEM
  • MEMBER
  • 393 POSTS
what explains the fact that, Can high gives me 2.83 dcv, while Can low give 2.03 dcv? Normally i expected both to give total reading of 5 dcvs. Now if you noticed from the dtc, the ABS does not appear as well, an the car runs down battery.
Feb 3, 2021 at 11:12 PM
Avatar
ANDRIN ATEM
  • MEMBER
  • 393 POSTS
Lastly to mention, notice the part number for the ECU, it's for a 2004 Muruna, do they have same ECU Pin Out signals?
Feb 3, 2021 at 11:13 PM
Avatar
KASEKENNY
  • CERTIFIED EXPERT
  • 18,907 POSTS
Okay. First, you are correct that they should equal 5 volts but they can vary slightly so the fact that this is at 4.86 volts total, that is not going to cause an issue as the bus can still operate like this.

Also, just because the ABS does not have any DTCs in it, is not an issue. It is not going to show up on that report unless it has a DTC in it. So if the ABS is not on the list, that just means it doesn't have a code in it.

Lastly I attached the ECM pinout below.
Feb 4, 2021 at 7:50 PM