Fuel pump replacement guide?

2007 SATURN VUE
45,000 MILES • 4 CYL • 2WD • AUTOMATIC
Avatar
JOSEVILLANUEVA
  • MEMBER
  • 2 POSTS
how to remove the fuel pump?
May 30, 2009 at 11:07 AM
Advertisement
Avatar
DOCFIXIT
  • CERTIFIED EXPERT
  • 18,828 POSTS
Both primary and secondary fuel tank modules require fuel tank removal. Here is a guide to help you step by step.

https://www.2carpros.com/articles/how-to-replace-an-electric-fuel-pump

Please let us know if you need anything else to get the problem fixed.
May 30, 2009 at 11:31 AM
Avatar
NANJO
  • MEMBER
  • 4 POSTS
recently my car started to smell of gasoline while driving and after it was parked. The mechanic at the service station checked it for me and showed me where it was leaking from which was near the gas tank. He explained that my fuel pump was probably fine but that on saturns it had to be replaced as a unit. He quoted me 650. for the pump and 425. for labor. Can't I just get the fuel lines replaced instead or somehow repair the leak. Thank you in advance for any advice you could give.
Feb 9, 2021 at 12:11 PM (Merged)
Advertisement
Avatar
SATURNTECH9
  • CERTIFIED EXPERT
  • 30,869 POSTS
It really depends on where its leaking there is two fuel pumps on that vue a venturi pump and a electric one.I need more info on whats leaking?Do you have the 4cyl or 6cyl engine?
Feb 9, 2021 at 12:11 PM (Merged)
Avatar
SATURNTECH9
  • CERTIFIED EXPERT
  • 30,869 POSTS
Also is it all wheel drive and what is your zip code?
Feb 9, 2021 at 12:11 PM (Merged)
Avatar
NANJO
  • MEMBER
  • 4 POSTS
It's a 6 cylinder 3.5 engine. 2 wheel drive. the area under the car that he showed was leaking wasn't the gas tank but a plastic container near it. my zip is 92262.
Feb 9, 2021 at 12:11 PM (Merged)
Avatar
SATURNTECH9
  • CERTIFIED EXPERT
  • 30,869 POSTS
Wow you live in palm springs thats not too far from me i used to work at the saturn dealer in catherdral city on perez road.The only thing i can think of back by the tank and then can be called a box would be the charcoal canister which only has fuel vapors going to it not liquid fuel.For a fuel pump replacement in your area i have 339-630 for the fuel pump depending on where you get it.Also the labor should be 180-230 so there labor is way high also the fuel pump itself price is high.
Feb 9, 2021 at 12:11 PM (Merged)
Avatar
NANJO
  • MEMBER
  • 4 POSTS
hi again. You know I probably should have said that its a girlfriends
car so when she told me about the gas smell I told her to get it checked. So I wasn't there today when he [showed] her where the leak was. When she told me what was said I was as perplexed as you probably are. It just seems to me that if there is a leak somewhere but the fuel pump is o.k. couldn't it be repaired directly? What other components of the car could leak fuel? thanks.
Feb 9, 2021 at 12:11 PM (Merged)
Avatar
CRADFORD
  • MEMBER
  • 1 POST
I have been driving my car without any problems. I went to start my car one morning to go to work and it would not start. It will turn over, the lights, radio everything come on. it turns over like it want to start but it will not. I let it sit for two days and when I tried to start it again it started. I was able to drive it for two days without any issues. It was a Saturday night when I got it started so I was unable to take it to the shop due to them being closed. Monday when I tried to start it, it did the same thing as before and not start. This time I had a mechanic come to me and they said it may be my crank shaft senor. I let it sit for almost two weeks. I tried to start it, it did start and I drove it to the mechanic they were closed. Finally got it to the mechanic, they said I just need something on my battery tightened. Everything looked good. The battery,starter, alternator, was working fine. I drove it that day, the next morning it started fine. I went to the gas station put gas in there went to start it and not were back to square one of not starting. All my fuses and fuel pump were checked and were said to be working fine. Any ideas?
Feb 9, 2021 at 12:11 PM (Merged)
Avatar
SATURNTECH9
  • CERTIFIED EXPERT
  • 30,869 POSTS
There is what is called the fuel pump module that holds the fuel sending unit fuel pump fuel pick that goes into the top of the fuel tank it also has hard plastic fuel lines molded onto the top of it that arent replaceable.If one of those lines leaks the whole assembly has to be replaced.
Feb 9, 2021 at 12:11 PM (Merged)
Avatar
STRAILER
  • CERTIFIED EXPERT
  • 53,854 POSTS
Hello,

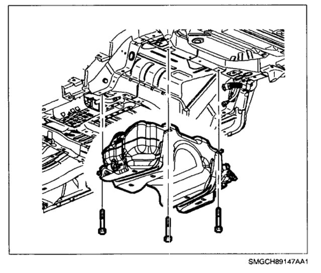
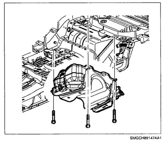
Yep this is a classic fuel pump problem which is sounds like it needs to be replaced. Here is a guide to confirm the problem.

https://www.2carpros.com/articles/how-to-check-fuel-system-pressure-and-regulator

and here is what you are in for when replacing the pump.

https://www.2carpros.com/articles/how-to-replace-an-electric-fuel-pump

Check out the diagrams (Below). Please let us know what you find. We are interested to see what it is.
Feb 9, 2021 at 12:11 PM (Merged)
Avatar
NANJO
  • MEMBER
  • 4 POSTS
[hi neighbor!] Well that tells me what I needed to know. The mechanic was right after all, although his price quotes were out in orbit! You helped me a lot. Thanks so much.
Feb 9, 2021 at 12:11 PM (Merged)
Avatar
SATURNTECH9
  • CERTIFIED EXPERT
  • 30,869 POSTS
Yeah i could do it for way less then 1,075.
Feb 9, 2021 at 12:11 PM (Merged)
Avatar
SATURNTECH9
  • CERTIFIED EXPERT
  • 30,869 POSTS
If you still need that fuel leak fixed or anything else on your vue please let me know.
Feb 9, 2021 at 12:11 PM (Merged)