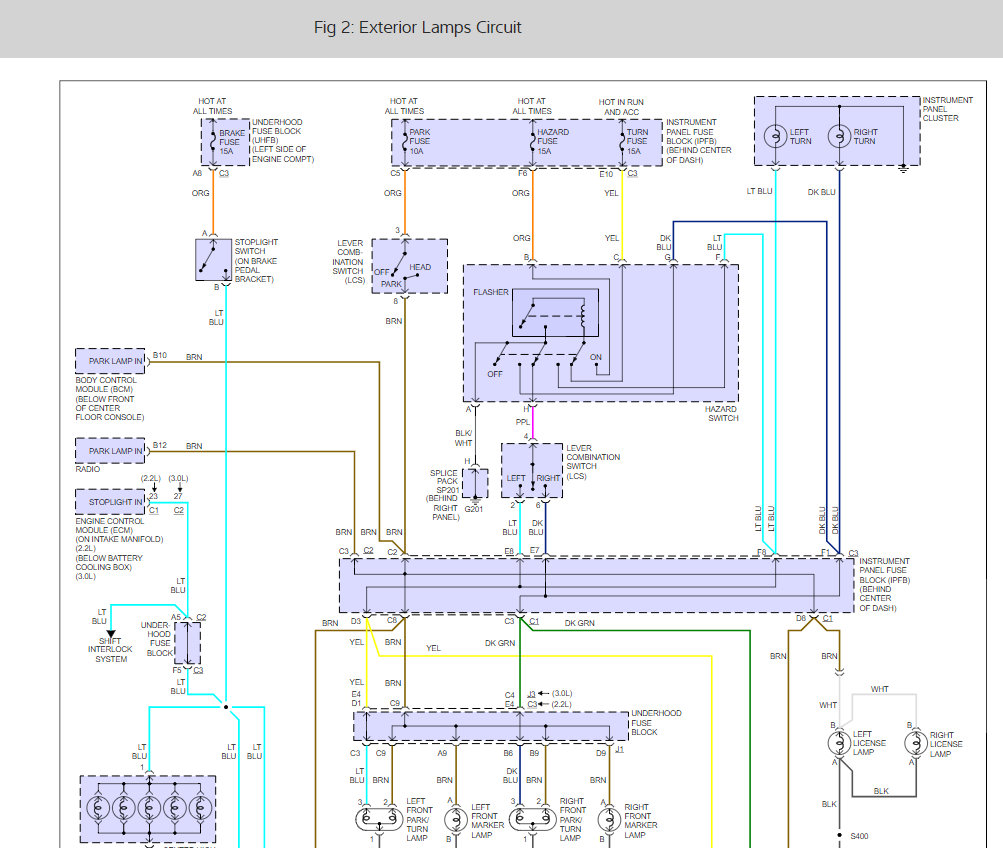
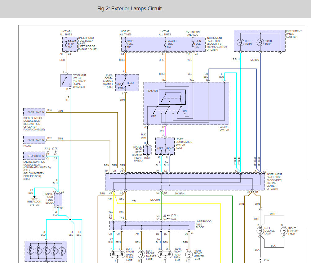
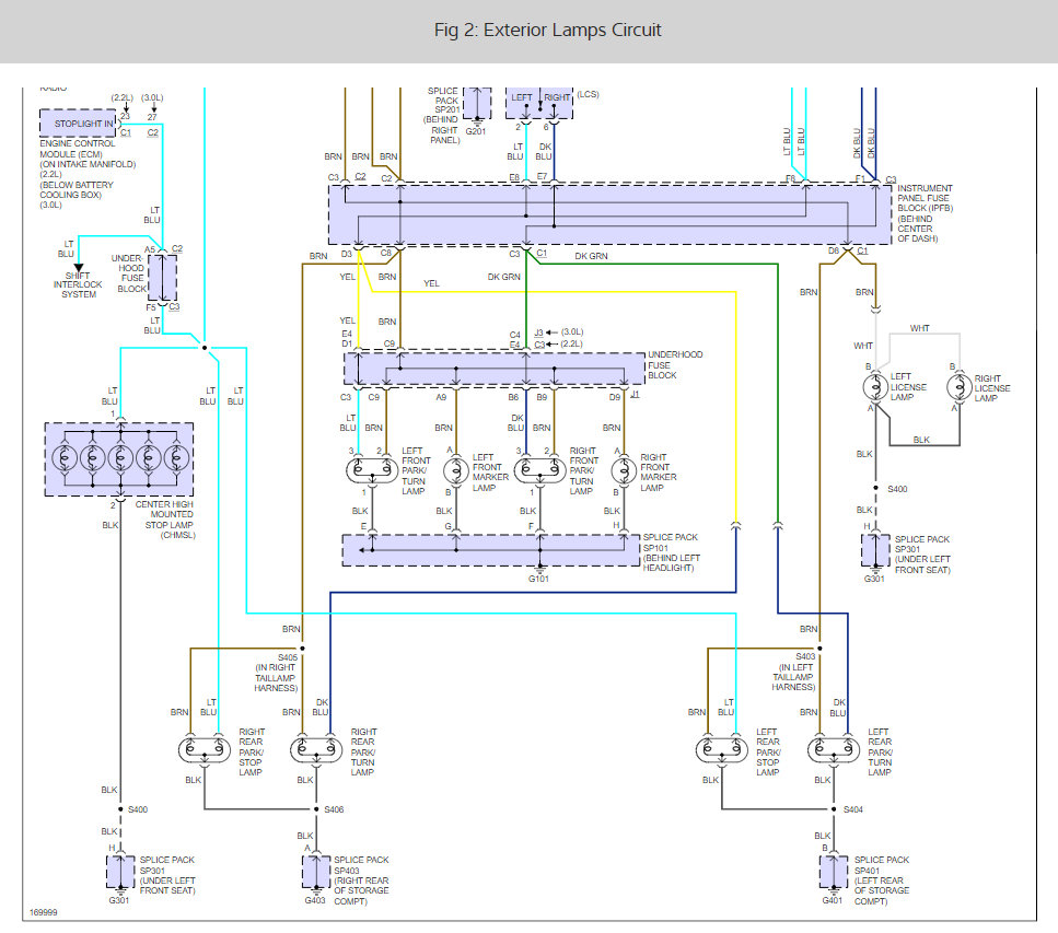
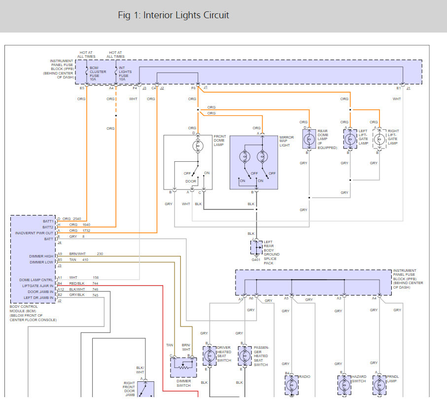
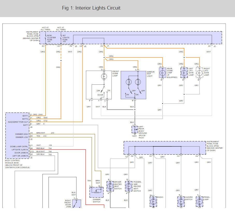
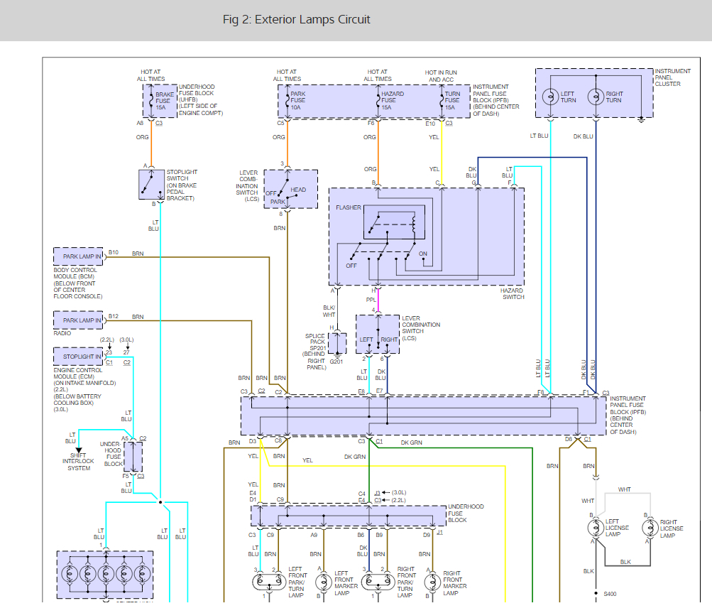
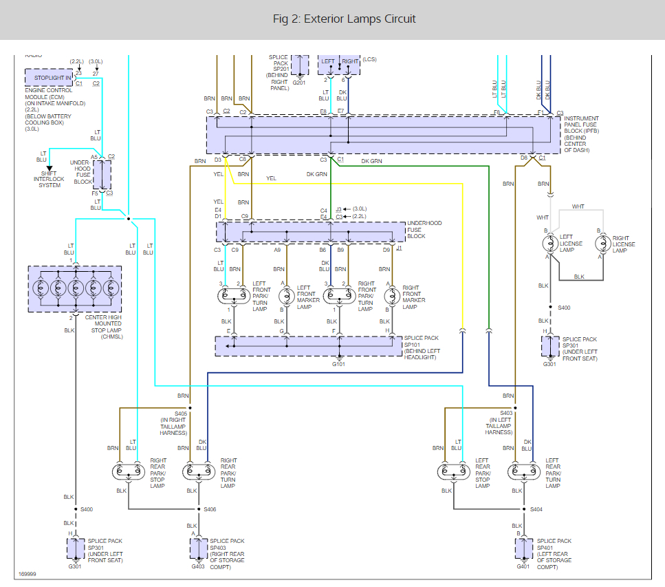
I have an 03 Saturn Vue, about 3 weeks ago my dash lights went out and now my tail lights are out. I have blinkers, hazards, brake lights, head light, DTR, reverse lights, everything else works. What could be the problem?
Aug 10, 2010 at 2:06 PM









