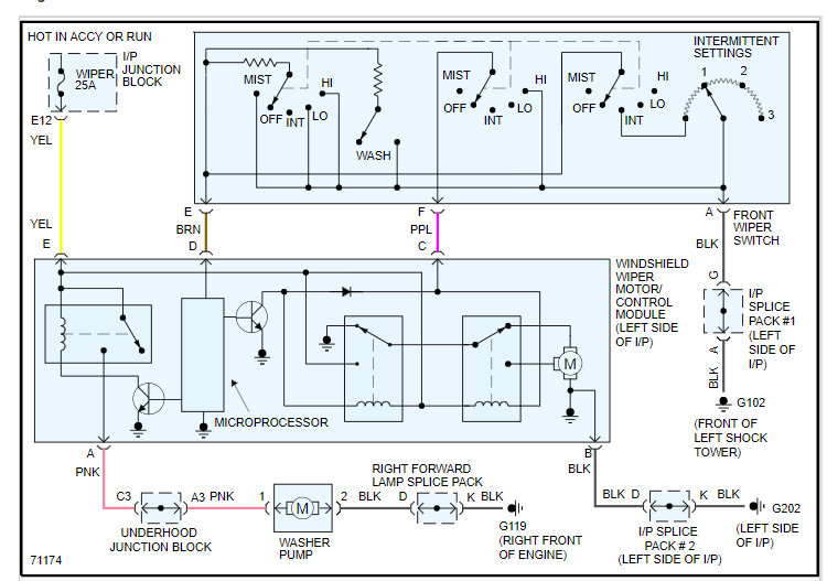
The windshield wipers of my car stop working whenever it rains. Do I have a short of some kind somewhere? This is driving me nuts, as we are having a very rainy spring here in Spokane, WA. and I am driving around looking through a wet windshield all the time. Thanks so much for any help you may be able to give.
Jun 21, 2010 at 11:11 AM












