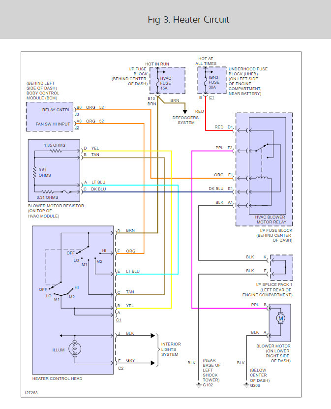
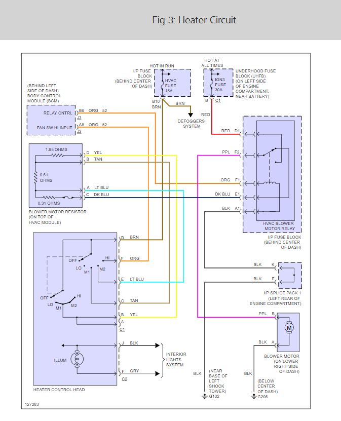
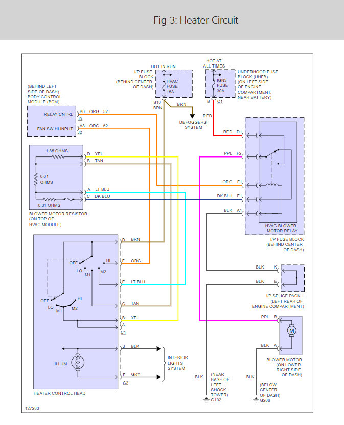
I get 12 volts with the switch on and 0 when it is off, so I thought I needed to replace the blower motor. I installed a new one, but it still does not turn on.
Oct 12, 2009 at 12:26 PM
