Transmission has no reverse!!

SATURN
Avatar
AJURKIEWICZ
  • MEMBER
  • 1 POST
2000 Saturn SL2, mileage 113,000, 4 cyl 2.2L DOHC, automatic transmission.

Here is my issue, I had my transmission replaced a year and a half ago. Out of the blue today I had no reverse... I heard a hard clunk when I picked up my daughter, prayed that I got home, and when I went to reverse it into my drive way, it wouldn't do it.... I am hoping there is a simple fix so I don't drop another $1500 into the tranny.
May 12, 2007 at 11:42 PM
Advertisement
Avatar
WSCREATE
  • MEMBER
  • 59 POSTS
Evidently, Saturn's auto trannies suck bad. I am thinking about swapping my AT out for a manual soon.

No or very delayed REVERSE with NO PROBLEMS with ANY OTHER GEAR = VALVE BODY ISSUE only 99% of the time

No or very delayed REVERSE WITH PROBLEMS with other FORWARD GEARS (especially 2nd) = LOOSE INPUT SHAFT NUT 99% of the time.
May 27, 2007 at 1:02 AM
Avatar
CYNDE LOVE
  • MEMBER
  • 3 POSTS
Saturn 2000 sc1 transmission reverse out had it diagnostic P7032 to replaced the first solenoid in the valve body.I did .Still not working.
Mar 11, 2018 at 5:34 PM
Advertisement
Avatar
STRAILER
  • CERTIFIED EXPERT
  • 53,854 POSTS
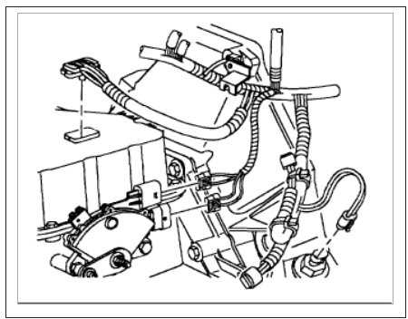
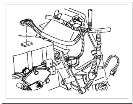
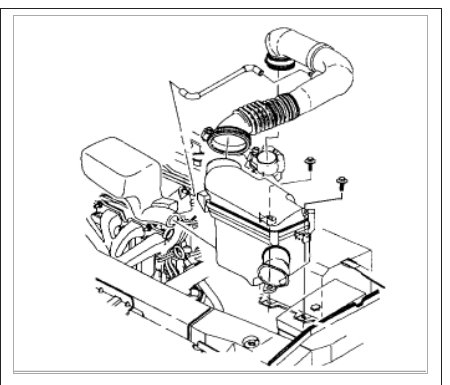
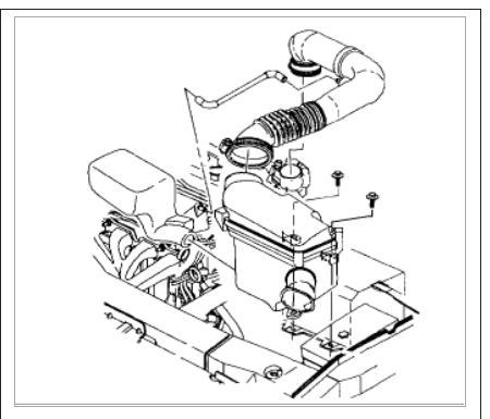
It sounds like you lost the reverse clutch pack seal which will fail to build pressure. You will need a used or rebuilt unit here is how to remove the transmission.

Check out the diagrams (Below)

Please let us know what you find.

Cheers, Ken
Mar 14, 2018 at 12:18 PM