2004 Saturn Ion power door lock

2004 SATURN ION
94,000 MILES • 4 CYL • FWD • AUTOMATIC
Avatar
PAULW155
  • MEMBER
  • 1 POST
Driver side power door lock will not work, all other doors work fine. Replaced lock actuator, but no luck. Any suggestions? Thanks, Paul
Jan 11, 2010 at 5:32 PM
Advertisement
Avatar
MATHIASO
  • CERTIFIED EXPERT
  • 1,209 POSTS
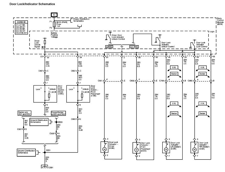
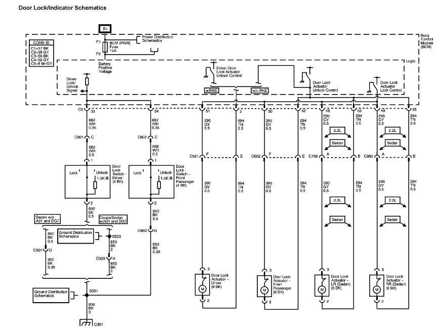
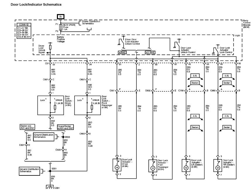
Hello PAULW155 Welcome to 2carpros.com In the fuse block, the first relay is the driver door unlock relay.check it. if the relay is good, check the TN wire from the relay to the driver door lock actuator for open. if the wire is good, check the GY wire from the driver lock actuator to the module for open. (check your email for diagram)


https://www.2carpros.com/forum/automotive_pictures/46384_new_4.jpg

Jan 17, 2010 at 9:24 PM
Avatar
HELLDRUID
  • MEMBER
  • 1 POST
I have the same issue for my ion 2006 with the left rear door... I've removed the outer plastic pannel so I can see the wiring but I can't figure out how to slove my problem... Does anyone know how to do it ?

Thank you
Mar 13, 2012 at 7:15 PM
Advertisement
Avatar
GRADEJOHN
  • MEMBER
  • 1 POST
Hi. I just joined because I found this questions. I just discovered this problem on my son's car today, and was considering splicing wires under the dash to the switch in the driver's door, but only if I couldn't track down the problem.

The diagram in the thread is a bit small. Can you email me? You'd be a potential life saver.

[email protected]
Jun 30, 2015 at 3:23 PM
Avatar
MHAMMER19
  • MEMBER
  • 1 POST
Having similar issues, 2004 ion 3 fwd. 77,000 miles, had some electrical smoke/smell. Now airbag light is on, only drivers door locks. When I try to lock car it acts ad off keys are still in the car. Then alarm goes of a few minutes later. Shot in the dark seeing this thread fans 2 years old.
Feb 19, 2017 at 3:26 PM
Avatar
STRAILER
  • CERTIFIED EXPERT
  • 53,854 POSTS
Hey guys,

Just found this thread and am going to try and help, here is the wiring diagram for the locks and the related BCM wiring. Use a test light to see if the lock actuator is getting signal or if it is a bad ground issue such as a broken wire in the door which is common.

https://www.2carpros.com/articles/how-to-use-a-test-light-circuit-tester


Test the ground of the actuator while working the door lock if it lights up the ground is bad.

Please run some tests and get back to us so we can continue helping you.

Best, Ken
Feb 22, 2017 at 2:02 PM