☰
Login
Join
×
Home
Answered Questions
Repair Topics
Repair & Service Guides
Popular Questions
Warning Lights
Trouble Codes
How It Works
Testing / Diagnostics
Symptoms
Videos
Login
Become a Member
Home
Saturn
Ion
Climate Control
Air Conditioner
Fuse
a/c doesn't come on?
2004 SATURN ION
80,000 MILES • 4 CYL • FWD • AUTOMATIC
FLOPEZ27
MEMBER
1 POST
FOLLOW
think fuse is blown, saw sparks while testing?
Feb 27, 2010 at 3:44 AM
Advertisement
MHPAUTOS
CERTIFIED EXPERT
31,937 POSTS
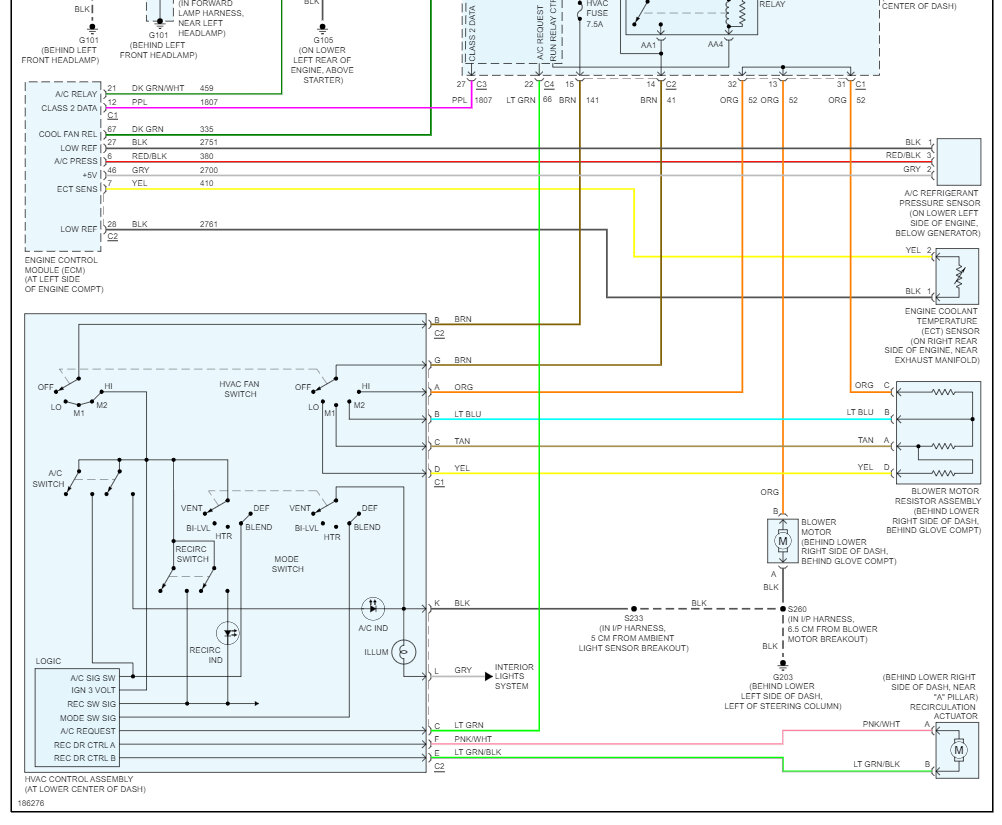
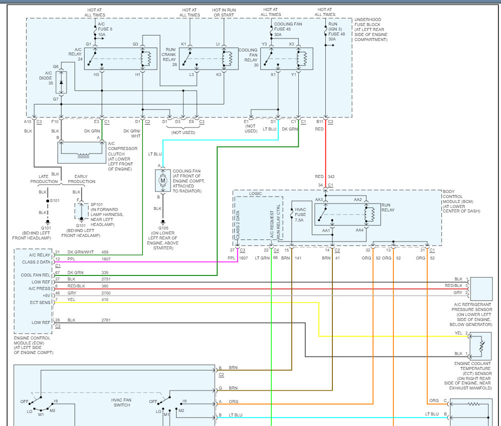
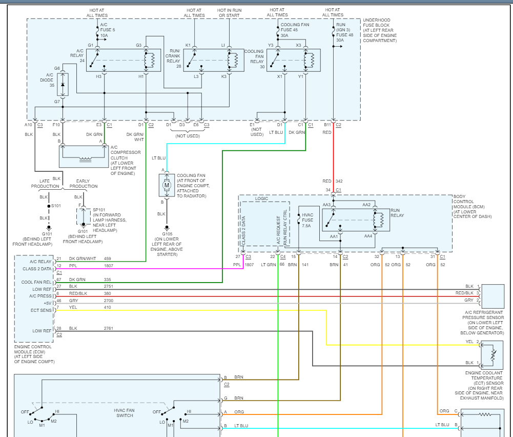
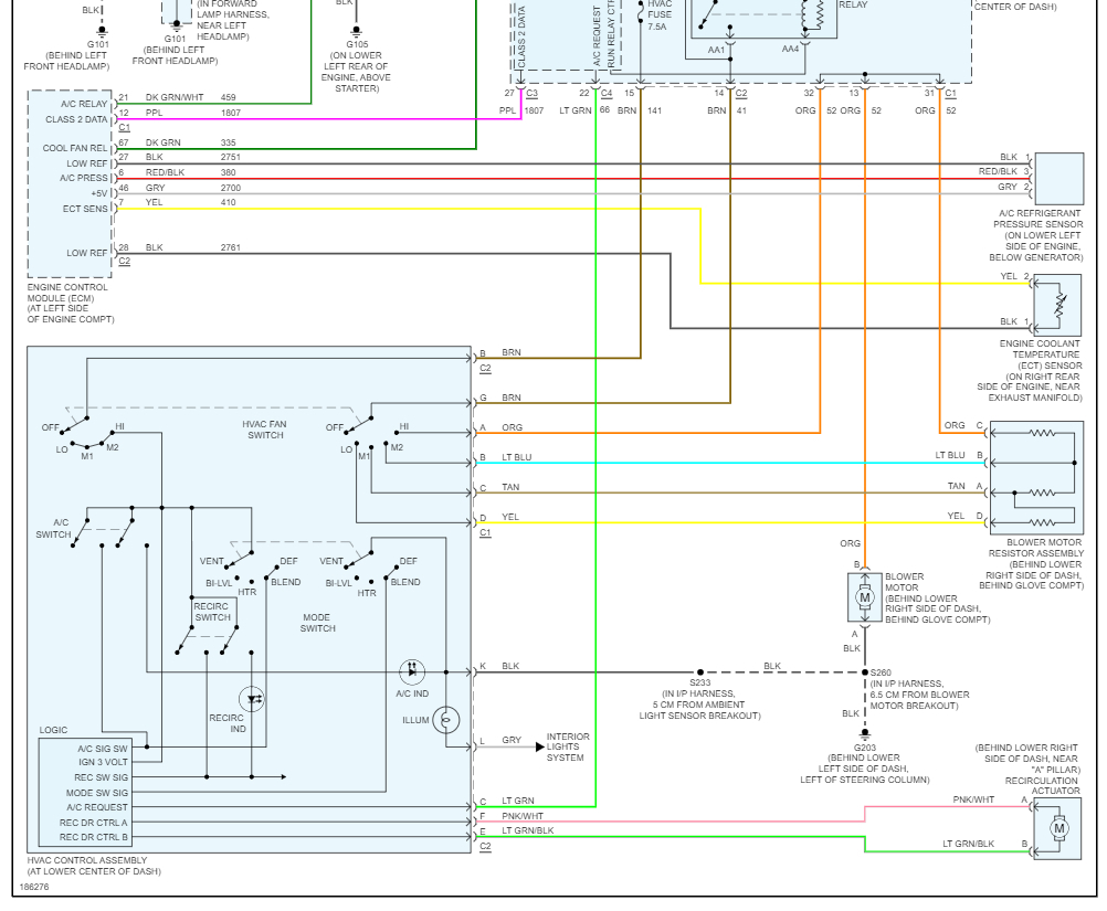
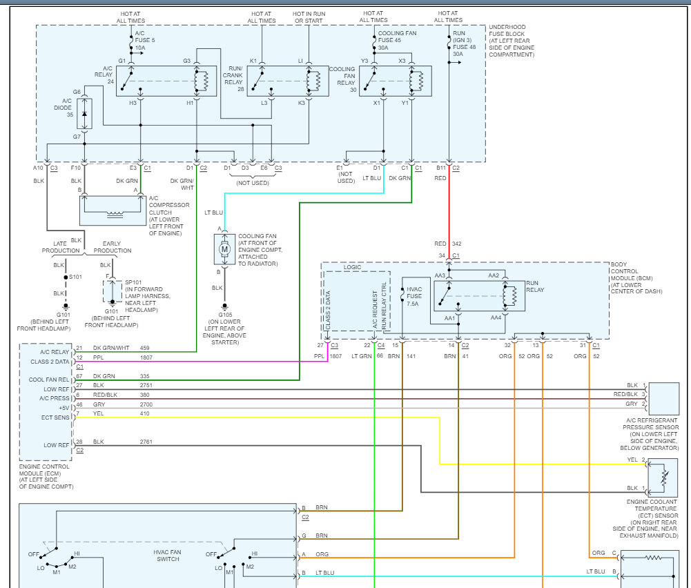
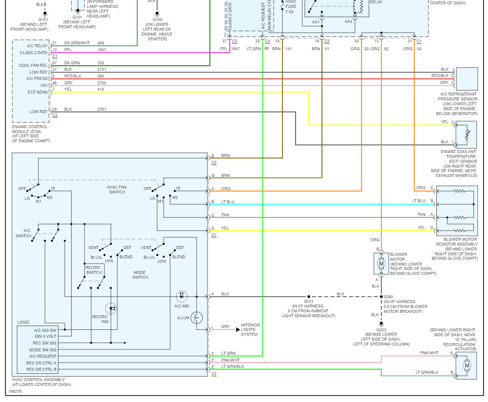
Here is the wiring diagrams for the AC system so you can see how the system works and which fuses to check. I also included a guide to help you check the fuses.
https://www.2carpros.com/articles/how-to-check-a-car-fuse
Check out the images (Below). Please let us know what happens.
Images (Click to enlarge)
Feb 27, 2010 at 4:22 AM