Good evening. This could be a number of things so we are going to need to start with the code to find out the issue.
Basically if you are getting a knock sensor code then that could be a sensor, wiring, control module, or even a connection issue.
So can you give me the code that is set so I can get the information for you?
https://www.2carpros.com/articles/how-a-knock-sensor-works
Roy
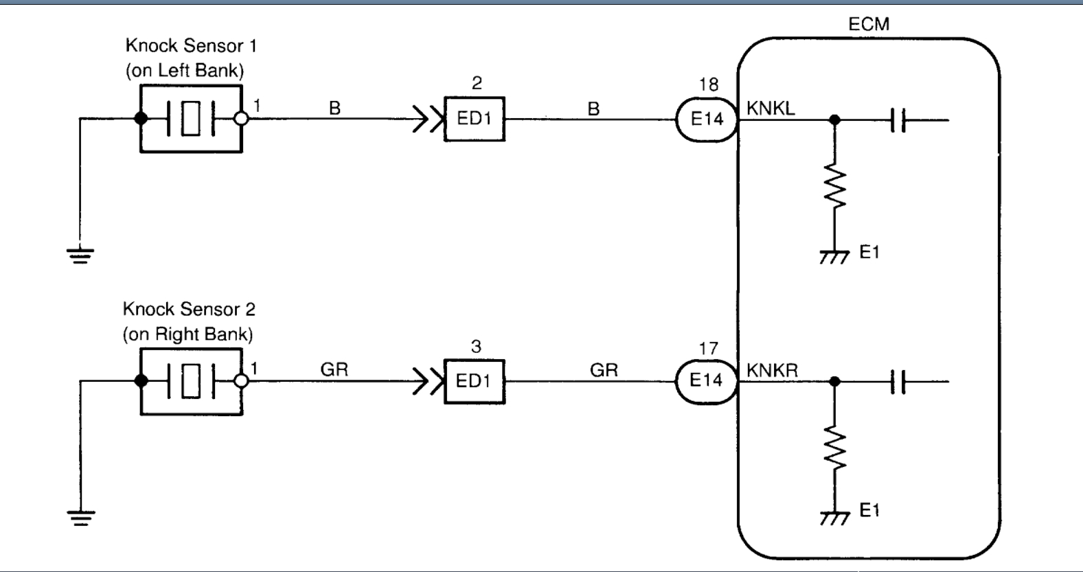
CIRCUIT DESCRIPTION
Knock sensors are fitted one to the right bank and left bank of the cylinder block to detect engine knocking. This sensor contains a piezoelectric element which generates a voltage when it becomes deformed, which occurs when the cylinder block vibrates due to knocking. If engine knocking occurs, ignition timing is retarded to suppress it.
Images (Click to enlarge)
Nov 7, 2020 at 2:09 PM