Safety neutral switch location

1998 PLYMOUTH NEON
240,000 MILES • 2.0L • 4 CYL • 2WD • MANUAL
Avatar
JESSEROGERS998
  • MEMBER
  • 1 POST
Can't find the safety neutral switch.
Nov 8, 2020 at 1:14 PM
Advertisement
Avatar
ASEMASTER6371
  • CERTIFIED EXPERT
  • 52,796 POSTS
Good afternoon,

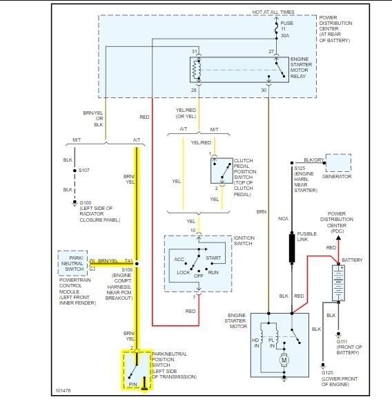
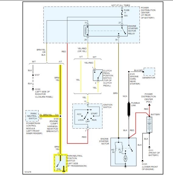
I attached the location of the switch for you to view.

I also attached a diagram for you of the switch.

Let me know if you have any other questions.

Roy

OPERATION
On vehicles with 3-speed automatic transmission the park/neutral switch provides an input to the Powertrain Control Module (PCM).

The park/neutral position switch is located on the automatic transaxle housing Fig. 20. Manual transaxles do not use park/neutral switches. The switch provides an input to the PCM to indicate whether the automatic transaxle is in Park/Neutral, or a drive gear selection. This input is used to determine idle speed (varying with gear selection) and ignition timing advance. The park/neutral input is also used to cancel vehicle speed control. The park/neutral switch is sometimes referred to as the neutral safety switch.
Nov 8, 2020 at 1:24 PM