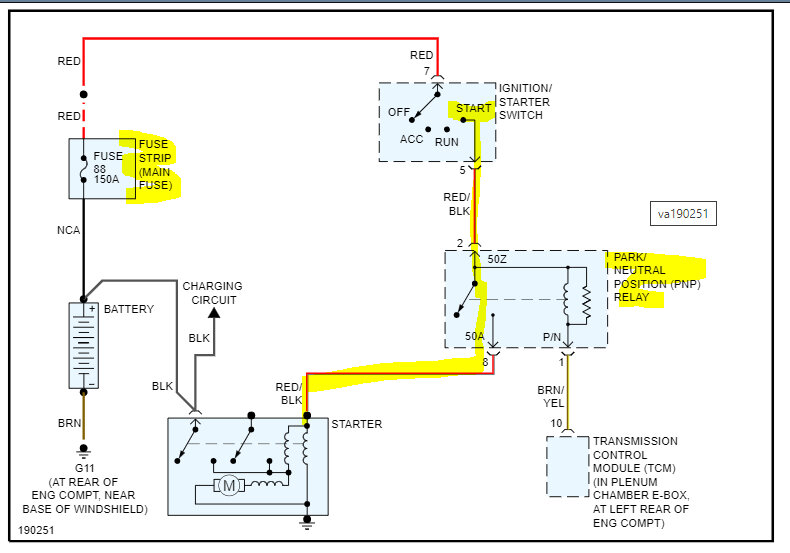
Replaced transmission and battery. Car entered theft deterrent mode and won't engage starter. I can jump the starter to get the car to start but that's the only way to start it.
Feb 14, 2023 at 7:30 PM
