Hi,
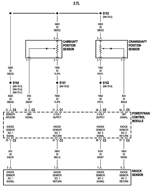
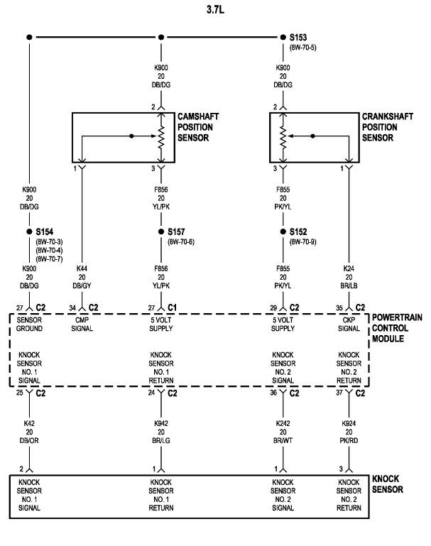
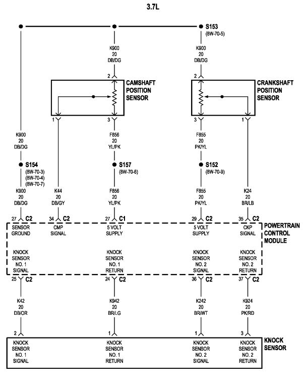
On my long list of repairs needed before I can go home, I am starting with this crankshaft sensor since I have it already.
Bolt came out easily, unclamped easily from the wiring connector as well. But, its oddly rusted on the limb that is held by the bolt.
I have PB Blaster and WD40, but I don't want to spray there if it's going to mess with electrical components.
What can I do?
Thank you guys.
Have a blessed day.
On my long list of repairs needed before I can go home, I am starting with this crankshaft sensor since I have it already.
Bolt came out easily, unclamped easily from the wiring connector as well. But, its oddly rusted on the limb that is held by the bolt.
I have PB Blaster and WD40, but I don't want to spray there if it's going to mess with electrical components.
What can I do?
Thank you guys.
Have a blessed day.
Dec 9, 2019 at 1:45 PM

