runs rough when when warm

2008 JEEP WRANGLER
22,000 MILES
Avatar
BVANFOSSEN
  • MEMBER
  • 4 POSTS
it runs fine cold. at operating temp it runs rough. there are no engine codes. this started after a 6 miles 10mph trail ride.

I've changed spark plugs
used Lucas injector cleaner numerous times
plug wired are in spec- ohms
changed air filter
cleaned throttle body

I'm at a loss of what to do next.
Apr 16, 2013 at 7:44 AM
Advertisement
Avatar
JDL
  • CERTIFIED EXPERT
  • 16,098 POSTS
Does it run rough at idle or off-idle? Both? As far as a misfire, the list of possibilities is probably about as long as your arm. Give me a second.
Apr 16, 2013 at 10:07 AM
Avatar
BVANFOSSEN
  • MEMBER
  • 4 POSTS
it doesn't idle too bad. just very very slightly off. in neutral and reving the engine there is a vibration and while driving it. I've also reset the computer a bunch of times.
thanks for your help.
Apr 16, 2013 at 12:25 PM
Advertisement
Avatar
BVANFOSSEN
  • MEMBER
  • 4 POSTS
I forgot to say, when I changed the spark plugs it ran fine for 100 miles
Apr 16, 2013 at 1:49 PM
Avatar
JDL
  • CERTIFIED EXPERT
  • 16,098 POSTS
Are you using the correct spark plugs? I always check codes, even if lite isn't on. I've had inactive codes, point me in the right direction. You couyld have a vacuum leak, somewhere. You would probably notice that more at idle.

If we could narrow it down to one cylinder, maybe a cylinder balance test? If it is something common to all cylinders then that won't help.
Apr 16, 2013 at 2:02 PM
Avatar
BVANFOSSEN
  • MEMBER
  • 4 POSTS
it mainly does it when It's warm.. when It's cold It's fine. I will look again for vacuum leaks.
Apr 16, 2013 at 4:15 PM
Avatar
JDL
  • CERTIFIED EXPERT
  • 16,098 POSTS
Let us know what you find.
Apr 17, 2013 at 7:26 AM
Avatar
YESITSME
  • MEMBER
  • 2 POSTS
I have the vehicle listed above with no modifications to the engine, 40,000 miles, manual transmission five speed, inline 6 cylinder.

The engine was running fine and then slowly over the course of a few minutes it began to run rough and had loss of power. The engine light came on as I tried to accelerate it would run rougher.

When checking the engine codes I get P0305 and P1596.

I have not been off roading with it recently and I also have not been through any type of water, mud, or dirt that I could think would have caused anything to become dirty.

I replaced all the spark plugs knowing they were due for a change and thinking that one might be fowled. This did not make any improvements.

Is it possible the Throttle Position Sensor could cause this trouble? If so can I simple replace this sensor or is there anything special to consider when replacing it?

If it's not the TPS and other ideas what might be causing this?

Thanks,
Doug
Mar 27, 2020 at 11:35 AM (Merged)
Avatar
YESITSME
  • MEMBER
  • 2 POSTS
Just got off the phone with the service department at the dealer and they are saying that a cylinder misfiring is not covered under power train warranty.. Now I wonder what they consider the power train? I always thought the engine was required to make the Jeep move but I could be wrong.

They also said that sensors and such that would give the Speed Control Always High error code 1596 is also not covered under the power train warranty.

As usual it sounds as though the warranty covers parts that simple don't don't fail.

Any other advice on this would be helpful as it sounds like the warranty is worthless and I'll be doing this one myself.
Mar 27, 2020 at 11:35 AM (Merged)
Avatar
DANNYRANNY1995
  • MEMBER
  • 1 POST
I have the same problem with my 2004 Jeep Grand Cherokee Laredo Special Edition. It has the 4.0 with the inline 6 and is 4x4. Almost 116,000 miles 5 Speed Automatic (I think)

I was driving today and the MIL warning light came on. I went to put gas in my car, and I kinda overflowed it a little. But no worries, it still ran perfectly.

I then came home, splashed some water on the tank by the fuel door. I did the three key movements trick, and I got the following codes:

P1596 (Cruise control fault)
P0305 (Cylinder #5 misfire)

I then recalled that the cruise control wasn't working properly, and had suddenly accelerated to over 100 MPH (let me tell you that was really scary).
A few times, after it sits for 3 days, I go and turn it on, and it cranks and cranks and cranks, and then a grinding noise (like the grind a car makes when you turn the key while it is running, I did that in my Volkswagen one day). It doesn't start, until I put my foot slightly on the gas pedal and then it will start.


Also, there's a rattle over by the exhaust pipe on the passenger's side. It does this rattle when stopped in Park, Reverse, and Drive. And but doesn't rattle when I accelerate or rev. It doesn't do it in neutral, but in 2 and 1 it does it too.
Mar 27, 2020 at 11:35 AM (Merged)
Avatar
CJ MEDEVAC
  • CERTIFIED EXPERT
  • 11,004 POSTS
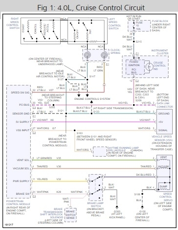
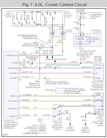
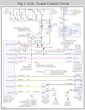
I found the following possibilities for the 1596 code.

1) a faulty speed control switch.

2) speed control brake switch wire harness may be shorted.

3) speed control brake switch circuit may have a poor electrical connection.

4) a possible faulty clock spring, it's harness possibly shorted, or poor connections.

Moving on to the misfire code (po305), here are possible problems that might trigger this code.

1) a faulty spark plug in #5 cylinder.

2) faulty or clogged fuel injector.

3) faulty ignition coil.

4) fuel injector wire harness is open, shorted, or poor electrical connection
https://www.2carpros.com/articles/how-to-check-wiring

5) Ignition coil wire harness is open, shorted, or
poor electrical connection.


6) you may have a vacuum leak.
https://www.2carpros.com/articles/how-to-use-an-engine-vacuum-gauge

7) maybe cylinder 5s compression is inadequate
https://www.2carpros.com/articles/how-to-test-engine-compression

8) wrong fuel pressure.

I posted you three diagrams from Prodemand (below).

The first three are "engine performance" the fourth is "cruise control"

Let us know if this helps.

The Medic


Mar 27, 2020 at 11:35 AM (Merged)