Running lights work but brake lights do not?

2008 SATURN VUE
187,000 MILES • 3.5L • 6 CYL • 4WD • AUTOMATIC
Avatar
CHRIS WILLIAMS4
  • MEMBER
  • 1 POST
Exactly what I said. Running lights work but none of the 3 brake lights work. The bulbs look fine. I checked all the fuses related to the brake lights as well as the stop brake relay all look fine as well. The brake light switch seems to be fine. I hooked up my multimeter to it. Is there something I might be missing, or do I have to pull out all the body panels and start following the wiring?
Apr 22, 2025 at 4:52 PM
Advertisement
Avatar
STEVE W.
  • CERTIFIED EXPERT
  • 15,113 POSTS
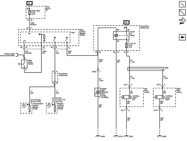
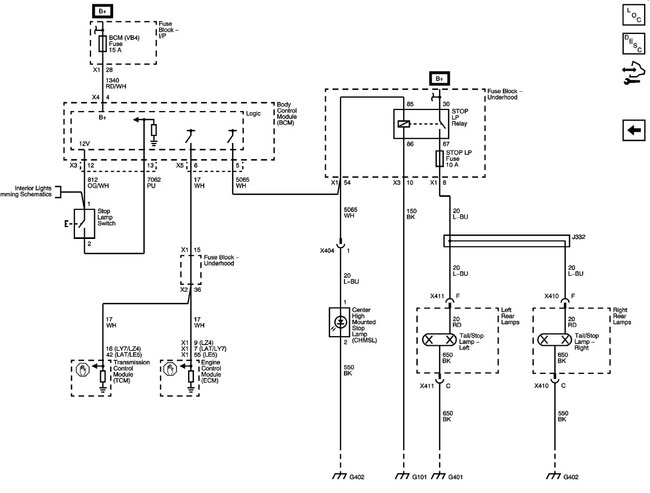
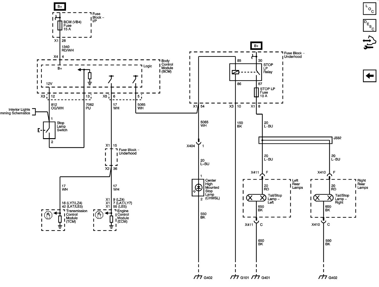
Okay, if none of the three work the failure is likely not in the relay or its power supply but the BCM or the switch. The way the system works, the brake switch closes and that tells the body module then turns on and sends a voltage that feeds the center light directly, that same voltage also turns on the relay that activates the other brake lights. Turn on the key-
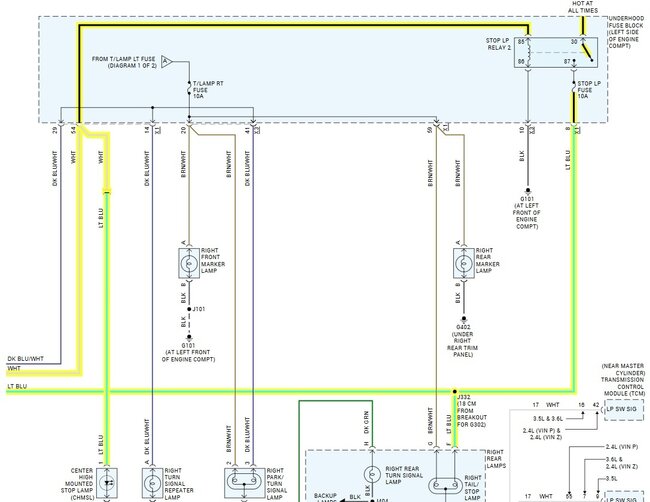
First let's test the switch, unplug it and set your meter to ohms and test between pins one and two, does it show continuity? For this test the wiring diagram seems to be incorrect as it shows it as an open switch that closes when you apply the brake, however the text states it is normally closed and opens when you push on it as such just look for it to change from open to closed or closed to open. Either should mean the switch is okay. Now switch to volts and check for battery voltage on the orange with white wire. This same wire also supplies the voltage to the interior lights so if they work the BCM to switch wire is okay. Next would be to test at the BCM harness. For that we need to access the BCM. It's in front of the console under the dash. You remove the trim panel by prying the clips free and the BCM will be clipped in at the bottom of the opening. Pull it out and find the orange and white and the purple wire in connector X3 pins 12 and 13. Unplug the connector and test in the connector for the same action you had at the switch, if it's the same the purple wire is okay.
Now find connector X5 and the White wire in pin 5. Test it for power when the brake pedal is pushed. If there is no power, then the BCM is the issue. The proper repair would be to replace it.
Apr 22, 2025 at 6:27 PM