Running Lights (Tail) Malfunction?

2011 TOYOTA TUNDRA
98,574 MILES • 4.6L • V8 • 2WD • AUTOMATIC
Avatar
CHRISTOPHER COLE
  • MEMBER
  • 1 POST
I have a set of aftermarket taillights on the front and rear of my truck. Recently the rear running lights burnt out and blew a fuse causing them to be inoperable. I have replaced the fuse and the running lights work for about 10-15 minutes.

I just tested this fuse for the third time and turned on the auxiliary mode for the radio and left the radio on with no music or sound. While I was driving, I could hear a crackle occasionally until finally the fuse popped again, and the crackles disappeared. It seemed the fuse blew out while making a turn on the highway while the weight of the truck shifted, or centrifugal force was applied to the vehicle.

It is noted that these aftermarket lights have worked for several years but I did switch out the front blinker bulbs to LED and I’m getting a hyper flash as the resistance is not equal to the normal load.

I’m going to replace the blinker bulbs back to the OEM style next, put another fuse in and see if that fixes the issue. Could these new LED bulbs be the cause of the problem or is there a ground wire that may be faulty?

The aftermarket lights are about 10 years old in the front and about 5-6 years old in the rear.
Aug 17, 2023 at 2:43 AM
Advertisement
Avatar
STRAILER
  • CERTIFIED EXPERT
  • 53,854 POSTS
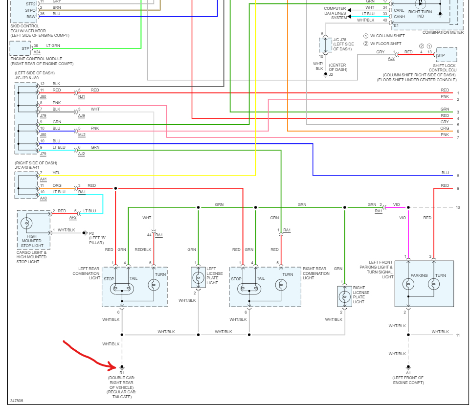
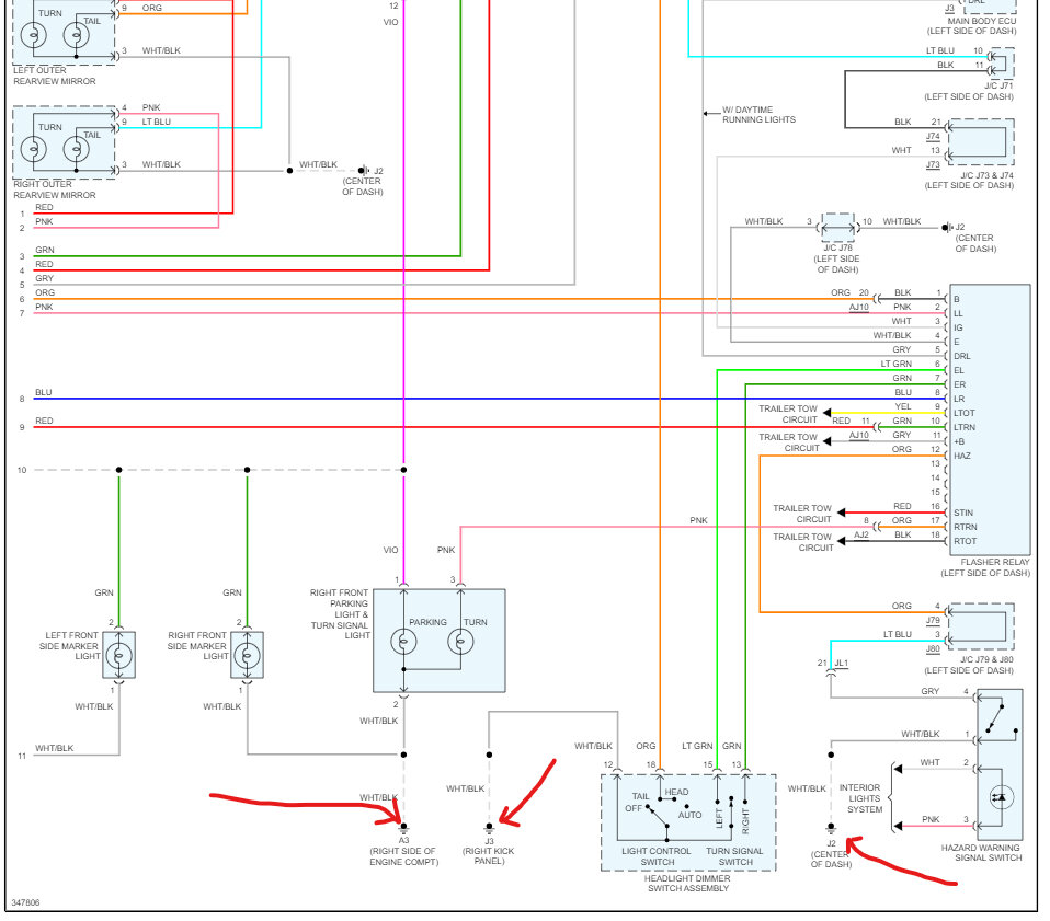
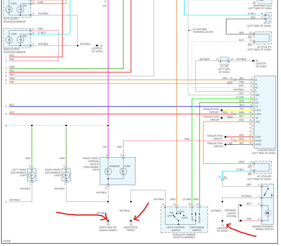
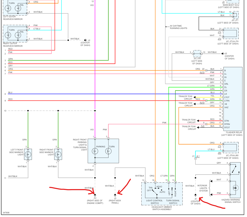
Yep, the aftermarket lights on the front and rear are the first thing I would swap out. Here is the system wiring diagrams and a guide so you can check the system grounds and connections using this guide:

https://www.2carpros.com/articles/how-to-check-wiring

Check out the images (below). Please let us know how it goes.

Aug 17, 2023 at 11:38 AM