Running lights stopped working

2014 CHEVROLET SILVERADO
104,000 MILES • 5.3L • V8 • 4WD • AUTOMATIC
Avatar
BIGJOEFARLEY
  • MEMBER
  • 4 POSTS
My rear running lights on the left side of the truck stopped working at the same time. But brake lights work in the reverse light works. Also the bulbs are good in the fuses are good. I'm not sure what to do next but to see if there's a broken wire or a ground wire somewhere.
Feb 25, 2019 at 10:33 PM
Advertisement
Avatar
STRAILER
  • CERTIFIED EXPERT
  • 53,854 POSTS
Hello,

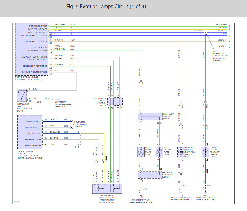
It sounds like the BCM might have gone out. but to be sure lets check the fuses on the BCM # 4, 6, 1, 3, 7 and the IPC fuse as well. Here is a guide to help you test for power at the fuse and the fuse locations as well. Also I have included the running light wiring diagrams so you can see how the system works and the BCM location. If the fuses are good I would get a new or rebuilt BCM and have it programmed which will cost about $130.00 at a shop. Check the diagrams below and get back to me.

https://www.2carpros.com/articles/how-to-check-a-car-fuse

Check out the diagrams (below). Please let us know what you find. We are interested to see what it is.
Feb 27, 2019 at 11:18 AM
Avatar
BIGJOEFARLEY
  • MEMBER
  • 4 POSTS
Okay Ken thank you I will. I appreciate the help.
Feb 27, 2019 at 12:26 PM
Advertisement
Avatar
BIGJOEFARLEY
  • MEMBER
  • 4 POSTS
Ken, I haven't had a chance to look at those fuses yet, but it sounded like you were saying that there is fuses in the BCM? Or were you saying to just look in the fuse box under the hood? Also you mentioned the IPC fuse I'm not sure where that is. For some reason all that information that you sent over is hard to access because it doesn't blow up clear and big enough FYI.
Mar 6, 2019 at 12:29 AM
Avatar
STRAILER
  • CERTIFIED EXPERT
  • 53,854 POSTS
The fuse panels are on either side of the dash, here is the location. Check out the diagrams (below). Please let us know what you find.
Mar 6, 2019 at 2:42 PM
Avatar
BIGJOEFARLEY
  • MEMBER
  • 4 POSTS
Ken, I check out the fuses that you in the fuse box under the hood. I also pulled off the panels on either side of the vehicle and I did not see anything that was pointing towards the fuse for the tail lights but I did see fuses for the BCM and I checked those as well. Also I pulled out the BCM and look inside of it to see if there is anything that looks abnormal but it all looks good. The only other thing I know to do is to trying to trace the wires from the back of the rig back to the BCM to see if there is a bad connection somewhere or short. Any other suggestions?
Mar 6, 2019 at 8:04 PM
Avatar
STRAILER
  • CERTIFIED EXPERT
  • 53,854 POSTS
You have the right idea. Here is a guide to help check the wiring connections please use the wiring diagrams above, it is sounding like the BCM has gone out:

https://www.2carpros.com/articles/how-to-check-wiring

Please run down this guide and report back.
Mar 7, 2019 at 9:31 AM