Wow. You are not having luck with this thing. That usually indicates a bad catalytic converter.
I want you to check one more thing for me, the EGR vacuum regulator. Here are the directions.
1. Disconnect battery ground cable.
2. Disconnect the vacuum hoses from the Exhaust Gas Recirculation (EGR) Vacuum Regulator Solenoid.
3. Lightly blow air into the EGR vacuum regulator solenoid and verify that air does not flow through the regulator.
4. Disconnect the electrical connector from the EGR vacuum regulator solenoid.
5. Apply battery voltage and a ground to the electrical connector of the EGR vacuum regulator solenoid.
6. Lightly blow air into the EGR vacuum regulator solenoid and verify that air does blow through the regulator.
7. If air does not flow through the regulator, replace the EGR vacuum regulator solenoid.
8. Connect battery ground cable.
NOTE: When the battery has been disconnected and reconnected, some abnormal drive symptoms may occur until the Power-train Control Module (PCM) relearns its adaptive strategy. The vehicle may need to be driven 16 km (10 miles) or more to relearn the adaptive strategy.
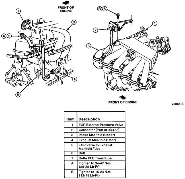
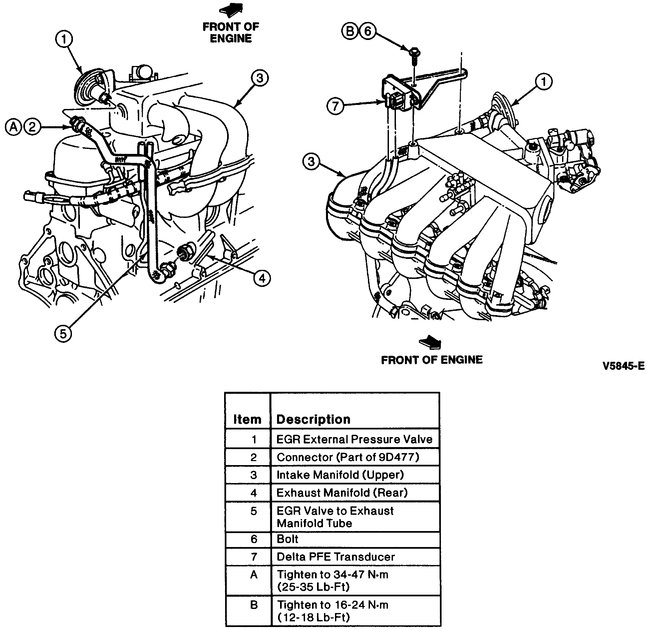
Also, I want you to remove the EGR and inspect both it and the intake for excessive carbon build up. Also, make sure the EGR works when you apply vacuum to it.
1 Disconnect the Exhaust Gas Recirculation (EGR) valve vacuum hose.
2. Disconnect the EGR valve to exhaust manifold tube from EGR valve.
3. Remove EGR valve retainer bolts and EGR valve from upper intake manifold.
4. Remove EGR valve gasket. Clean residue from upper intake manifold gasket surface.
_____________________
Let me know what you find. Also, if I do not hear from you, I hope you have a good Thanksgiving.
Take care,
Joe
Images (Click to enlarge)
Nov 21, 2018 at 1:35 PM