running hot

2002 BUICK CENTURY
125,000 MILES • 3.1L • 6 CYL • 2WD • AUTOMATIC
Avatar
PACHYAUTO63
  • MEMBER
  • 40 POSTS
put new water pump, thermostat and radiator. The fans work only when crank. air running hot.
Feb 26, 2018 at 8:21 AM
Advertisement
Avatar
PATENTED_REPAIR_PRO
  • CERTIFIED EXPERT
  • 1,853 POSTS
Check the computer codes and see if there is any code referring to the engine coolant temperature sensor.
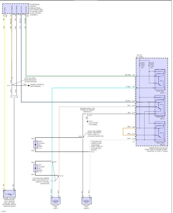
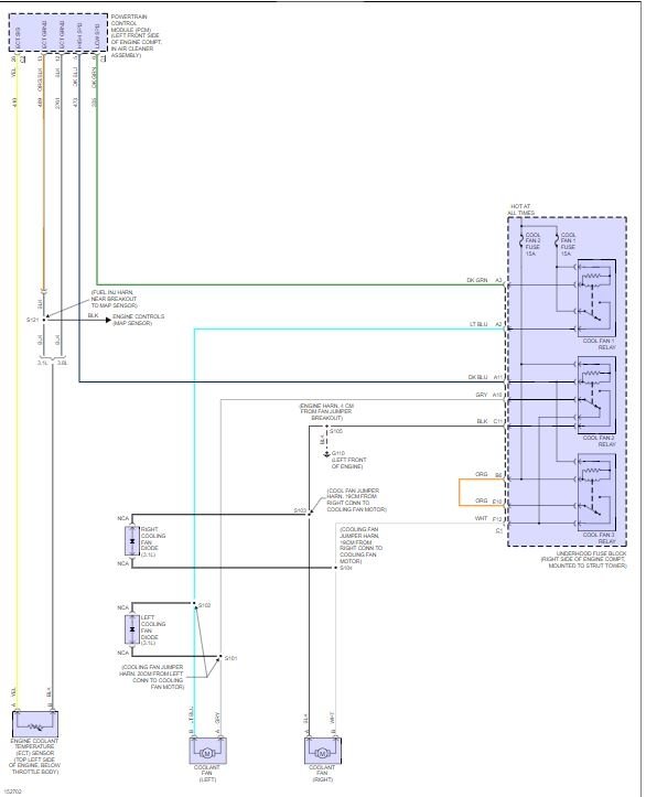
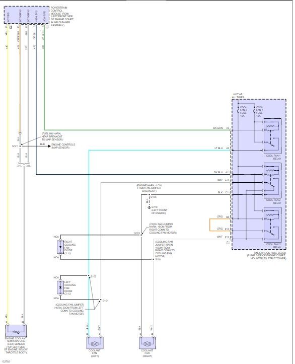
Check both fan fuses, cool fan one and two both in the under hood fuse block.
There are also three fan relays in that same under hood fuse block.
Feb 26, 2018 at 9:04 AM
Avatar
RENEE L
  • CERTIFIED EXPERT
  • 1,260 POSTS
Hello PACHYAUTO63,


PATENTED_REPAIR_PRO suggested in his post to check the computer codes. I am sending you a link that if you decide to conduct the scan yourself it will be a great help to you. The link features an article with written step by step instructions and pictures explaining how to do the scan yourself. Also, I have included a link to our YouTube channel with a how to video on code scanning.

This is applicable even if your check engine light is not on.

Most scanners are inexpensive to purchase, you can purchase one online from sites like Amazon.com

https://www.2carpros.com/articles/checking-a-service-engine-soon-or-check-engine-light-on-or-flashing

https://youtu.be/YV3TRZwer8k

Once you have the code number(s) please get back to us so that we can further assist you. We are always happy to help.

Thank you for visiting 2CarPros.com.

Kindest regards,

Renee
Admin
Feb 26, 2018 at 9:40 AM
Advertisement