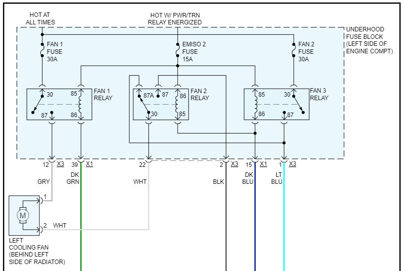
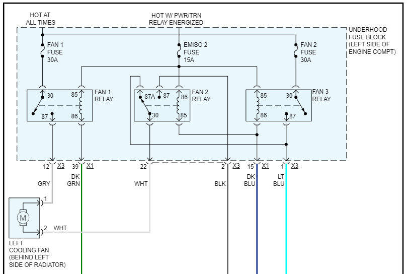
I have the vehicle listed above that on idle starts to overheat, if I rev the engine, it goes back to normal temperature. I've changed the water pump, thermostat, radiator, all hoes and the heater core also had the system flushed. when driving runs fine. what else can i do to finally solve this problem?
Aug 22, 2023 at 5:51 PM

