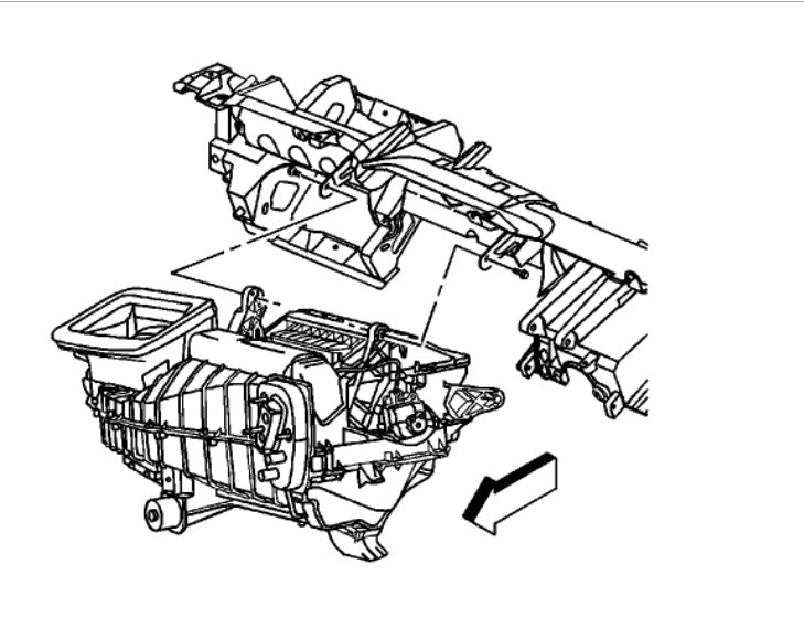
You will need to remove the HVAC housing to clean it out because it will need to be taken apart. First disconnect the battery and you will need to vacuum down and recharge the A/C system.
Here is a guide that will help you with that:
https://www.2carpros.com/articles/re-charge-an-air-conditioner-system
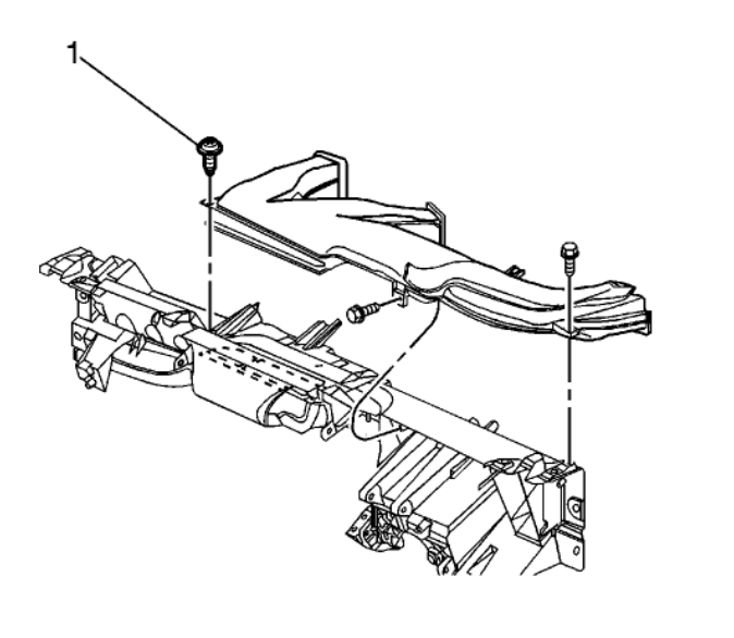
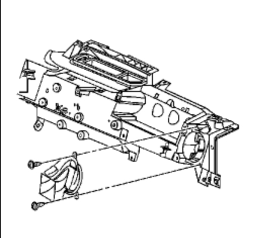
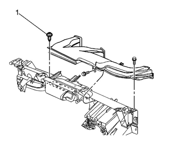
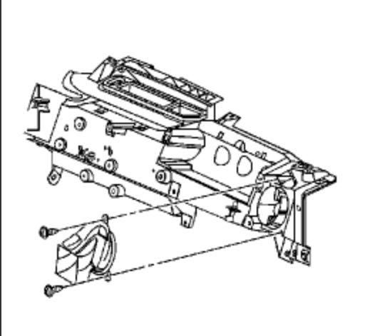
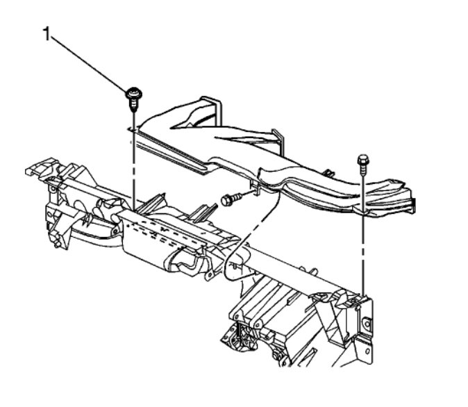
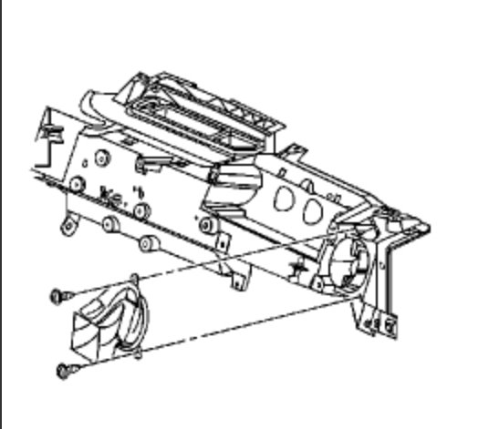
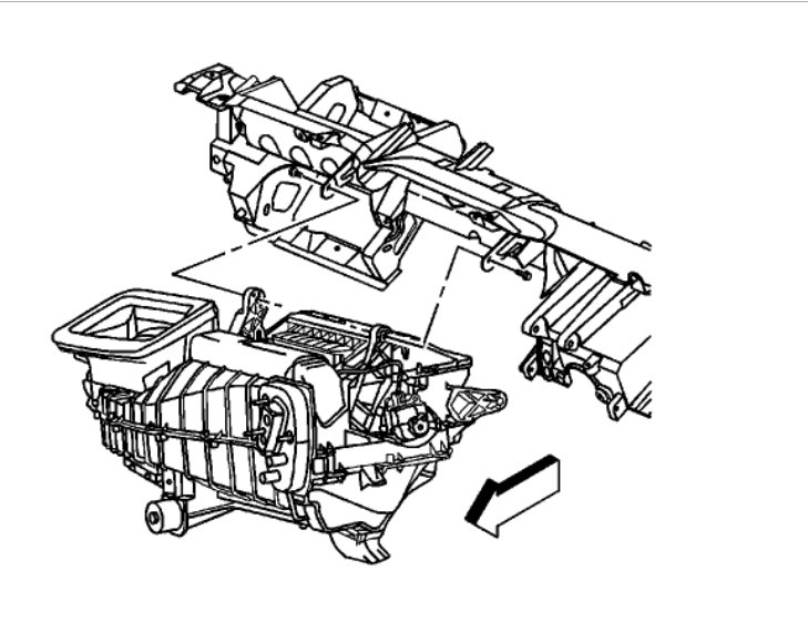
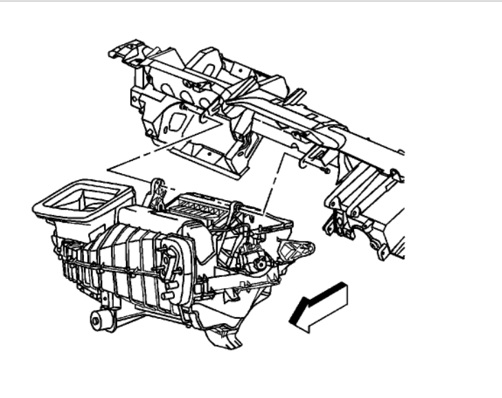
Here are the diagrams you need to follow to get the heater plenum out of the car so you can take it apart. (below)
Please let us know what happens so it will help others.
Cheers, Ken
Images (Click to enlarge)
Oct 13, 2017 at 12:36 PM