RPM Needle is not moving

2000 CHRYSLER 300
135,000 MILES
Avatar
  • MEMBER
  • 2 POSTS
My rpm needle is not working, what is the problem?
Jul 2, 2016 at 2:18 AM
Advertisement
Avatar
STRAILER
  • CERTIFIED EXPERT
  • 53,854 POSTS
Hello,

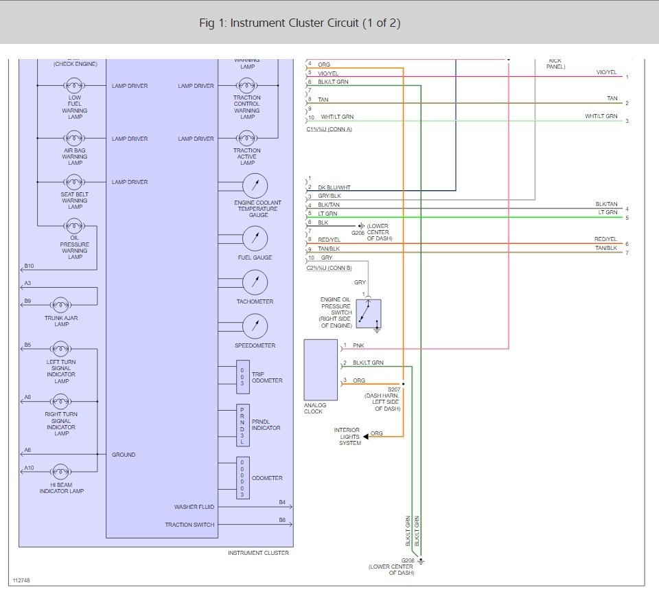
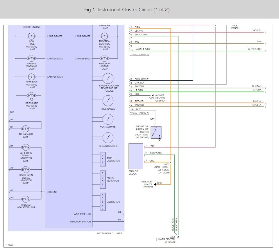
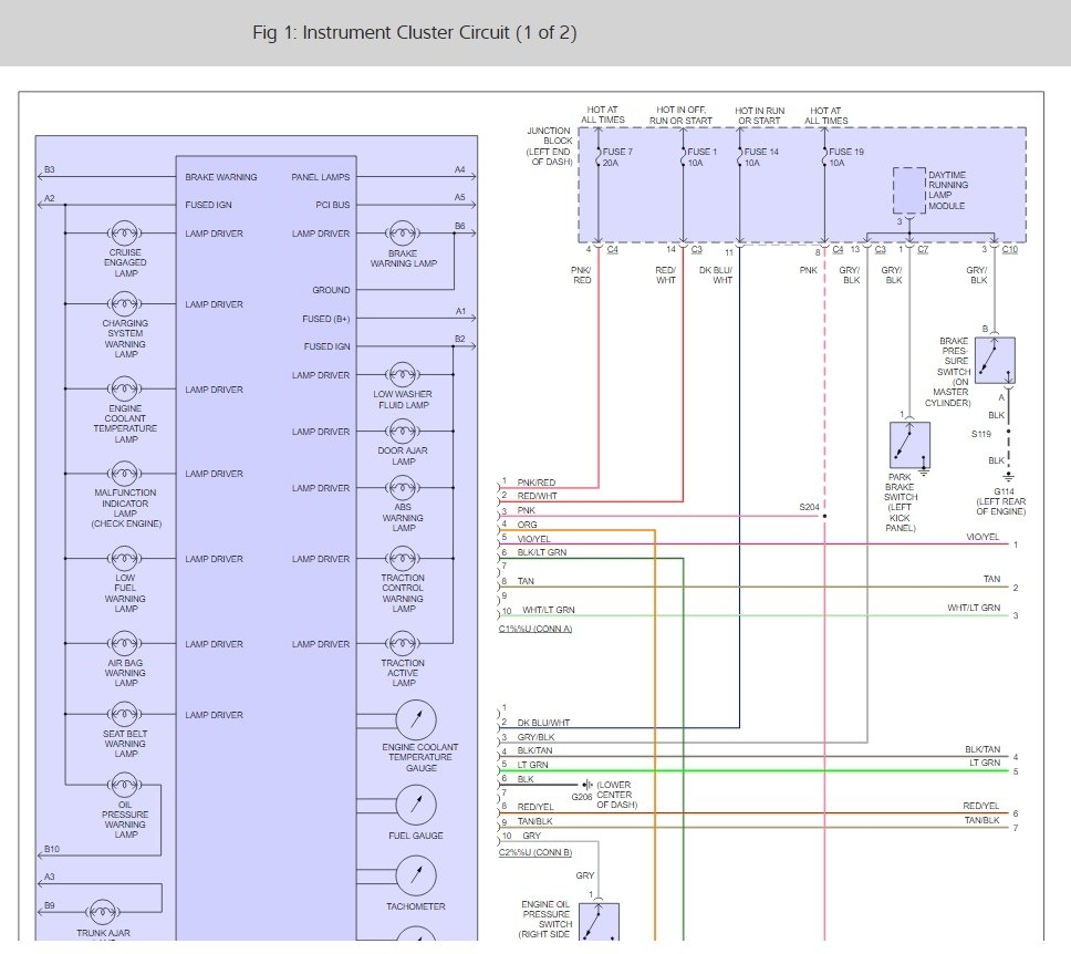
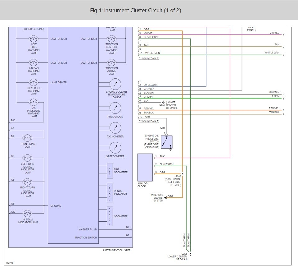
Nine times out of ten its the gauge but to make sure here are some wiring diagrams (Below) and some guides so you can do some testing to confirm. Start with the fuses

https://www.2carpros.com/articles/how-to-check-a-car-fuse

and

https://www.2carpros.com/articles/how-to-check-wiring

and

https://www.2carpros.com/articles/how-to-use-a-voltmeter

Please let us know what happens, we are interested to see what it is.

Gauges are no longer simple spring-loaded devices that always come back to "0". The pointers sit on a "stepper" motor that is pulsed to set it to the desired position. When a current surge sends it too high, it looks for the shortest way back to "0" when you turn on the ignition switch, and that is clockwise to the stop pin. Once the shortest way to the current engine speed is counter-clockwise, the pointer will go there and will work properly after that.

The other way to solve this is to use a scanner on the "Gauge Test" function. That will run them all to 1/4, 1/2, 3/4, and full-scale, then back down to "0". The third way is to remove the bezel and push the pointer back around by hand.

There can also be a problem with the Body Computer or a problem with the instrument cluster, which is also a computer module. Beyond that, you did not list the engine size so I do not know which ignition system you have. Regardless, a related sensor failure will usually result in a cranks / no-start condition, so the inoperative tachometer would be of little concern.

Cheers, Ken

Jun 21, 2017 at 9:17 PM