Good morning.
Has the car overheated?
I would start by making sure the thermostat is working correctly. If it opens late or too early, it will set this code as well.
Below are the charts for the codes and checks that need to be done.
As far as the rough idle and stalling, make sure the throttle body is cleaned and free of all carbon build up. When carbon builds up, it is common for the engine to idle rough and stall.
Roy
CIRCUIT DESCRIPTION:
***UPDATED BY TSB # 91-T-49 DATED FEBRUARY 1991
The Coolant Level Sensor is a solid state module that monitors coolant level. It is located at the right hand radiator tank, and senses coolant by means of two probes that protrude into the coolant.
When the coolant is at the proper level, the coolant level signal at the ECM is pulled low (0-3 volts). When the coolant level is low, the signal at the ECM will be high (4-5 volts) and the ECM will turn "ON" the low coolant light.
TEST DESCRIPTION: Numbers below refer to circled numbers on the diagnostic chart.
1. With the ignition "ON" and engine "OFF," the ECM should be grounding circuit 35.
2. The TEMP light should only be controlled to be turned "ON" while the engine is running when the coolant temperature is above 123°C (253°F).
DIAGNOSTIC AIDS
The coolant temperature sensor in rare cases, may fail to indicate the correct engine coolant temperature without setting a trouble code. This could result in turning "ON" the "TEMP" light without having a overheating condition. It could also result in overheating without the "TEMP" light being turned "ON." See coolant sensor temperature vs resistance values on trouble Code diagnostic chart Code 15. Compare coolant temperature reading from scanner to this chart. Replace coolant temperature sensor if mis-scaled.
more on code 14
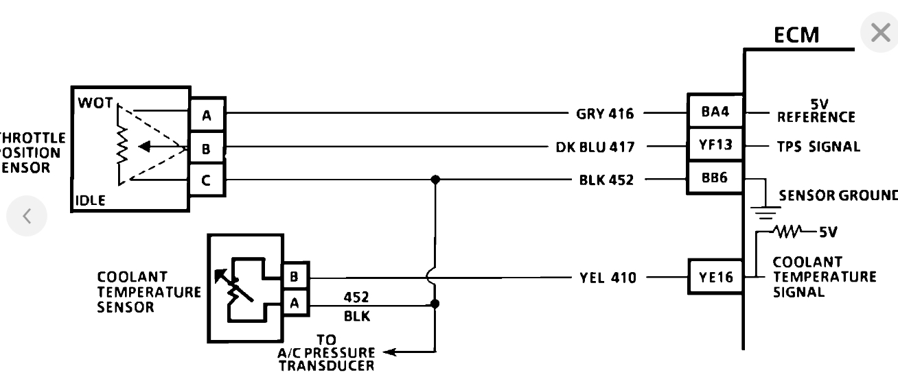
CIRCUIT DESCRIPTION:
The coolant temperature sensor uses a thermistor to control the signal voltage at the ECM. The ECM applies a voltage on circuit 410 to the sensor. When the engine is cold the sensor (thermistor) resistance is high, therefore thee ECM will see high signal voltage high.
As the engine warms, the sensor resistance becomes less, and the voltage drops. At normal engine operating temperature, the voltage will measure about 1.5 to 2.0 volts.
Code 14 will set if:
^ Engine run time is 10 seconds or more.
^ Signal voltage indicates a coolant temperature above 147~C (296~F) for 0.4 seconds.
NOTE: Because of all the possible color code combinations used on electrical wiring diagrams, always refer to ECM CONNECTOR IDENTIFICATION under ELECTRICAL AND ELECTRONIC WIRING DIAGRAMS for correct color code identification of circuit.
TEST DESCRIPTION: Numbers below refer to circled numbers on the diagnostic chart.
1. This will determine if the coolant sensor is indicating a high temperature to the ECM.
2. This test will determine if circuit 410 is shorted to ground which will cause the conditions for Code 14. If a code 14 is set, the ECM will use a default coolant temperature value of 49~C (120~F) for fuel control. Scan tool will read actual value not default value.
DIAGNOSTIC AIDS:
^ "Scan" tool displays engine temperature in degrees Celsius. After engine is started, the temperature should rise steadily to about 90~C, and then stabilize when thermostat opens.
^ An intermittent may be caused by a poor connection, rubbed through wire insulation, or a wire broken inside the insulation.
Check For:
^ Poor Connection or Damaged Harness Inspect ECM harness connectors for backed out terminal "YE16", improper mating, broken locks, improperly formed or damaged terminals, poor terminal to wire connection, and damaged harness.
^ Intermittent Test If connections and harness check OK, "Scan" coolant temperature while moving related connectors and wiring harness. If the failure is induced, the "coolant temperature" display will change. This may help to isolate the location of the malfunction.
^ Shifted Sensor The "Temperature To Resistance Value" scale may be used to test the coolant sensor at various temperature levels to evaluate the possibility of a "shifted" (mis-scaled) sensor, which may result in driveability complaints.
code 43. the most common cause is the sensor itself or a bad connector.
CIRCUIT DESCRIPTION:
The knock sensor is used to detect engine detonation and the ECM will retard the electronic spark timing based on the signal being received. The circuitry within the knock sensor causes the ECM's supplied 5 volt signal to be pulled down, so that under a no knock condition CKT 496 would measure about 2.5 volts. The knock sensor produces an A/C signal which rides on the 2.5 volts DC voltage. The amplitude and signal frequency is dependent upon the knock level. If CKT 496 becomes open or shorted to ground, the voltage will either go above 3.5 volts or below 1.5 volts. If either of these conditions are met for 20 seconds, a Code 43 will be stored.
Code 43 will set if:
^ Voltage on circuit 496 goes above 3.5 volts or below 1.5 volts.
^ Condition present for 20 seconds.
NOTE: Because of all the possible color code combinations used on electrical wiring diagrams, always refer to ECM CONNECTOR IDENTIFICATION under ELECTRICAL AND ELECTRONIC WIRING DIAGRAMS for correct color code identification of circuit.
TEST DESCRIPTION: Numbers below refer to circled numbers on the diagnostic chart.
1. If a Code 43 is detected, the ECM will retard spark timing by 10 degrees. If an audible knock is heard from the engine, repair the internal engine problem. Normally no knock should be detected at idle.
2. The ECM has a 5 volt pull-up resistor which should be present at the knock senor terminal.
3. This test determines if the knock sensor is faulty or if the ESC portion of the Mem-Cal is faulty.
DIAGNOSTIC AIDS:
Check CKT 496 for a intermittent open or short to ground. Also check for proper installation of Mem-Cal. If ESC circuit 496 is routed to close to secondary ignition wires, it may induce a voltage and cause a false knock signal. Refer to TESTING PROCEDURES/DIAGNOSIS BY SYMPTOM/INTERMITTENTS.
Images (Click to enlarge)
Jun 3, 2018 at 6:13 AM