Rollover accident, need fuel shut off switch location

1994 DODGE DAKOTA
184,000 MILES • V6 • 2WD • AUTOMATIC
Avatar
DHERRING
  • MEMBER
  • 4 POSTS
Trying to locate fuel shut off switch.
Jun 25, 2019 at 2:04 PM
Advertisement
Avatar
ASEMASTER6371
  • CERTIFIED EXPERT
  • 52,796 POSTS
Good afternoon,

There is no fuel cutoff switch for the fuel pump. Fords have this switch.

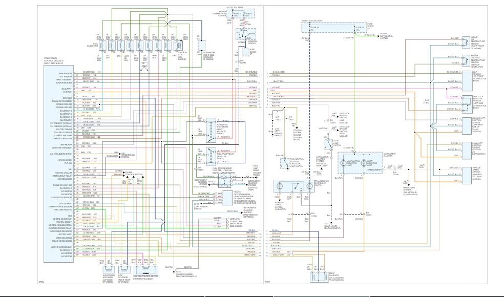
I attached a wiring diagram for you to view.

What is the issue?

Roy
Jun 25, 2019 at 3:08 PM
Avatar
DHERRING
  • MEMBER
  • 4 POSTS
It was in a rollover about a year ago. We are trying to make it usable as a farm truck.
It will run with gasoline poured in the carburetor but then shuts off.
Jun 25, 2019 at 3:53 PM
Advertisement
Avatar
ASEMASTER6371
  • CERTIFIED EXPERT
  • 52,796 POSTS
Okay, can you hear the fuel pump run when you turn on the key?

https://www.2carpros.com/articles/how-to-replace-an-electric-fuel-pump

Did you remove all the old fuel and replace it with new fuel?

Roy
Jun 25, 2019 at 4:03 PM
Avatar
DHERRING
  • MEMBER
  • 4 POSTS
Did not replace fuel. Added some new and shook it.
Cannot hear fuel pump when key is turned on. I’ll listen again under the car but I didn’t hear it while under the hood.
Jun 25, 2019 at 4:06 PM
Avatar
ASEMASTER6371
  • CERTIFIED EXPERT
  • 52,796 POSTS
You need to drain all the old fuel out. Adding new does nothing for the contaminated fuel.

I would replace the pump.

Roy
Jun 25, 2019 at 4:07 PM
Avatar
DHERRING
  • MEMBER
  • 4 POSTS
Thanks.
I’ll start with good fuel and listen for the pump and go from there.
Jun 25, 2019 at 4:13 PM
Avatar
ASEMASTER6371
  • CERTIFIED EXPERT
  • 52,796 POSTS
You are welcome.

Always glad to help.

Roy
Jun 25, 2019 at 4:15 PM