A/C blower motor not working

2002 ISUZU RODEO
45,000 MILES • 3.2L • 6 CYL • RWD • AUTOMATIC
Avatar
G3COLLISON
  • MEMBER
  • 2 POSTS
With car running A/C engaged, compressor is engaging as well. There is no air flow into the car through the vents. No matter what speed you put it on, one through four, nothing. Checked all fuses, good. Got into dash. Disconnected the blower motor plug. Meter in place turned the key, no voltage on blue/ white striped. Left positive lead in plug and put ground to chassis ground, viola, 12.4 volts. Put temperature ground to plug, plugged back into motor. Turned key to on position, fan motor operates in "full on" (four) mode no matter what is on the selector (one through four,).
Help!
Jun 18, 2017 at 11:58 AM
Advertisement
Avatar
HMAC300
  • CERTIFIED EXPERT
  • 48,601 POSTS
check items in picture. it may be the fuse or relay under hood.
Jun 18, 2017 at 2:21 PM
Avatar
G3COLLISON
  • MEMBER
  • 2 POSTS
Thanks, but i had already checked all the fuses.
Jun 18, 2017 at 3:33 PM
Advertisement
Avatar
HMAC300
  • CERTIFIED EXPERT
  • 48,601 POSTS
Avatar
STRAILER
  • CERTIFIED EXPERT
  • 53,854 POSTS
Hello,

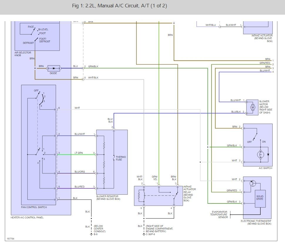
There is a thermo fuse in the resistor or the resistor has shorted out. Here is a full wiring diagram (below) of the system and a guide to help you do some testing to see where you are losing the power or ground also check the control switch as well.

https://www.2carpros.com/articles/how-to-use-a-test-light-circuit-tester

Please let us know what happens, we are interested to see what it is.

Cheers, Ken


Jun 19, 2017 at 9:54 AM