Diagram needed for the steering column?

1996 OLDSMOBILE 88
180,000 MILES • AUTOMATIC
Avatar
MONICA BRADLEY
  • MEMBER
  • 2 POSTS
There is a rod in steering column that pushes down on the switch on a button that ignites the ignition, where is it connected to on the front part of it by the turn blinkers? the tilt lever something on mine is broke off and I can't figure it out and I keep looking up diagrams to try to see the picture of the inside of the steering column right there with a tilt switch and I can't find one.
Mar 18, 2023 at 9:33 AM
Advertisement
Avatar
JACOBANDNICKOLAS
  • CERTIFIED EXPERT
  • 110,175 POSTS
Hi,

I'm not sure if you are looking for. If it is the rod that goes to the ignition switch itself, the opposite end goes to the ignition lock cylinder which moves when you turn the key.

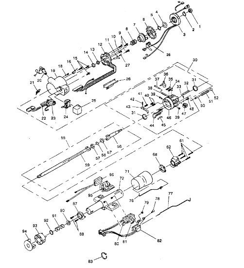
I attached an exploded view of the steering column below. (Pic 1) The remaining pics are the legend for each part.

Let me know if you see what you are looking for or if you have other questions.

Take care,

Joe

See pics below.
Mar 18, 2023 at 1:06 PM